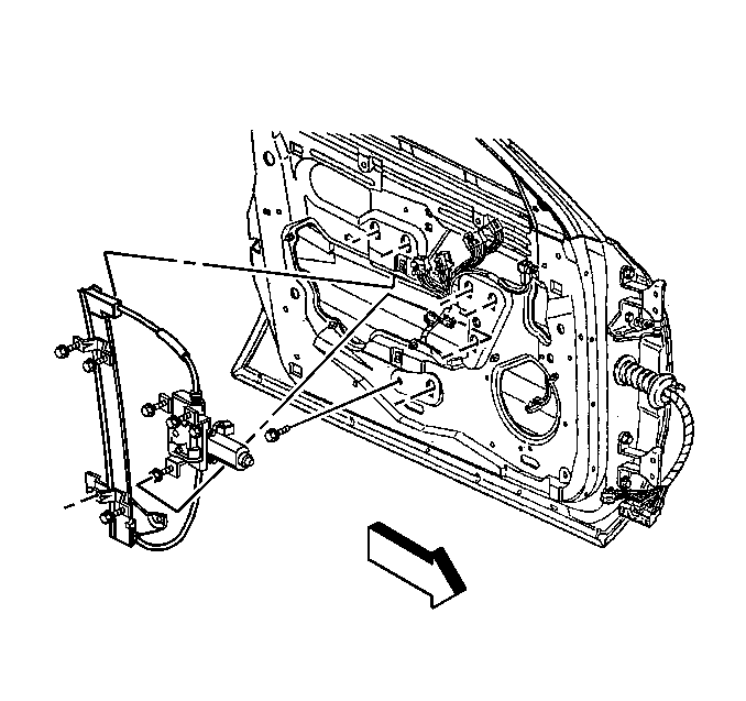
Important: The window regulator screws are seated into key slots in the inner door panel and is unnessessary to remove the screws completely from the window regulator.
Notice: Use the correct fastener in the correct location. Replacement fasteners must be the correct part number for that application. Fasteners requiring replacement or fasteners requiring the use of thread locking compound or sealant are identified in the service procedure. Do not use paints, lubricants, or corrosion inhibitors on fasteners or fastener joint surfaces unless specified. These coatings affect fastener torque and joint clamping force and may damage the fastener. Use the correct tightening sequence and specifications when installing fasteners in order to avoid damage to parts and systems.
Tighten
Tighten the screw to 10 N·m (89 lb in).
Important: In order to ensure proper orientation of the window regulator to the door, tighten the remaining window regulator screws in the specified sequence; lower rear, upper rear, lower front, upper front.
Tighten
Tighten the screws to 10 N·m (89 lb in).