GM Service Manual Online
For 1990-2009 cars only
Makes
🢒
Buick
🢒
2003
🢒
Regal
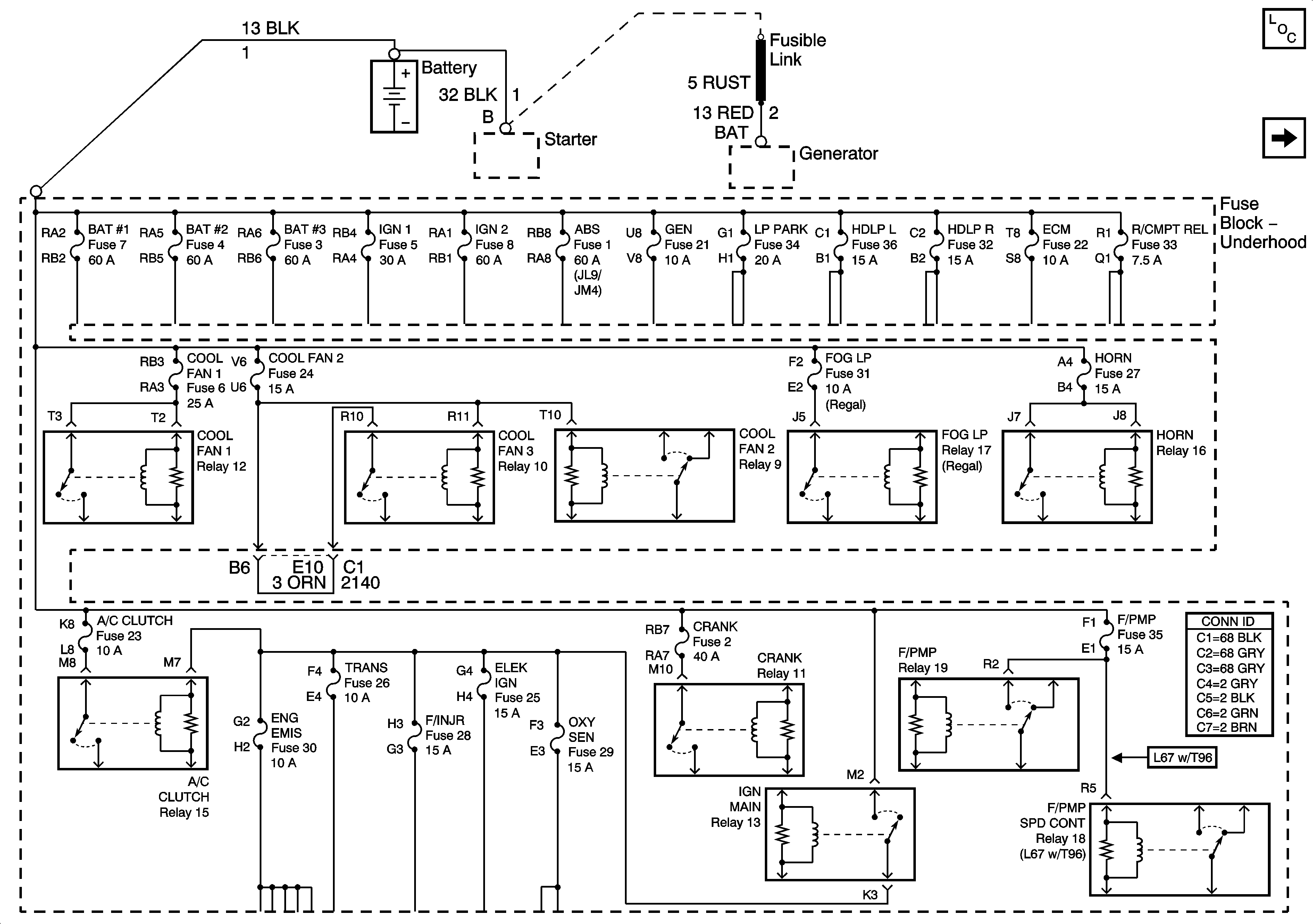
🢒 Fuse Block-Underhood B+ Buss
Fuse Block-Underhood B+ Buss
Fuse Block - Underhood B+ Buss
Master Electrical Component List
Fuse Block-Underhood Batt 1 Fuse, Fuse Block-I/P RADIO, HVAC, RFA CLUSTER, DATA LINK, BCM PWR, INADV POWER BUS, RADIO PREM SOUND, and CIGAR LTR Fuses