GM Service Manual Online
For 1990-2009 cars only
Makes
🢒
Buick
🢒
2003
🢒
Regal
🢒 Audible Warnings Schematics
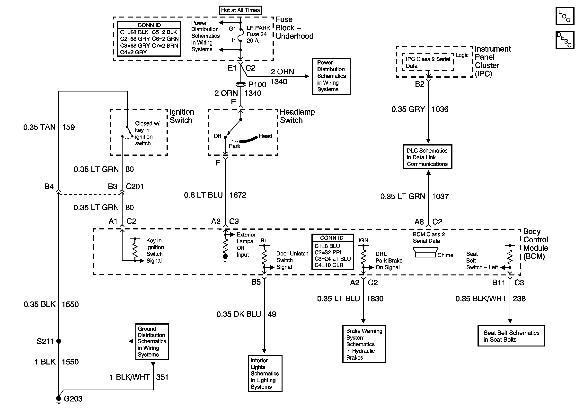
Audible Warnings Schematics
Master Electrical Component List
Audible Warnings Description and Operation Audible Warnings
Fuse Block-Underhood LP PARK Fuse, Fuse Block-I/P FRT PARK LP, FOG LP, Fuse, and PWR WINDOWS, SUNROOF Circuit Breaker
Fuse Block-Underhood LP PARK Fuse, Fuse Block-I/P FRT PARK LP, FOG LP, Fuse, and PWR WINDOWS, SUNROOF Circuit Breaker
Data Link Connector (DLC) Schematics
G203, Page 1 of 2
Lamp Controls
Brake Warning System Schematics
Seat Belt Schematics