GM Service Manual Online
For 1990-2009 cars only
Makes
🢒
Buick
🢒
2003
🢒
Regal
🢒 Actuators
Actuators
Actuators
Master Electrical Component List
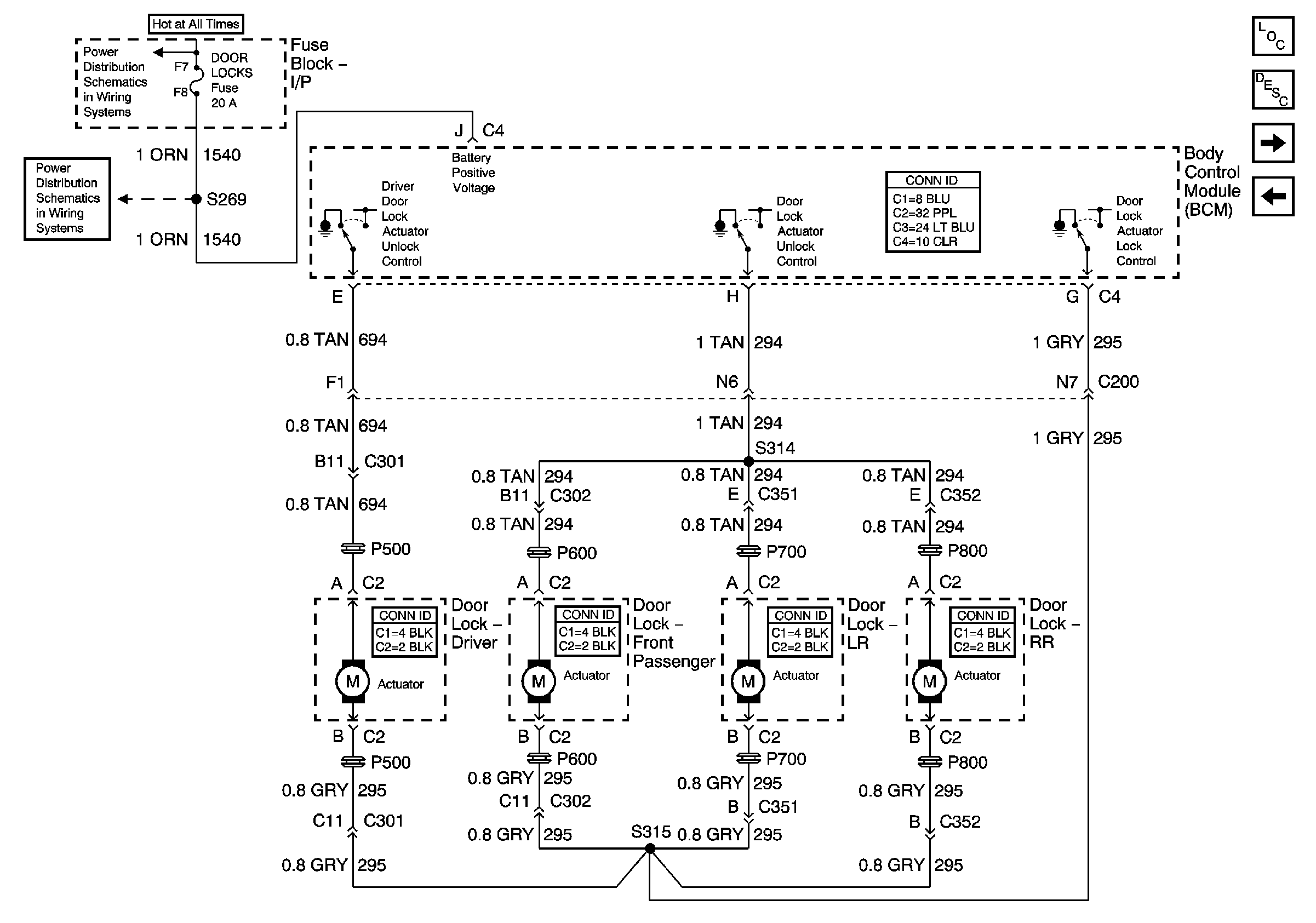
Power Door Locks Description and Operation
Ajar Indicator
Switches
Fuse Block-Underhood Batt 2 Fuse, Fuse Block-I/P HIGH BLOWER, HAZARD, STOP LAMPS, DOOR LOCKS, and POWER MIRRORS Fuses
Fuse Block-Underhood Batt 2 Fuse, Fuse Block-I/P HIGH BLOWER, HAZARD, STOP LAMPS, DOOR LOCKS, and POWER MIRRORS Fuses