GM Service Manual Online
For 1990-2009 cars only
Makes
🢒
Buick
🢒
2003
🢒
Regal
🢒 Body Rear End Schematics
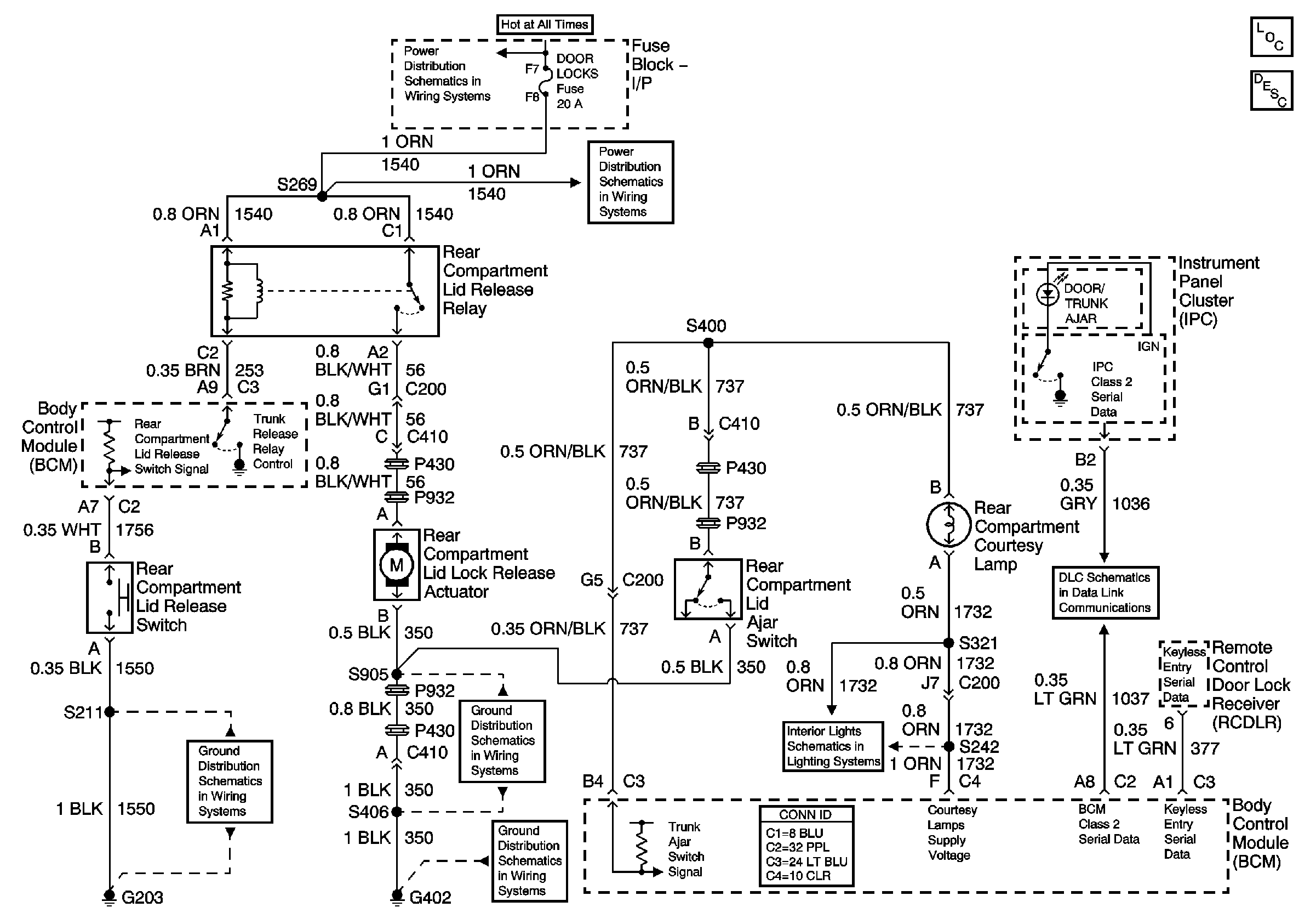
Body Rear End Schematics
Master Electrical Component List
Luggage Compartment Description and Operation
Fuse Block-Underhood Batt 2 Fuse, Fuse Block-I/P HIGH BLOWER, HAZARD, STOP LAMPS, DOOR LOCKS, and POWER MIRRORS Fuses
Fuse Block-Underhood Batt 2 Fuse, Fuse Block-I/P HIGH BLOWER, HAZARD, STOP LAMPS, DOOR LOCKS, and POWER MIRRORS Fuses
Data Link Connector (DLC) Schematics
G203, Page 1 of 2
G402, Page 2 of 2
G402, Page 1 of 2
I/P Courtesy Lamps