GM Service Manual Online
For 1990-2009 cars only
Figure 1:

Power, Ground, MIL and Serial Data


Object Number: 1222508  Size: FS
Master Electrical Component List
Powertrain Control Module Description
Engine Data Sensors - 5 Volt Reference
OBD II Symbol Description Notice
Fuse Block - Underhood IGN 1 Fuse
Fuse Block - Underhood IGN 1 Fuse
Fuse Block - Underhood B+ Bus
Fuse Block - I/P TRN/SIG, AIR BAG, CLSTR, and PCM, BCM U/H Fuses, Fuse Block - Underhood CRANK and IGN MAIN Relays
G100, G113, and G171
Data Link Connector (DLC) Schematics
Figure 2:

Engine Data Sensors -- 5 Volt Reference


Object Number: 1222513  Size: FS
Master Electrical Component List
Powertrain Control Module Description
Engine Data Sensors - Low Reference
Power,Ground,MIL,and Serial Data
OBD II Symbol Description Notice
Figure 3:

Engine Data Sensors - Low Reference


Object Number: 1222017  Size: FS
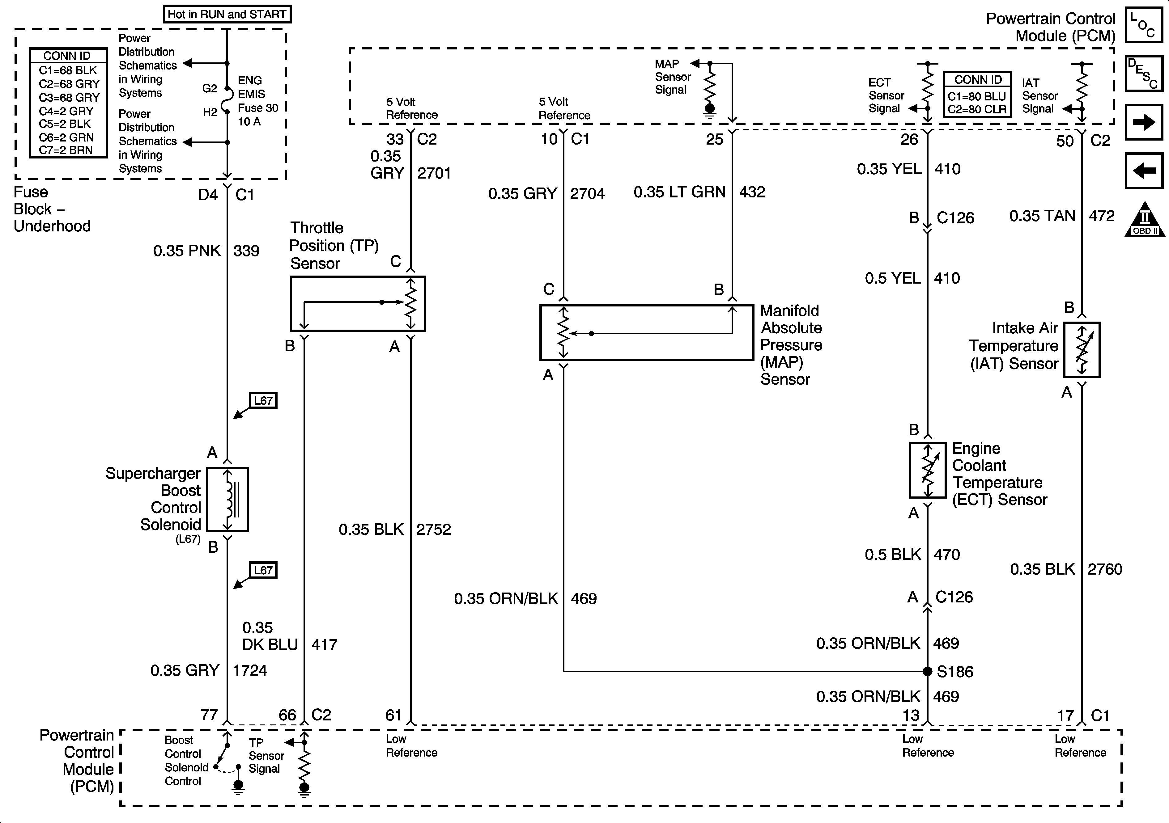
Master Electrical Component List
Powertrain Control Module Description
Engine Data Sensors - Pressure and Temperature
Engine Data Sensors - 5 Volt Reference
OBD II Symbol Description Notice
Figure 4:

Engine Data Sensors -- Pressure and Temperature


Object Number: 1222519  Size: FS
Master Electrical Component List
Powertrain Control Module Description
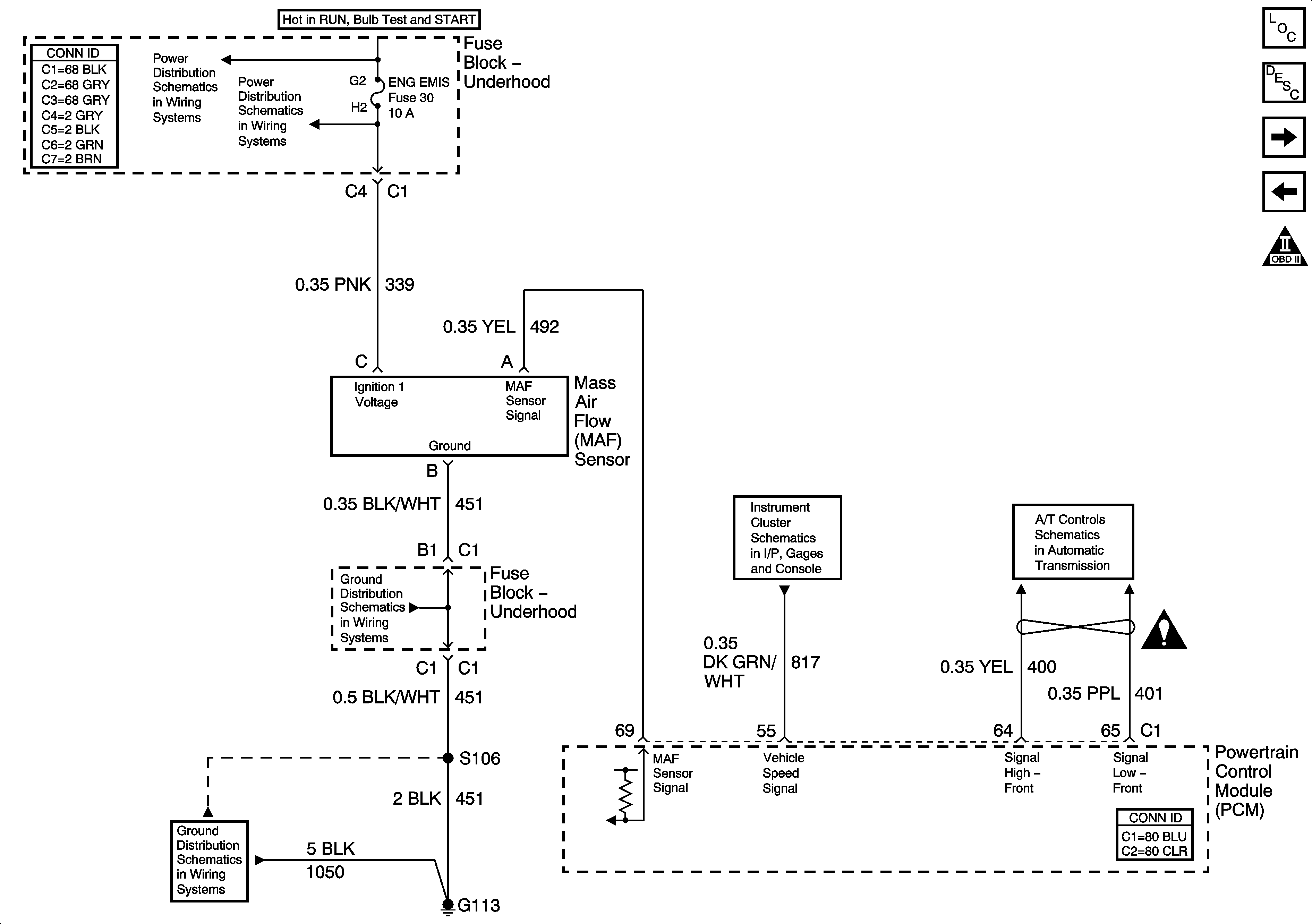
Engine Data Sensors - MAF, VSS
Engine Data Sensors - Low Reference
OBD II Symbol Description Notice
Fuse Block - Underhood B+ Bus
Fuse Block - Underhood ENG EMIS Fuse
Figure 5:

Engine Data Sensors - MAF, VSS


Object Number: 1275690  Size: FS
Master Electrical Component List
Powertrain Control Module Description
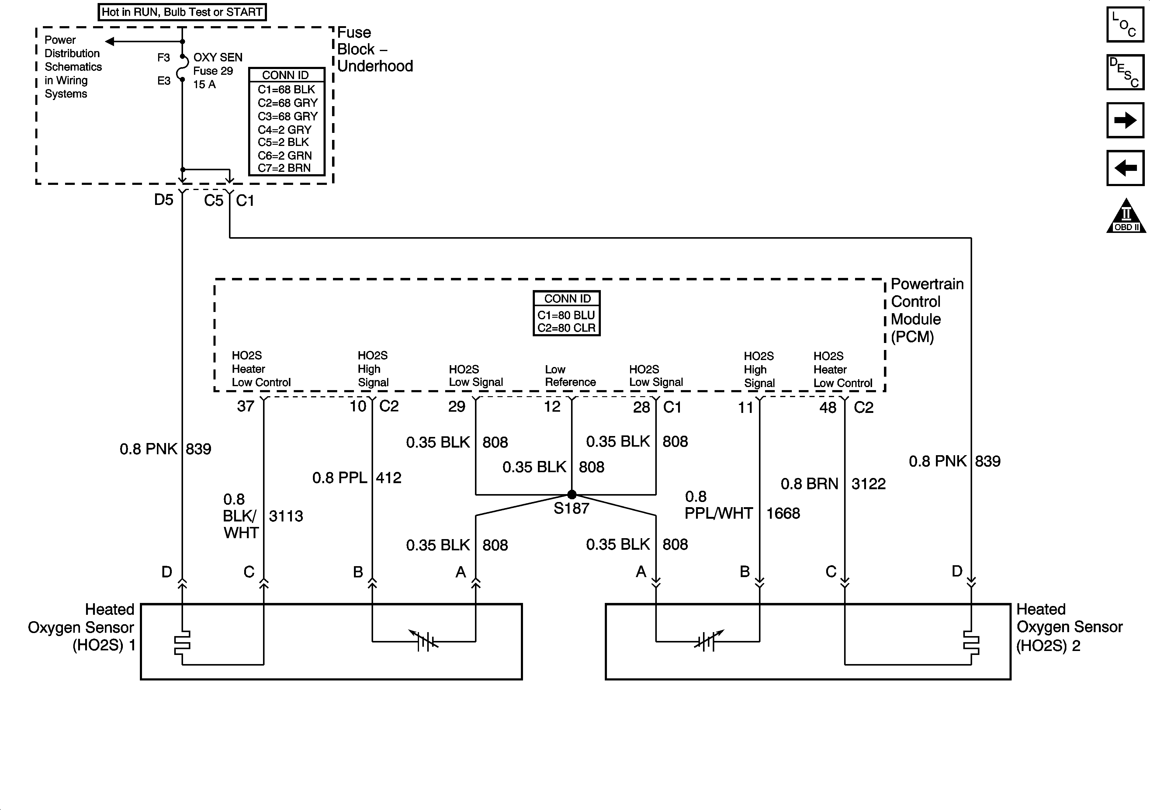
Engine Data Sensors - HO2S
Engine Data Sensors - Pressure and Temperature
OBD II Symbol Description Notice
Fuse Block - Underhood B+ Bus
Fuse Block - Underhood ENG EMIS Fuse
G100, G113, and G171
G100, G113, and G171
Gages
Fluid Pressure Manual Valve Position Switch, ISS Sensor, and VSS
Engine Controls Schematic Icons
Figure 6:

Engine Data Sensors -- HO2S


Object Number: 1222522  Size: FS
Master Electrical Component List
Powertrain Control Module Description
Ignition Controls
Engine Data Sensors - MAF, VSS
OBD II Symbol Description Notice
Fuse Block - Underhood B+ Bus
Figure 7:

Ignition Controls


Object Number: 1222526  Size: FS
Master Electrical Component List
Electronic Ignition (EI) System Description
Fuel Pump Controls
Engine Data Sensors - HO2S
OBD II Symbol Description Notice
Fuse Block - Underhood B+ Bus
Figure 8:

Fuel Pump Controls


Object Number: 1222531  Size: FS
Master Electrical Component List
Fuel System Description
Fuel Injectors
Ignition Controls
OBD II Symbol Description Notice
Fuse Block - Underhood B+ Bus
G100, G113, and G171
G402, Page 1 of 2
Gages
G100, G113, and G171
Figure 9:

Fuel Injectors


Object Number: 805933  Size: FS
Master Electrical Component List
Fuel System Description
Fuel Controls - EVAP and FTP
Fuel Pump Controls
OBD II Symbol Description Notice
Fuse Block - Underhood B+ Bus
Figure 10:

Fuel Controls -- EVAP and FTP


Object Number: 1219269  Size: FS
Master Electrical Component List
Evaporative Emission Control System Description
IAC and EGR Device Controls
Fuel Injectors
OBD II Symbol Description Notice
Fuse Block - Underhood B+ Bus
Fuse Block - Underhood ENG EMIS Fuse
Gages
Compressor Controls
Compressor Controls
Figure 11:

IAC, EGR Device Controls


Object Number: 1275669  Size: FS
Master Electrical Component List
Powertrain Control Module Description
Title not found
Fuel Controls - EVAP and FTP
OBD II Symbol Description Notice
Fuse Block - Underhood B+ Bus
Fuse Block - Underhood B+ Bus
Figure 12:

Controlled/Monitored Subsystem References


Object Number: 805946  Size: FS
Master Electrical Component List
Powertrain Control Module Description
A/T Controls
Title not found
OBD II Symbol Description Notice
Compressor Controls
Compressor Controls
Compressor Controls
Compressor Controls
Compressor Controls
Engine Cooling Schematics
Charging
Indicators, Page 2 of 2
Cruise Control Schematics
Starting
Stop Lamp and Torque Signals
Figure 13:

Automatic Transmission Controls


Object Number: 850716  Size: FS
Master Electrical Component List
Powertrain Control Module Description
Controlled/Monitored Subsystem References
OBD II Symbol Description Notice
Solenoid Controls and TFT Sensor
Internal Mode Switch (IMS)
Fluid Pressure Manual Valve Position Switch, ISS Sensor, and VSS
Solenoid Controls and TFT Sensor
Fluid Pressure Manual Valve Position Switch, ISS Sensor, and VSS