GM Service Manual Online
For 1990-2009 cars only
Makes
🢒
Buick
🢒
2004
🢒
Regal
🢒 Mirror, Dome, and Courtesy/Reading Lamps
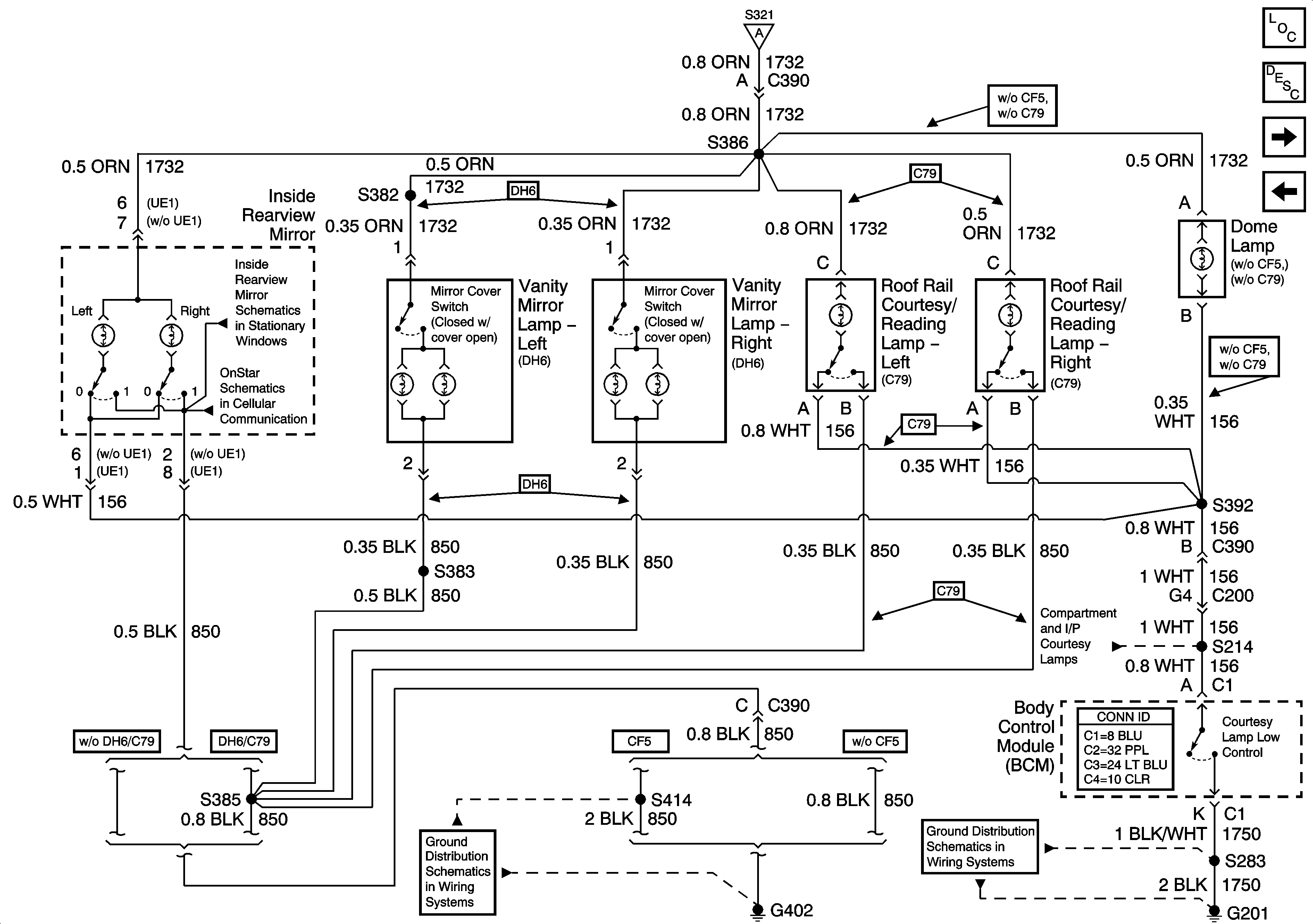
Mirror, Dome, and Courtesy/Reading Lamps
Mirror, Dome and Courtesy/Reading Lamps
Master Electrical Component List
Interior Lighting Systems Description and Operation
Rear Compartment Courtesy Lamp w/Entrapment Protection
I/P Courtesy Lamps
I/P Courtesy Lamps
Inside Rearview Mirror Schematics
Inputs and Outputs
I/P Courtesy Lamps
G402, Page 1 of 2
G201