GM Service Manual Online
For 1990-2009 cars only
Makes
🢒
Buick
🢒
2004
🢒
Regal
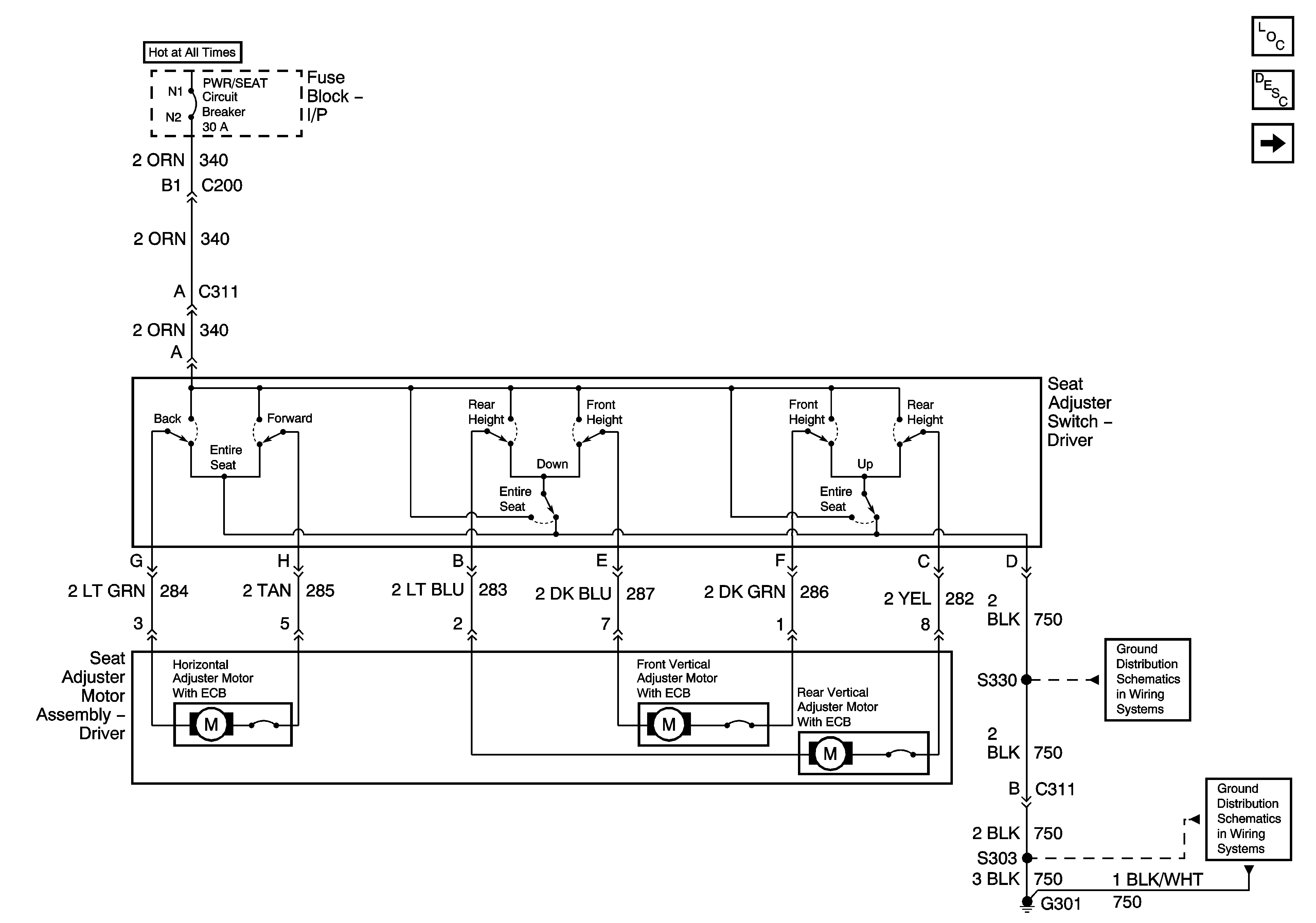
🢒 6-way Power Controls
6-way Power Controls
6-Way Power Controls
Master Electrical Component List
Power Seats System Description and Operation
Heat Controls
G301, Page 2 of 2
G301, Page 1 of 2