GM Service Manual Online
For 1990-2009 cars only
Makes
🢒
Buick
🢒
2004
🢒
Regal
🢒 Heat Controls
Heat Controls
Heat Controls
Master Electrical Component List
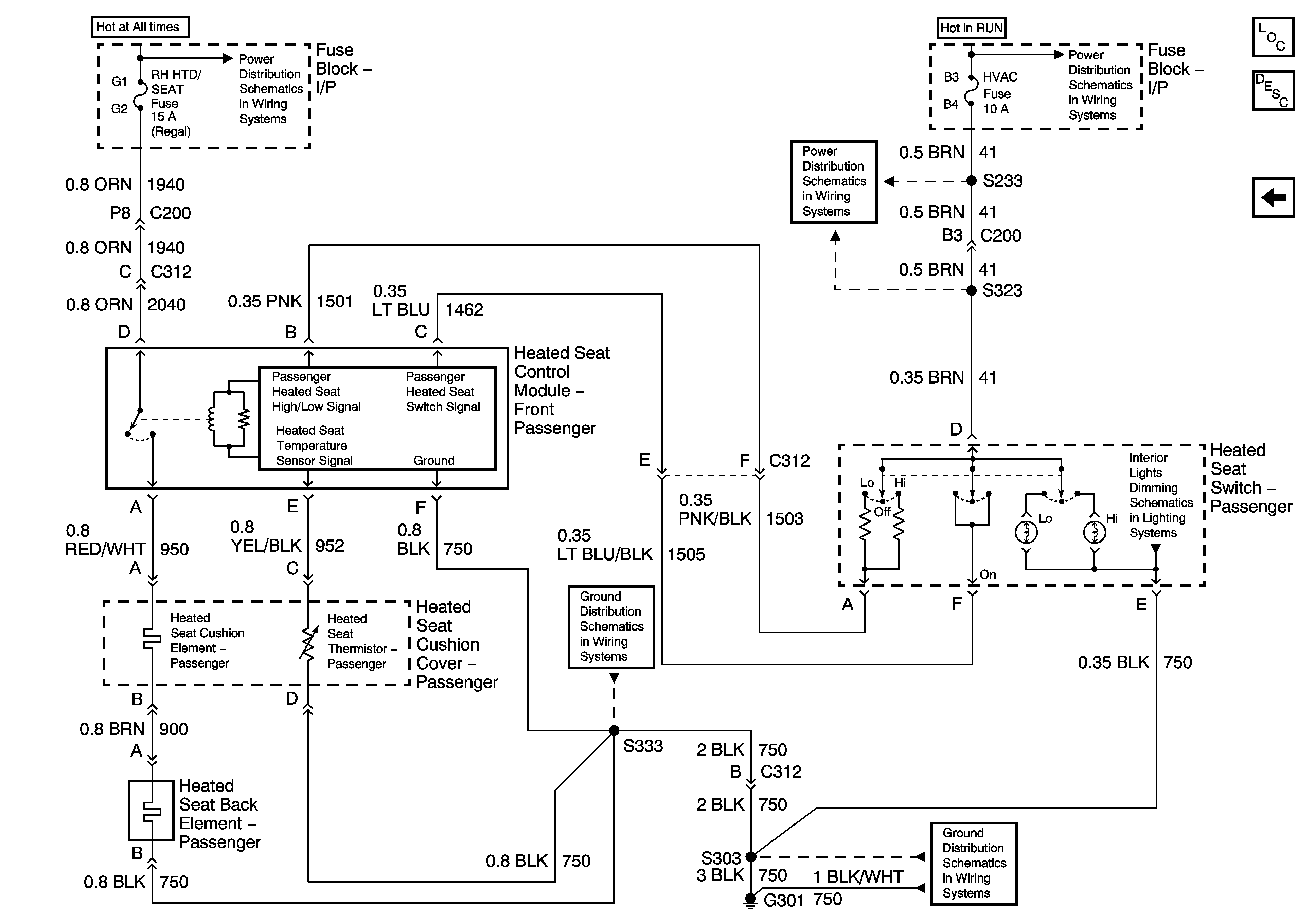
Heated Seats Description and Operation
6-way Power Controls
Fuse Block - Underhood BAT 3 Fuse, Fuse Block - I/P ONSTAR, HTD SEAT Fuses, R/DEFOG and PWR/SEAT Circuit Breakers
Fuse Block - I/P LOW BLWER, CRUISE, HVAC Fuses
Fuse Block - I/P LOW BLWER, CRUISE, HVAC Fuses
Door and Seat Switches
G301, Page 2 of 2
G301, Page 1 of 2