GM Service Manual Online
For 1990-2009 cars only

Camshaft Cover Removal LDK


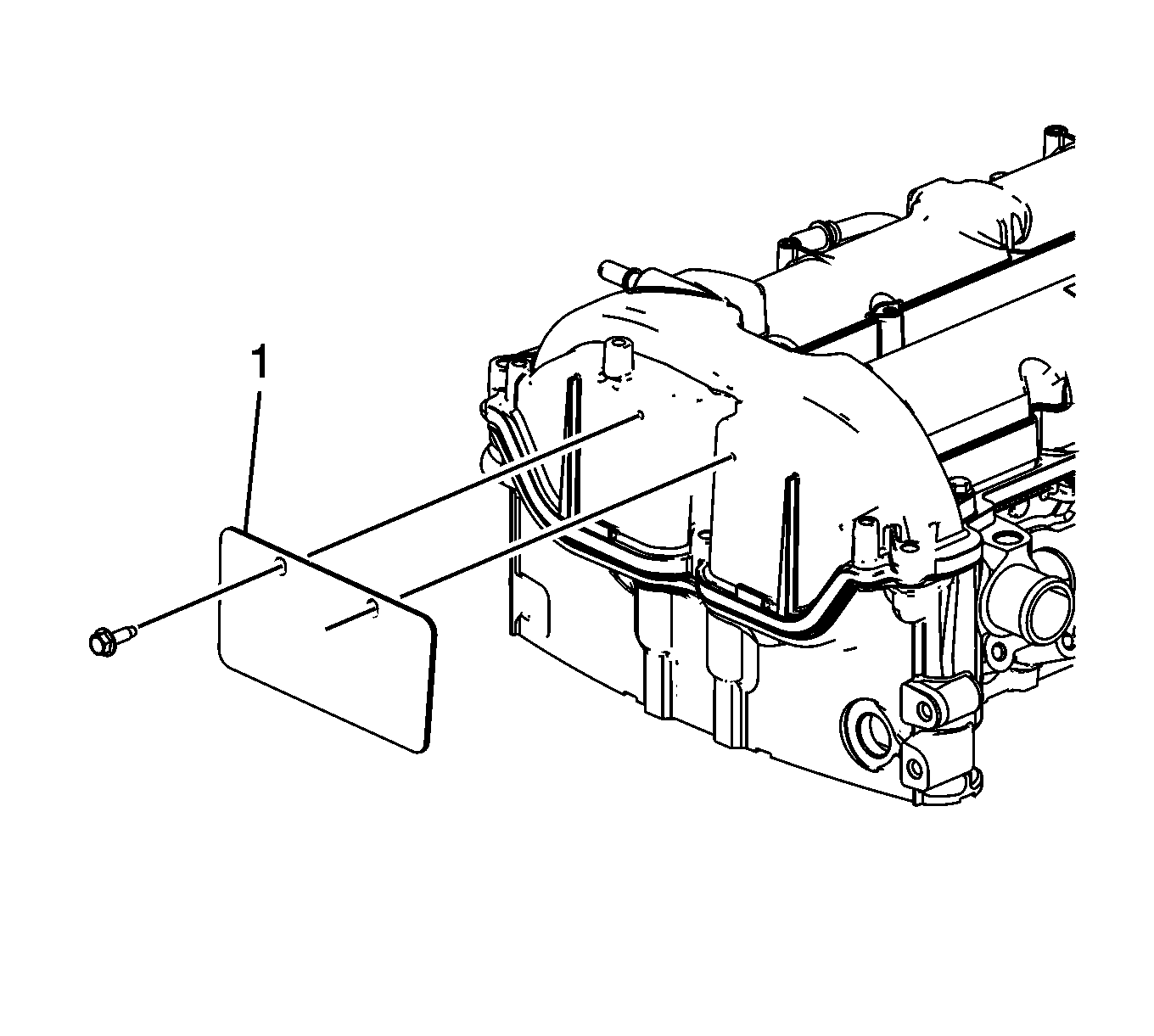
    Object Number: 2074579  Size: SH
  1. Remove the rear lift bracket bolts and rear lift bracket (1).

  2. Object Number: 2084182  Size: SH
  3. Remove the front lift bracket bolts and front lift bracket (1).

  4. Object Number: 2074524  Size: SH
  5. Remove the bolt and coil (1).

  6. Object Number: 2074525  Size: SH
  7. Remove the camshaft housing cover insulator bolts.
  8. Remove the camshaft housing cover insulator (1).

  9. Object Number: 2074528  Size: SH

    Note: The PCV hose should not be disconnected from the camshaft cover as damage to the hose connection will result.

  10. Remove the camshaft cover assembly (1).
  11. Remove and discard the camshaft cover gasket, camshaft cover grommets, and camshaft cover bolts if they are serviced with the grommets.

Camshaft Cover Removal LTD, LE5


    Object Number: 2128098  Size: SH
  1. Remove the camshaft cover ground strap (1).

  2. Object Number: 2148457  Size: SH
  3. Remove the front lift bracket (1).

  4. Object Number: 2128099  Size: SH
  5. Remove the rear lift bracket (1).

  6. Object Number: 2128109  Size: SH
  7. Remove the bolt and coil (1).
  8. Remove the camshaft position actuator solenoid valve bolts.
  9. Remove the camshaft position actuator solenoid valves (2).

  10. Object Number: 2128106  Size: SH
  11. Remove the camshaft cover assembly (1).
  12. Remove and discard the camshaft cover gasket, camshaft cover grommets, and camshaft cover bolts if they are serviced with the grommet.