GM Service Manual Online
For 1990-2009 cars only

Cylinder Head Removal LDK

Special Tools

EN-38188 Cylinder Head Broken Bolt Extractor Kit

For equivalent regional tools, refer to Special Tools.


    Object Number: 2074554  Size: SH
  1. Remove the cylinder head to the block bolts in sequence. Discard the bolts.

  2. Object Number: 2074558  Size: SH

    Caution: In order to prevent damage to the valves and injectors during cylinder head removal, set the cylinder head on blocks.

  3. Remove the cylinder head (1).
  4. Remove the cylinder head gasket (2).
  5. Clean all of the gasket surfaces.
  6. Use the following procedures when cleaning the cylinder head and cylinder block surfaces:
  7. •  Use a razor blade gasket scraper to clean the cylinder head and cylinder block gasket surfaces. Do not scratch or gouge any surface.

       Note: Do not use any other method or technique to clean these gasket surfaces.

    • Use a new razor blade for each cylinder head and cylinder block.

       Note: Be careful not to gouge or scratch the gasket surfaces. Do not gouge or scrape the combustion chamber surfaces. The feel of the gasket surface is important, not the appearance. There will be indentations from the gasket left in the cylinder head after all of the gasket material is removed. These small indentations will be filled in by the new gasket.

    • Hold the razor blade as parallel to the gasket surface as possible.

    Note: Do not use a tap to clean the cylinder head bolt holes.

  8. Clean the old sealer/lube and dirt from the bolt holes.
  9. Clean the bolt holes with a nylon bristle brush.
  10. Warning: Wear safety glasses to avoid injury when using compressed air or any cleaning solvent. Bodily injury may occur if fumes are inhaled or if skin is exposed to chemicals.

  11. When cleaning the cylinder head bolt holes use a suitable commercial spray liquid solvent and compressed air from an extended-tip blow gun to reach the bottom of the holes.
  12. Remove any broken long cylinder head bolts using the EN-38188 extractor kit .

Cylinder Head Removal LTD

Special Tools

EN-38188 Cylinder Head Broken Bolt Extractor Kit

For equivalent regional tools, refer to Special Tools.


    Object Number: 2128102  Size: SH
  1. Remove the cylinder head to the block bolts in sequence.
  2. Discard the bolts.


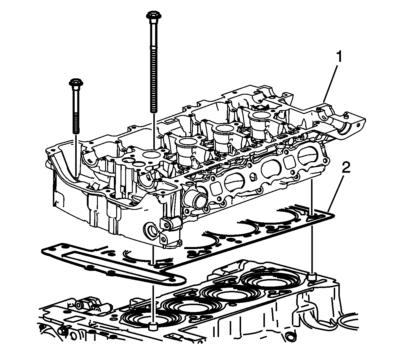
    Object Number: 2148512  Size: SH
  3. Remove the cylinder head (1).
  4. Remove the cylinder head gasket (2).
  5. Clean all of the gasket surfaces.
  6. Use the following procedures when cleaning the cylinder head and cylinder block surfaces:
  7. •  Use a razor blade gasket scraper to clean the cylinder head and cylinder block gasket surfaces. Do not scratch or gouge any surface.

       Note: Do not use any other method or technique to clean these gasket surfaces.

    • Use a new razor blade for each cylinder head and cylinder block.

       Note: Be careful not to gouge or scratch the gasket surfaces. Do not gouge or scrape the combustion chamber surfaces. The feel of the gasket surface is important, not the appearance. There will be indentations from the gasket left in the cylinder head after all of the gasket material is removed. These small indentations will be filled in by the new gasket.

    • Hold the razor blade as parallel to the gasket surface as possible.

    Note: Do not use a tap to clean the cylinder head bolt holes.

  8. Clean the old sealer/lube and dirt from the bolt holes.
  9. Clean the bolt holes with a nylon bristle brush.
  10. Warning: Wear safety glasses to avoid injury when using compressed air or any cleaning solvent. Bodily injury may occur if fumes are inhaled or if skin is exposed to chemicals.

  11. When cleaning the cylinder head bolt holes use a suitable commercial spray liquid solvent and compressed air from an extended-tip blow gun to reach the bottom of the holes.
  12. Remove any broken long cylinder head bolts using the EN-38188 extractor kit .