GM Service Manual Online
For 1990-2009 cars only

Oil Pan Removal LDK


    Object Number: 2146304  Size: SH
  1. Remove the oil pan bolts.
  2. Remove the oil pan (1) at pry points.

  3. Object Number: 2074562  Size: SH
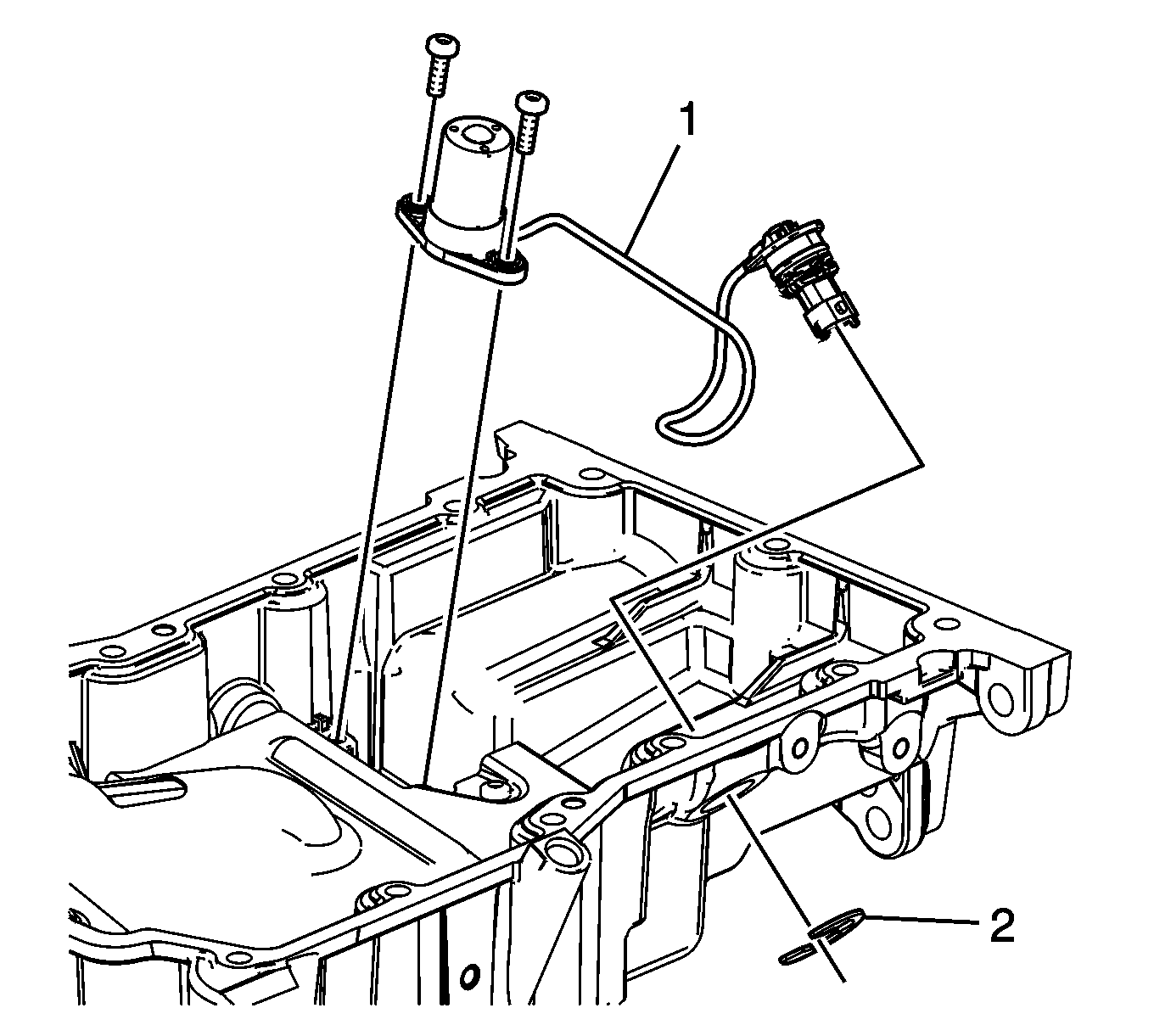
  4. Remove the engine oil level sensor retainer ring (2).
  5. Remove the oil level indicator plate bolts.
  6. Remove the engine oil level sensor assembly (1).

Oil Pan Removal LTD/LE5


    Object Number: 2146304  Size: SH
  1. Remove the oil pan bolts.
  2. Remove the oil pan (1) at pry points.