GM Service Manual Online
For 1990-2009 cars only

    Object Number: 2146308  Size: SH
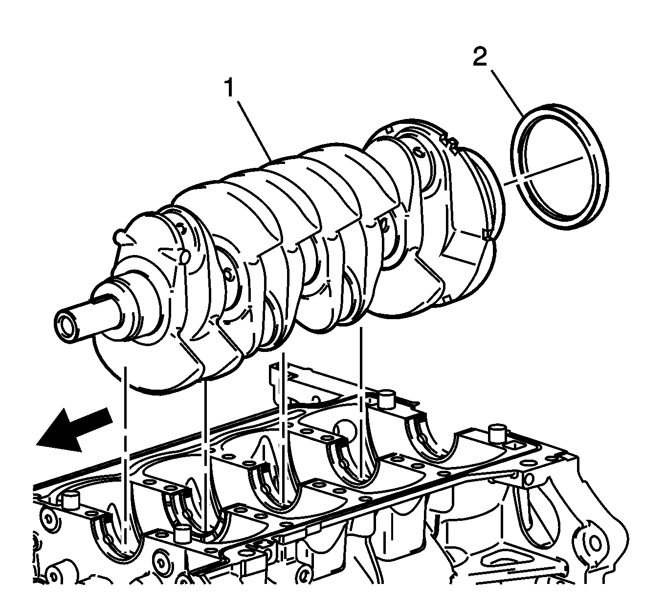
  1. Remove the crankshaft (1) from the block.
  2. Remove the crankshaft rear oil seal (2) from the block.

  3. Object Number: 2146309  Size: SH
  4. Remove the bearing inserts (1) from the block (2).

  5. Object Number: 2146310  Size: SH
  6. Remove the bearing inserts (1) from the bed plate (2).
  7. Clean the oil, sludge, and carbon.
  8. Inspect the oil passages for obstructions.
  9. Inspect the threads.
  10. Inspect the bearing journals and the thrust surfaces for the following conditions:
  11. • Cracks
    • Chips
    • Gouges
    • Roughness
    • Grooves
    • Overheating (discoloration)
  12. Inspect the corresponding bearing inserts for imbedded foreign material. If foreign material exists find the cause and repair it.
  13. Note: Replace the crankshaft if cracks, severe gouges or burned spots are found. Slight roughness may be removed with a fine polishing cloth soaked in clean engine oil. Burrs may be removed with a fine oil stone.

  14. Measure the crankshaft journals. Use a micrometer or dial indicator to measure the taper and runout. Note the result for the later selection of bearing inserts. If not within limits the crankshaft must be replaced.
  15. Note the location of the main bearing high spots. If they are not in line, the crankshaft is bent and must be replaced.