GM Service Manual Online
For 1990-2009 cars only

Cylinder Head Disassemble LDK

Special Tools

    • EN-8062 Valve Spring Compressor
    • EN-36017 Valve Seal Remover
    • EN-43963 Valve Spring Compressor (off car)

For equivalent regional tools, refer to Special Tools.


    Object Number: 2146350  Size: SH
  1. Remove the intake camshaft position sensor (1) and bolt.

  2. Object Number: 2074565  Size: SH

    Note: Ensure that the valve train components are kept together and identified in order for proper installation in their original position.

  3. Using the EN-8062 compressor and the EN-43963 compressor , compress the valve spring.
  4. Remove the valve keys (1).
  5. Slowly release the EN-8062 compressor and the EN-43963 compressor from the valve spring assembly.
  6. Remove the retainer (2).

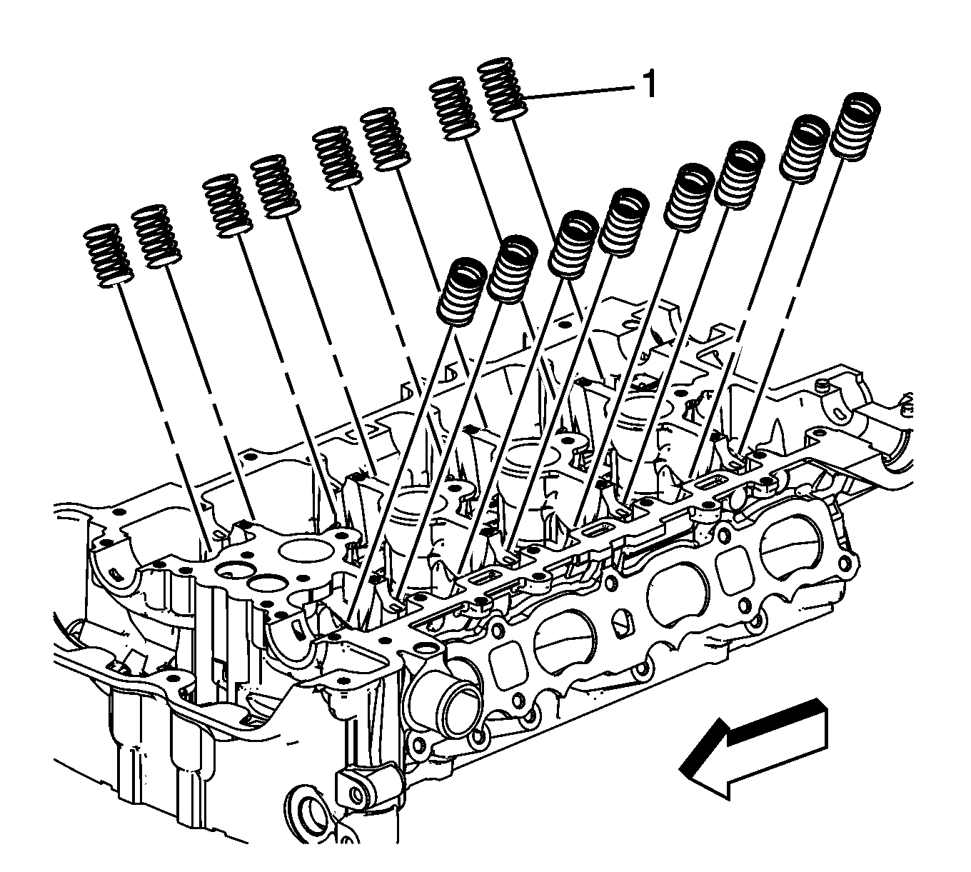
  7. Object Number: 2074567  Size: SH
  8. Remove the springs (1).

  9. Object Number: 2074568  Size: SH

    Caution: Do not damage the valve guide. Remove any burrs that have formed at the key groove by chamfering the valve stem with an oil stone or a file.

  10. Using the EN-36017 remover , remove the valve seals (1). Do not reuse the valve seal.

  11. Object Number: 2146351  Size: SH
  12. Remove the valves (1).

  13. Object Number: 2074571  Size: SH
  14. Remove the cylinder head plugs (1).

Cylinder Head Disassemble LTD

Special Tools

    • EN-8062 Valve Spring Compressor
    • EN-36017 Valve Seal Remover
    • EN-43963 Valve Spring Compressor (off car)

For equivalent regional tools, refer to Special Tools.


    Object Number: 2128103  Size: SH
  1. Remove the coolant air bleed hose fitting (1).

  2. Object Number: 2148527  Size: SH

    Note: Ensure that the valve train components are kept together and identified in order for proper re-installation in their original position.

  3. Using the EN-8062 compressor and the EN-43963 compressor (off car) , compress the valve spring.
  4. Remove the valve keys (1).
  5. Slowly release the EN-8062 compressor and the EN-43963 compressor (off car) from the valve spring assembly.
  6. Remove the retainer (2).

  7. Object Number: 2148529  Size: SH
  8. Remove the springs (1).

  9. Object Number: 2148530  Size: SH

    Caution: Do not damage the valve guide. Remove any burrs that have formed at the key groove by chamfering the valve stem with an oil stone or a file.

  10. Remove the valve seals (1). Use the J 36017 remover . Do not reuse.

  11. Object Number: 2148531  Size: SH
  12. Remove the valves (1).

  13. Object Number: 2128104  Size: SH
  14. Remove the cylinder head plugs (1).