GM Service Manual Online
For 1990-2009 cars only
Makes
🢒
Buick
🢒
2009
🢒
Regal
🢒
Engine
🢒
Engine Mechanical - 2.0L
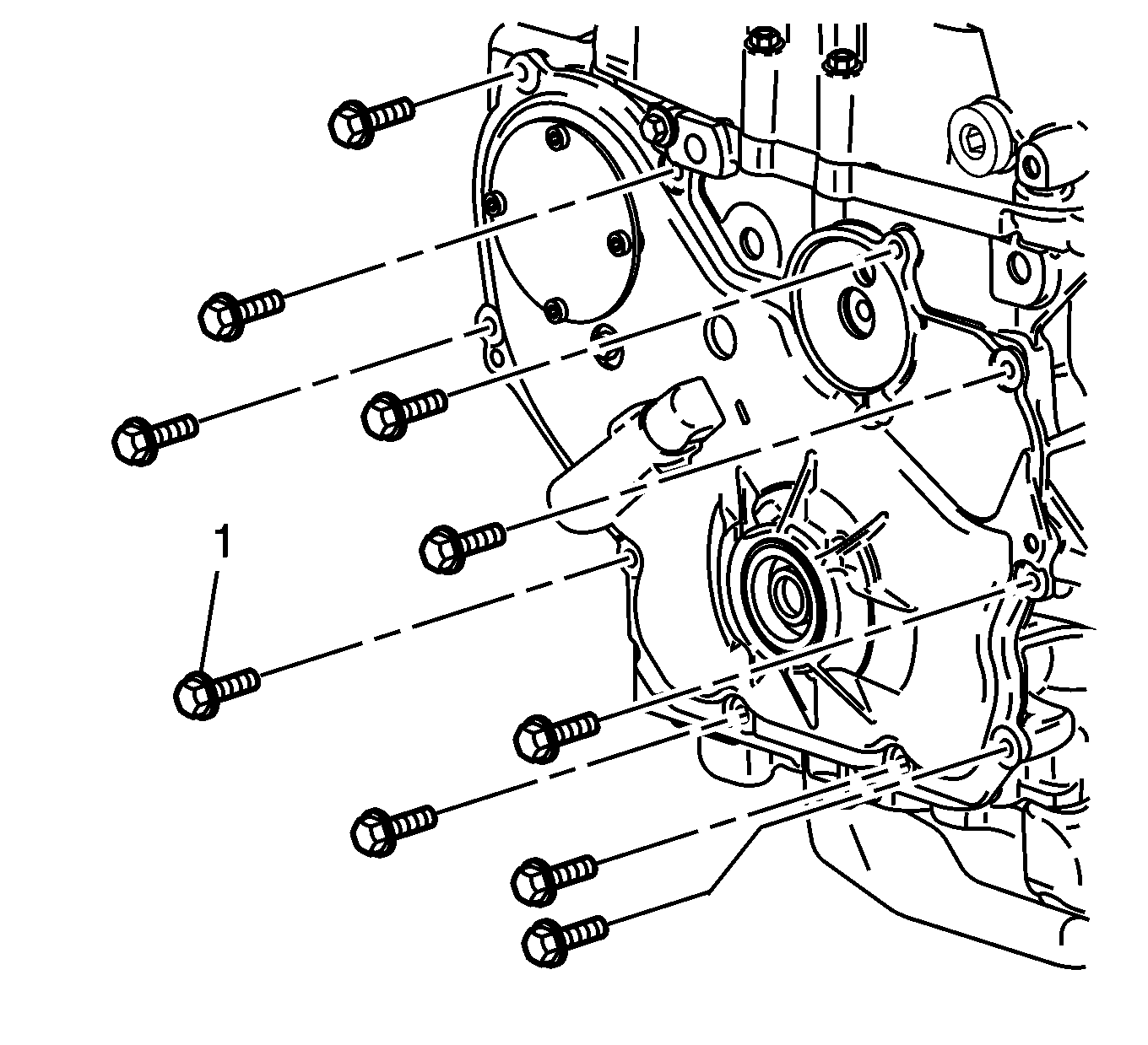
🢒 Engine Front Cover and Oil Pump Installation
Install the engine front cover (1) with a new gasket (2).
Caution:
Refer to
Fastener Caution
in the Preface section.
Install the long water pump bolt and tighten to
25 N·m (18 lb ft)
.
Install the engine front cover bolts (1) and tighten to
25 N·m (18 lb ft)
.
Install the accessory drive belt tensioner (1).
Install the accessory drive belt tensioner bolt and tighten to
45 N·m (33 lb ft)
.