GM Service Manual Online
For 1990-2009 cars only

Intake Manifold Installation LDK


    Object Number: 2141361  Size: SH
  1. Install a NEW intake manifold gasket (1).
  2. Install the intake manifold (2).
  3. Caution: Refer to Fastener Caution in the Preface section.

  4. Install the intake manifold bolts and nuts (3).
  5. 3.1. Tighten the intake manifold bolts to 25 N·m (18 lb ft).
    3.2. Tighten the intake manifold nuts to 22 N·m (16 lb ft).

    Object Number: 2141358  Size: SH
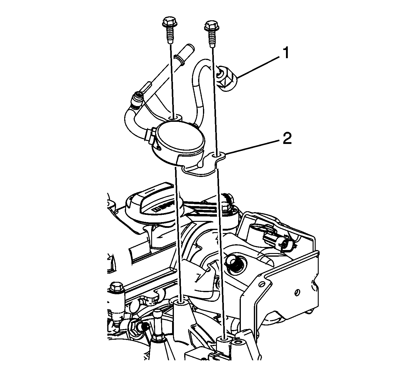
  6. Install the EVAP purge solenoid valve (4) and bolt (3). Tighten the bolt to 4 N·m (35 lb in).
  7. Install the MAP sensor (2) and bolt (1). Tighten the bolt to 4 N·m (35 lb in).

  8. Object Number: 2146270  Size: SH
  9. Install the intake manifold brace (2).
  10. Install the intake manifold brace bolt (1) and tighten to 25 N·m (18 lb ft).
  11. Connect the rear knock sensor to the intake manifold brace.

  12. Object Number: 2074512  Size: SH
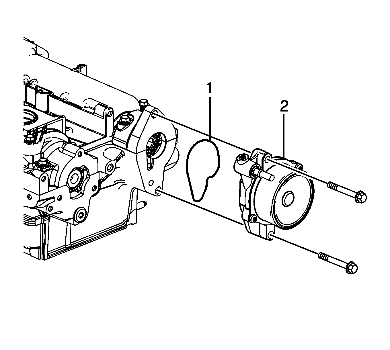
  13. Install the power brake booster pump NEW O-ring seal (1).
  14. Note: Ensure that the exhaust camshaft slotted insert is aligned with the power brake booster pump.

  15. Install the power brake booster pump (2).
  16. Install the power brake booster pump bolts and tighten to 22 N·m (16 lb ft).

  17. Object Number: 2146269  Size: SH
  18. Install the throttle body (1).
  19. Install the throttle body bolts (2) and tighten to 10 N·m (89 lb in).

  20. Object Number: 2146268  Size: SH
  21. Install the high pressure fuel pump noise insulator (1).
  22. Install the high pressure fuel pump cover (2).
  23. Install the high pressure fuel pump cover bolts and tighten to 10 N·m (89 lb in).

  24. Object Number: 2146267  Size: SH
  25. Lubricate the high pressure fuel pump fuel feed line connection threads with clean 5W30 engine oil.
  26. Install the fuel feed line. (2)
  27. Install the fuel feed line bolts.
  28. Connect the low pressure fuel line nut (1) and tighten to 30 N·m (22 lb ft)..
  29. Tighten the fuel feed line bolts to 10 N·m (89 lb in).

  30. Object Number: 2045492  Size: SH
  31. Install the charger AIR bypass valve tank assembly (1).
  32. Tighten the charger AIR bypass valve tanks assembly bolt to 25 N·m (18 lb ft).
  33. Install the charger AIR bypass valve tank assembly nut (2) and tighten to 25 N·m (18 lb ft).
  34. Note: Ensure proper connection of the charger AIR bypass tube assemblies and retaining clips to maintain proper pressure. Connect each tube to the appropriate location. The tube with retaining clamp located on the charger AIR bypass valve tank assembly left side connects to the charger AIR bypass valve solenoid. The right side, permanently attached tube connects to the intake manifold.

  35. Connect the appropriate charger AIR bypass tube assembly (3) to the intake manifold.

  36. Object Number: 2074510  Size: SH
  37. Install the charger AIR bypass valve solenoid (1) with charger AIR bypass tube assemblies.
  38. Install the charger AIR bypass valve solenoid bolts and tighten to 10 N·m (89 lb in).
  39. Note: Ensure proper connection of the charger AIR bypass tube assemblies and retaining clips to maintain proper pressure. Connect each tube to the appropriate location.

  40. Connect the charger AIR bypass tube assemblies and clips from the charger AIR bypass valve solenoid to the turbocharger and vehicle.
  41. Connect the final charger AIR Bypass tube assembly from the charger AIR bypass valve tank assembly to the charger AIR bypass valve solenoid.

Intake Manifold Installation LTD, LE5

    Caution: Refer to Fastener Caution in the Preface section.


    Object Number: 2148537  Size: SH
  1. Install the intake manifold studs (1) in the manifold face and tighten to 6 N·m (53 lb in).

  2. Object Number: 2148453  Size: SH
  3. Install a new intake manifold gasket on the intake manifold (1).
  4. Install the intake manifold.
  5. Install the intake manifold bolts and nuts. Follow the tightening sequence. Tighten the bolts and nuts to 10 N·m (89 lb in).

  6. Object Number: 2148447  Size: SH
  7. Lubricate NEW fuel injector tip insulators (1) with engine oil.
  8. Install NEW fuel injector tip insulators.

  9. Object Number: 2148442  Size: SH
  10. Lubricate the fuel injector oil rings with engine oil.
  11. Install the fuel rail assembly (1).
  12. Install the fuel rail fastener and tighten to 10 N·m (89 lb in).

  13. Object Number: 2148438  Size: SH
  14. Install a new throttle body gasket.
  15. Install the throttle body (1).
  16. Install the throttle body bolts and tighten to 10 N·m (89 lb in).

  17. Object Number: 2128097  Size: SH
  18. Install the EVAP canister valve (2) and tighten to 25 N·m (18 lb ft).
  19. Install the EVAP canister valve tube (1).