GM Service Manual Online
For 1990-2009 cars only

Fuel Rail and Injectors Removal LDK

Special Tools

    • DT-2619-01 Slide Hammer
    • EN-37281-A Injector Remover

For equivalent regional tools, refer to Special Tools.


    Object Number: 2146271  Size: SH
  1. Disconnect the electrical harness from the fuel rail harness connection.
  2. Remove the fuel injector noise insulator (1).

  3. Object Number: 2146272  Size: SH

    Warning: Fuel that flows out at high pressure can cause serious injury to the skin and eyes. ALWAYS depressurize the fuel system before removing components that are under high fuel pressure.

  4. Remove and discard the high pressure fuel line (1).

  5. Object Number: 2146273  Size: SH
  6. Disconnect all 4 fuel injector electrical connections.
  7. Remove the fuel rail bolts.
  8. Remove the fuel rail and injectors (1).

  9. Object Number: 2146274  Size: SH
  10. The injectors may stay in the cylinder head. Remove the fuel injector hold-down clamp before removing the injector.
  11. Use EN-37281-A remover  (2) and DT-2619-01 slide hammer to remove the injector (1).

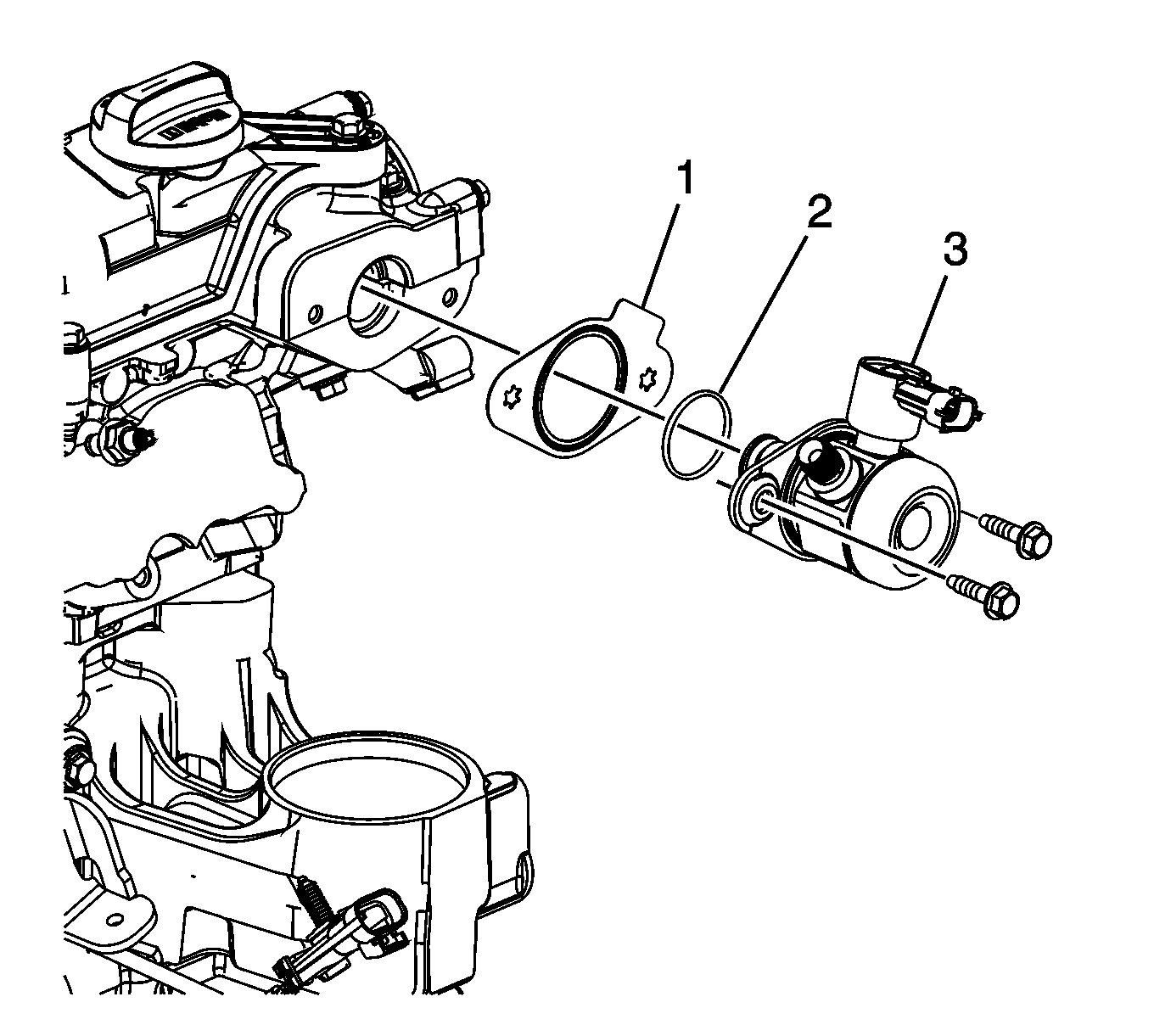
  12. Object Number: 2146275  Size: SH
  13. Remove the high pressure fuel pump bolts.
  14. Remove the high pressure fuel pump (3).
  15. Remove and discard the high pressure fuel pump gasket (1).
  16. Remove and discard the high pressure fuel pump O-ring (2).

  17. Object Number: 2146276  Size: SH
  18. Remove the high pressure fuel pump roller lifter (1).