GM Service Manual Online
For 1990-2009 cars only
Makes
🢒
Buick
🢒
2009
🢒
Regal
🢒
Diagnostic Navigation
🢒
Vehicle Diagnostic Information
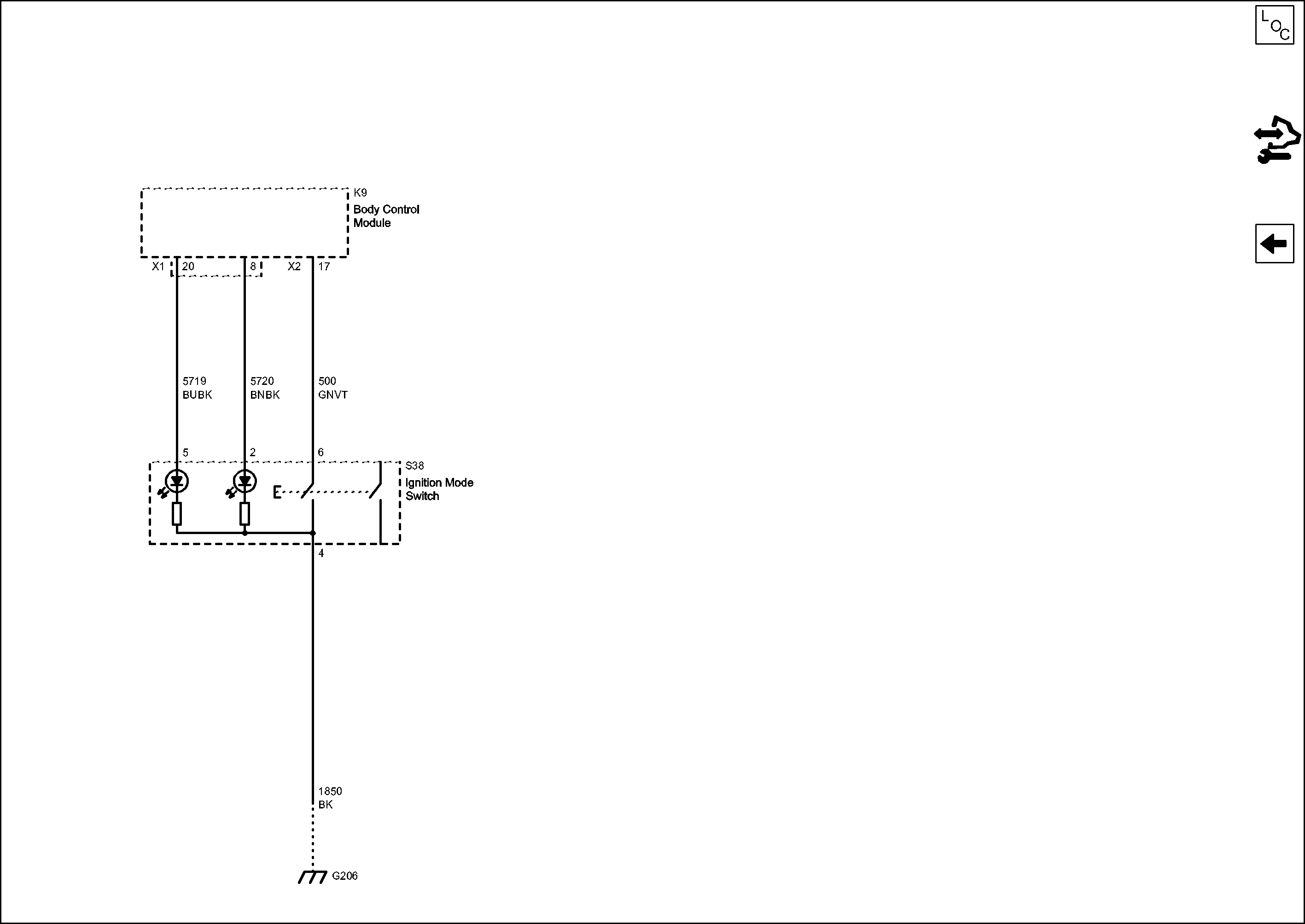
🢒 Power Moding Schematics
Figure
1:
Ignition Switch (-BTM)
Figure
2:
Ignition Switch (BTM)
Figure
3:
Logistic Mode Relay 1