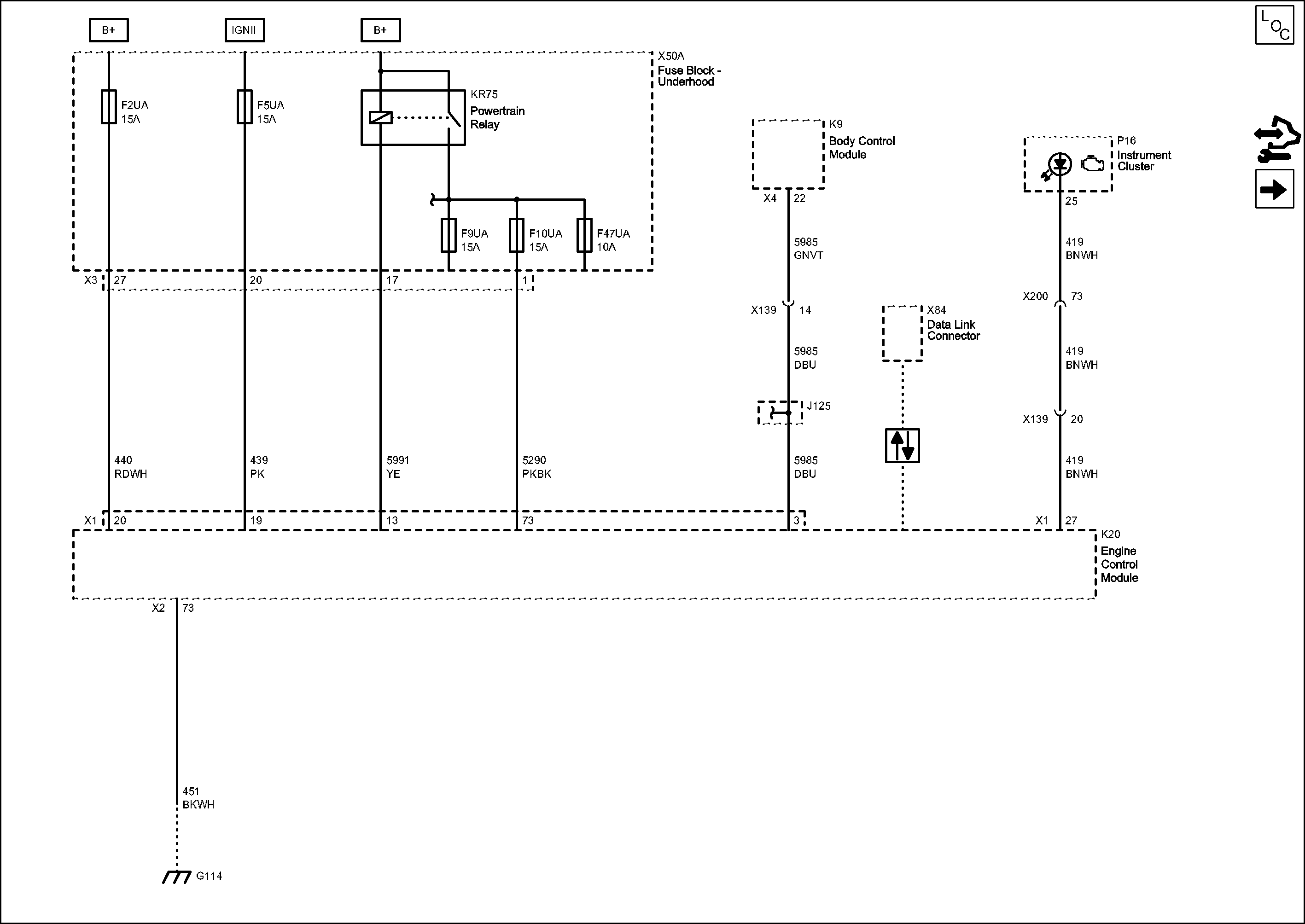
| Figure 1: |
Power, Ground, Serial Data and MIL
|
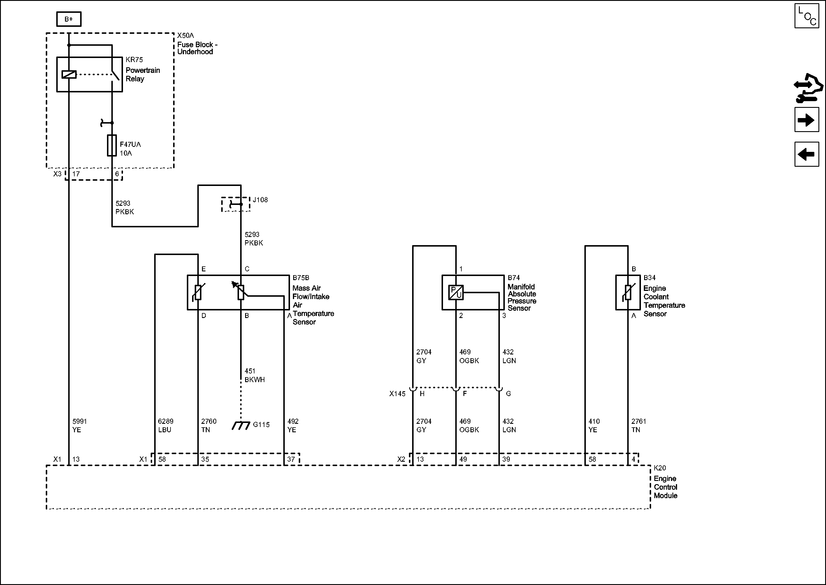
| Figure 2: |
Engine Data Sensors - MAF, Pressure and Temperature
|
| Figure 3: |
Engine Data Sensors - Throttle Controls
|
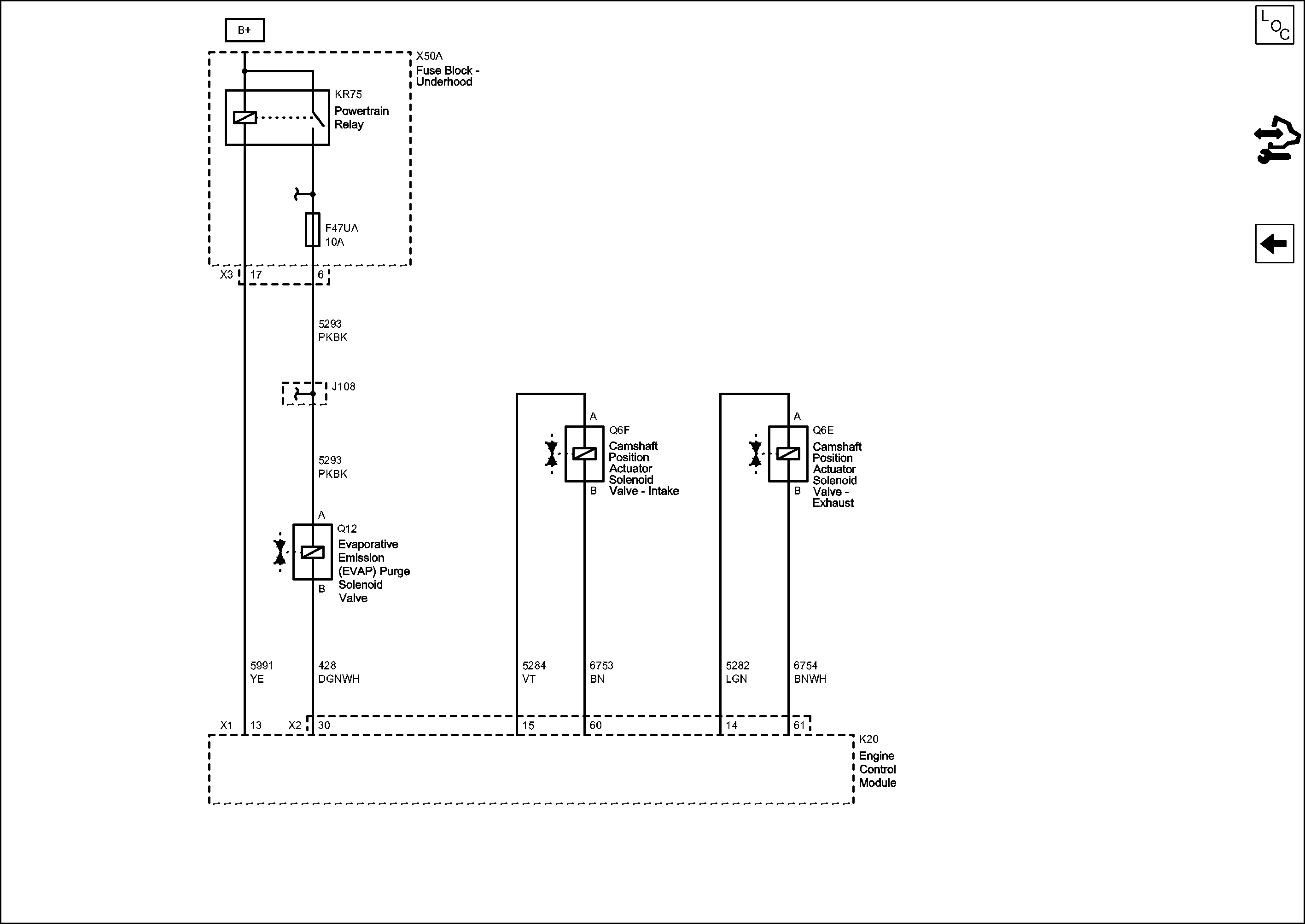
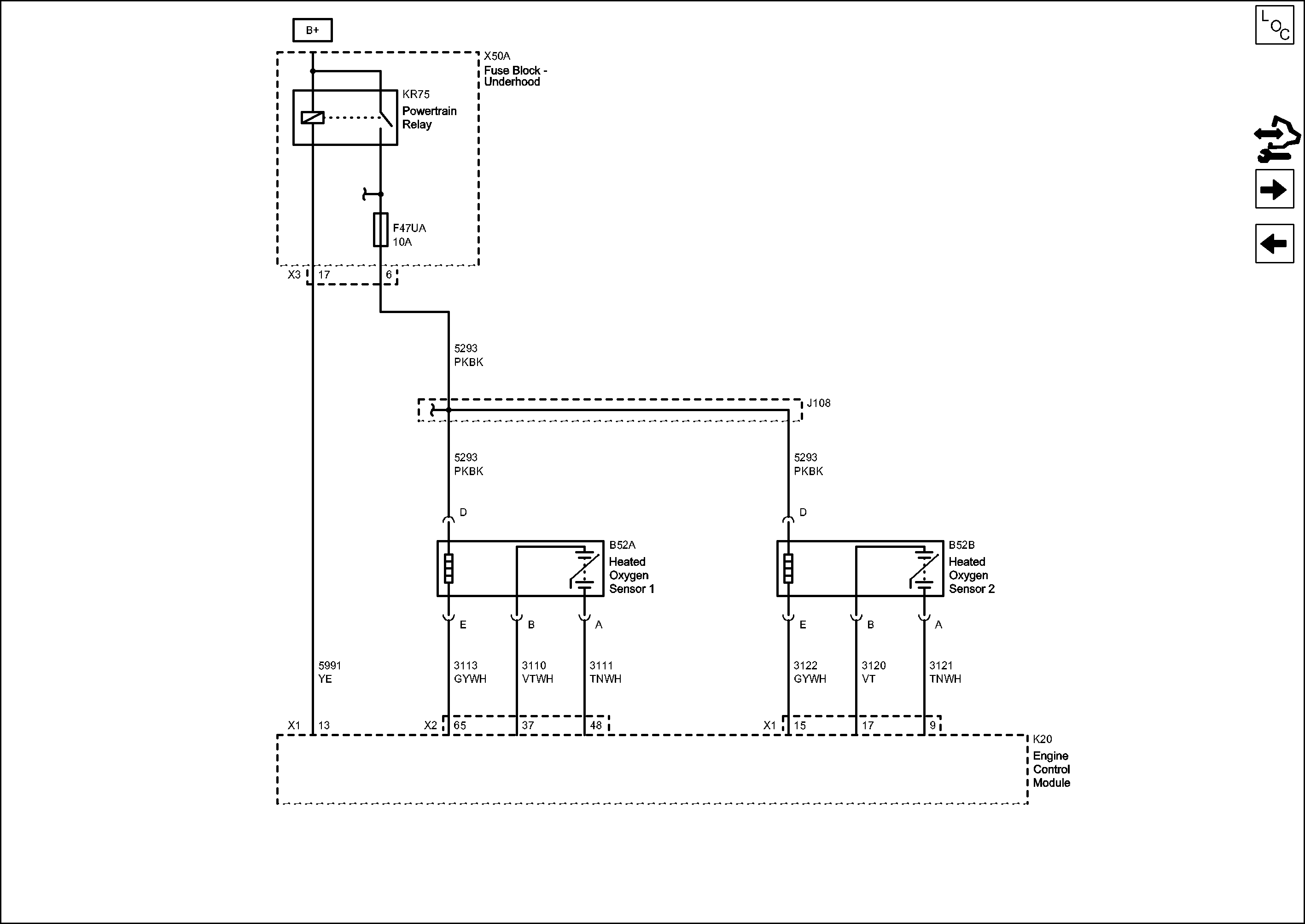
| Figure 4: |
Engine Data Sensors - Oxygen Sensors
|
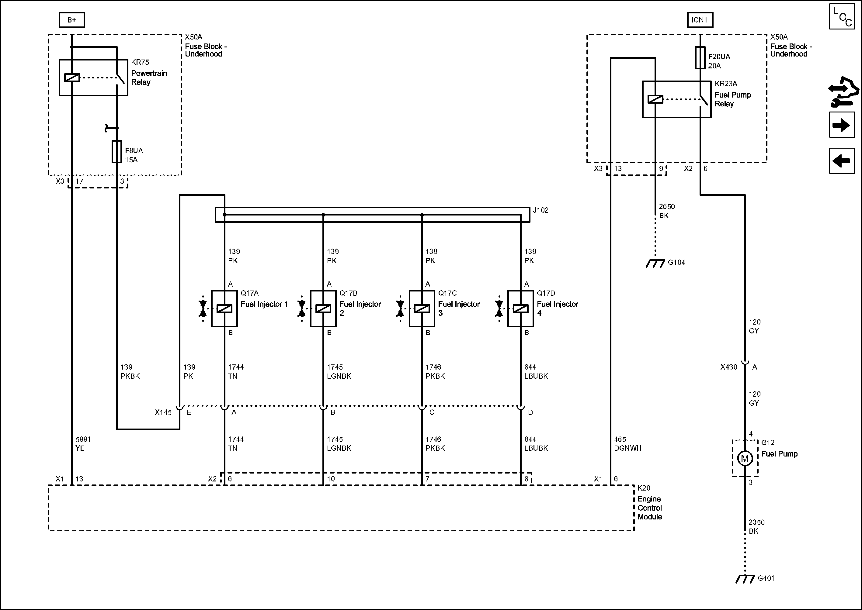
| Figure 5: |
Fuel Controls - Fuel Pump and Injectors
|
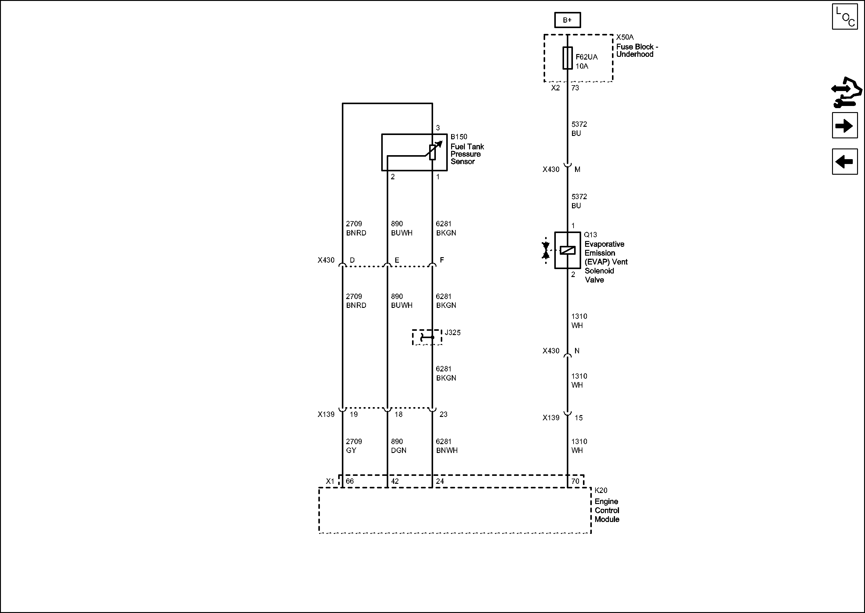
| Figure 6: |
Fuel Controls - Fuel Pressure Solenoid
|
| Figure 7: |
Ignition Controls - Ignition Sensors
|
| Figure 8: |
Ignition Controls - Ignition System
|
| Figure 9: |
Engine Data Sensors - Actuators
|