GM Service Manual Online
For 1990-2009 cars only
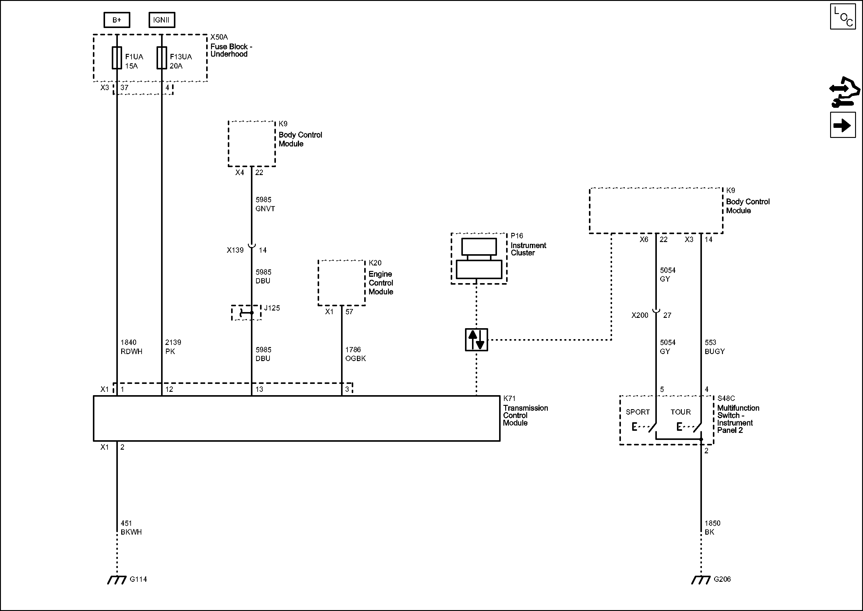
Figure 1:

Power, Ground and Serial Data


Object Number: 2180190  Size: FS
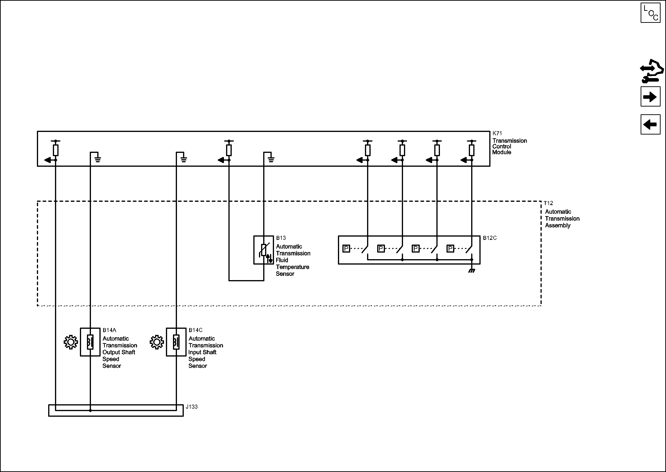
Figure 2:

Transmission Sensors and Switches


Object Number: 2180192  Size: FS
Figure 3:

Transmission Solenoids


Object Number: 2180193  Size: FS
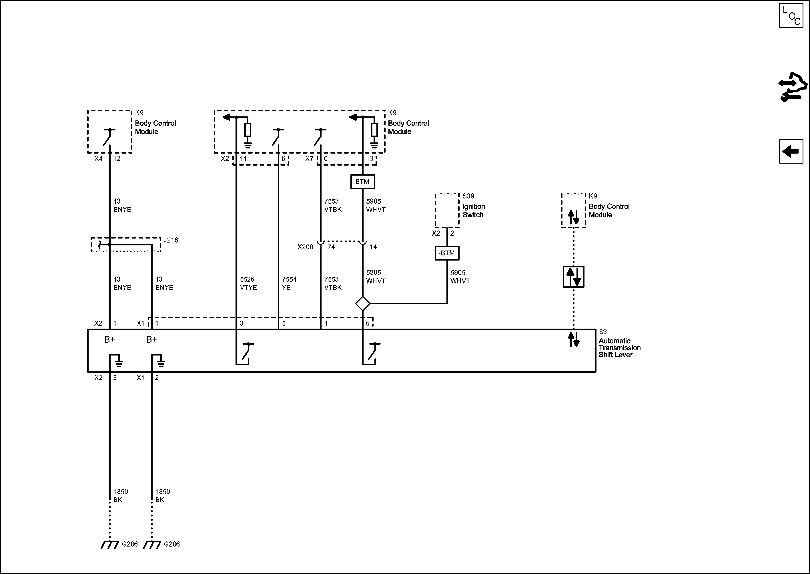
Figure 4:

Shift Lever Module


Object Number: 2180194  Size: FS