| Figure 1: |
B+ Bus
|
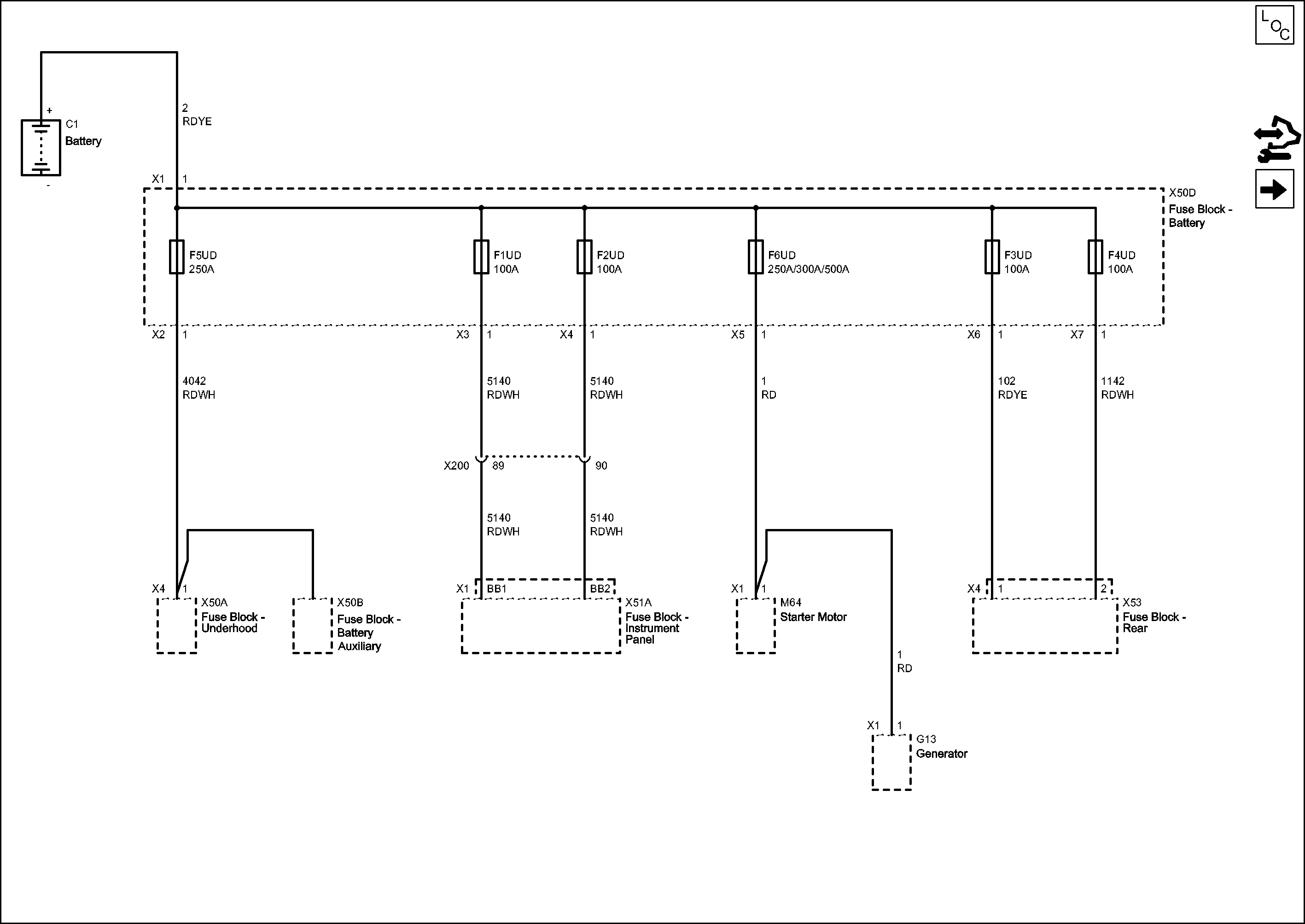
| Figure 2: |
B+ Bus UEC (1 of 3)
|
| Figure 3: |
B+ Bus UEC (2 of 3)
|
| Figure 4: |
B+ Bus UEC (3 of 3)
|
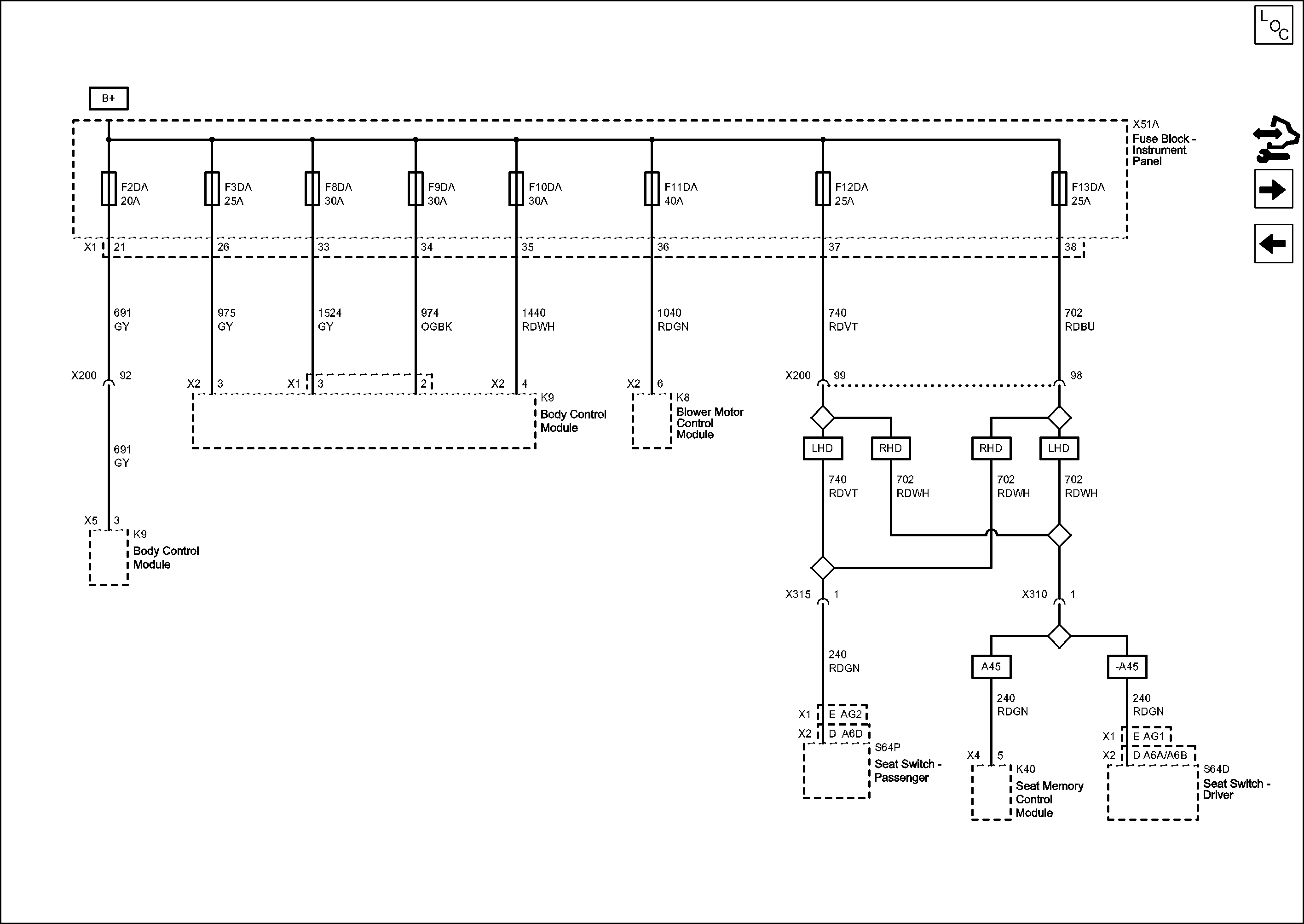
| Figure 5: |
B+ Bus IEC (1 of 2)
|
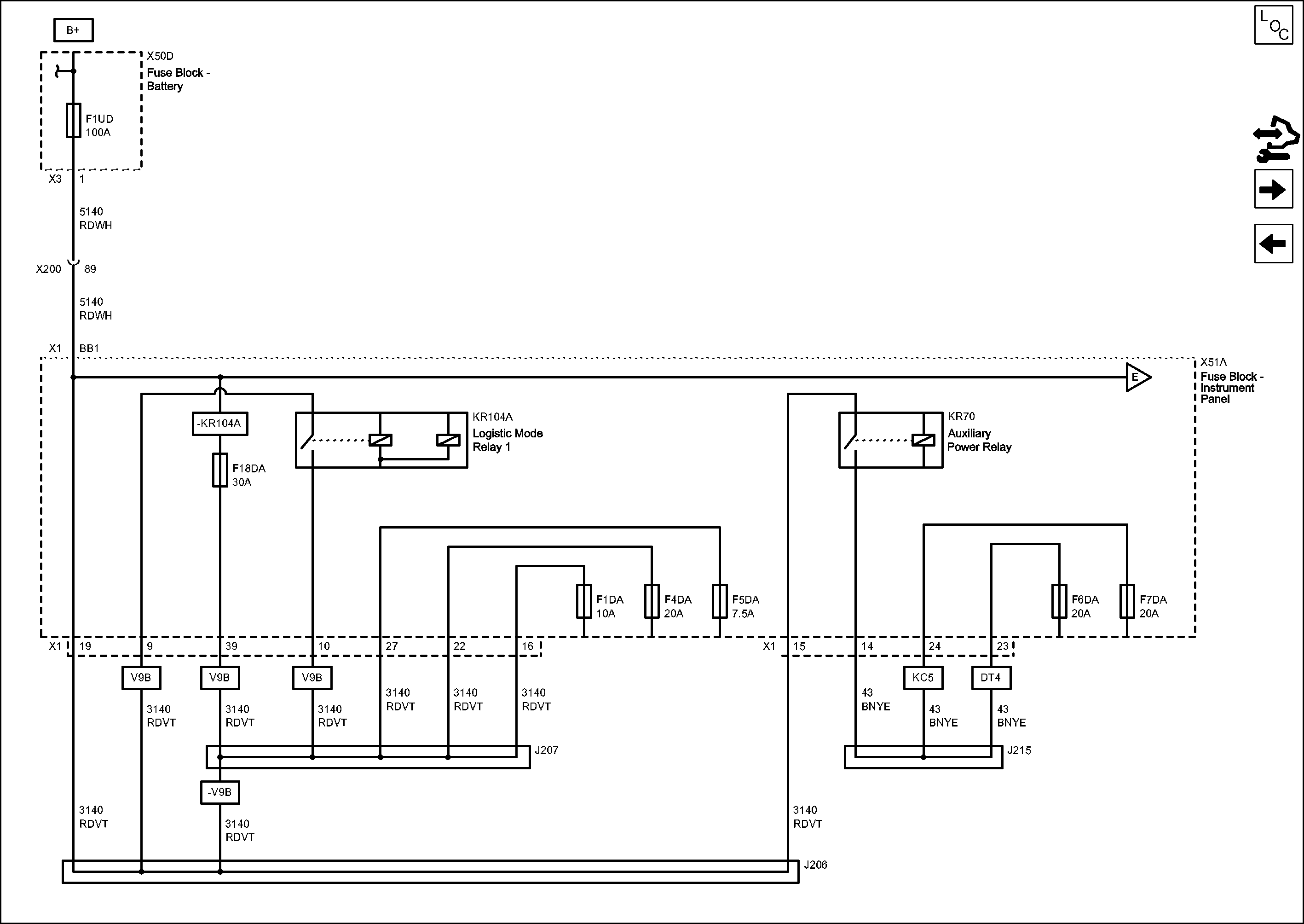
| Figure 6: |
B+ Bus IEC (2 of 2)
|
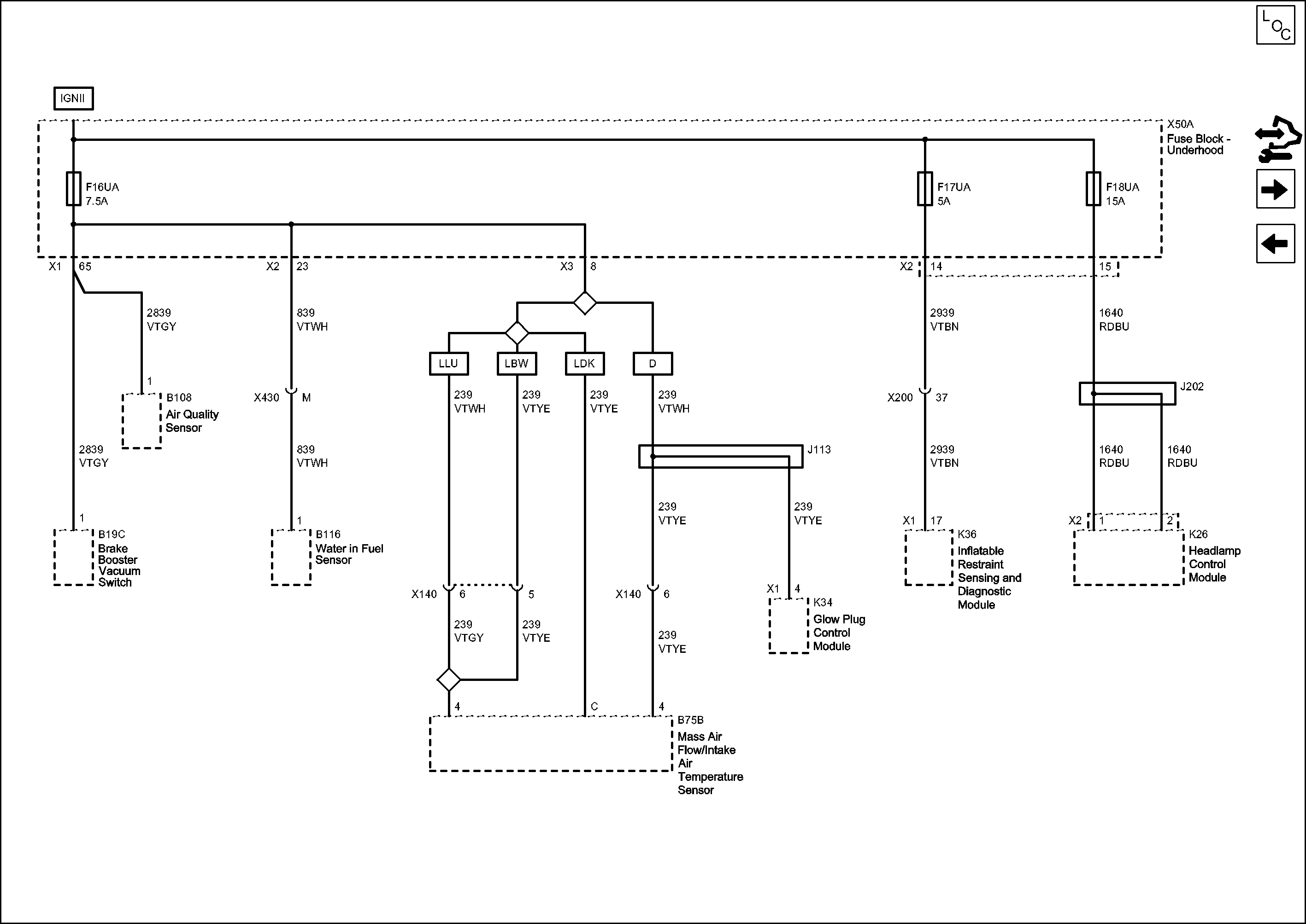
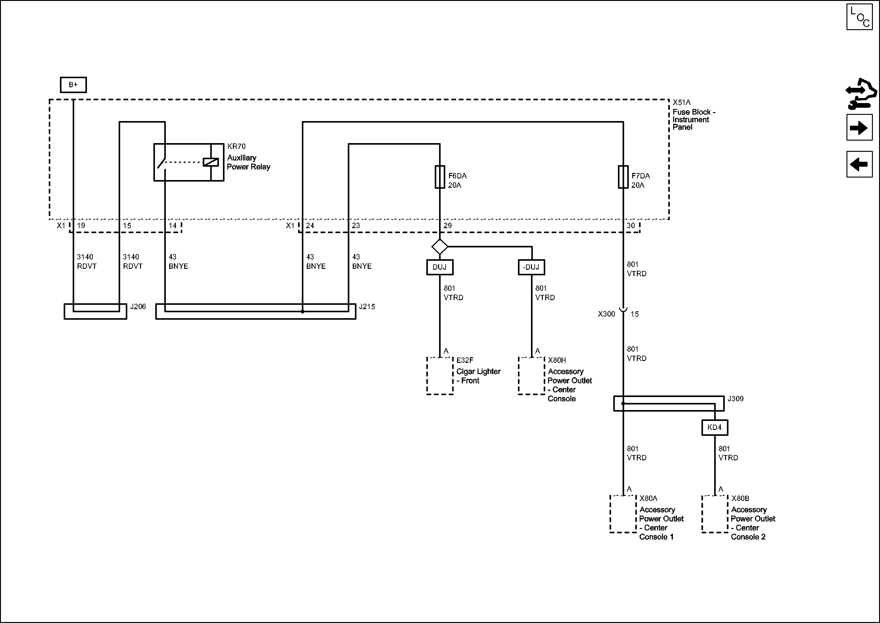
| Figure 7: |
IGN II - UEC
|
| Figure 8: |
F5UB and F6UB Fuses
|
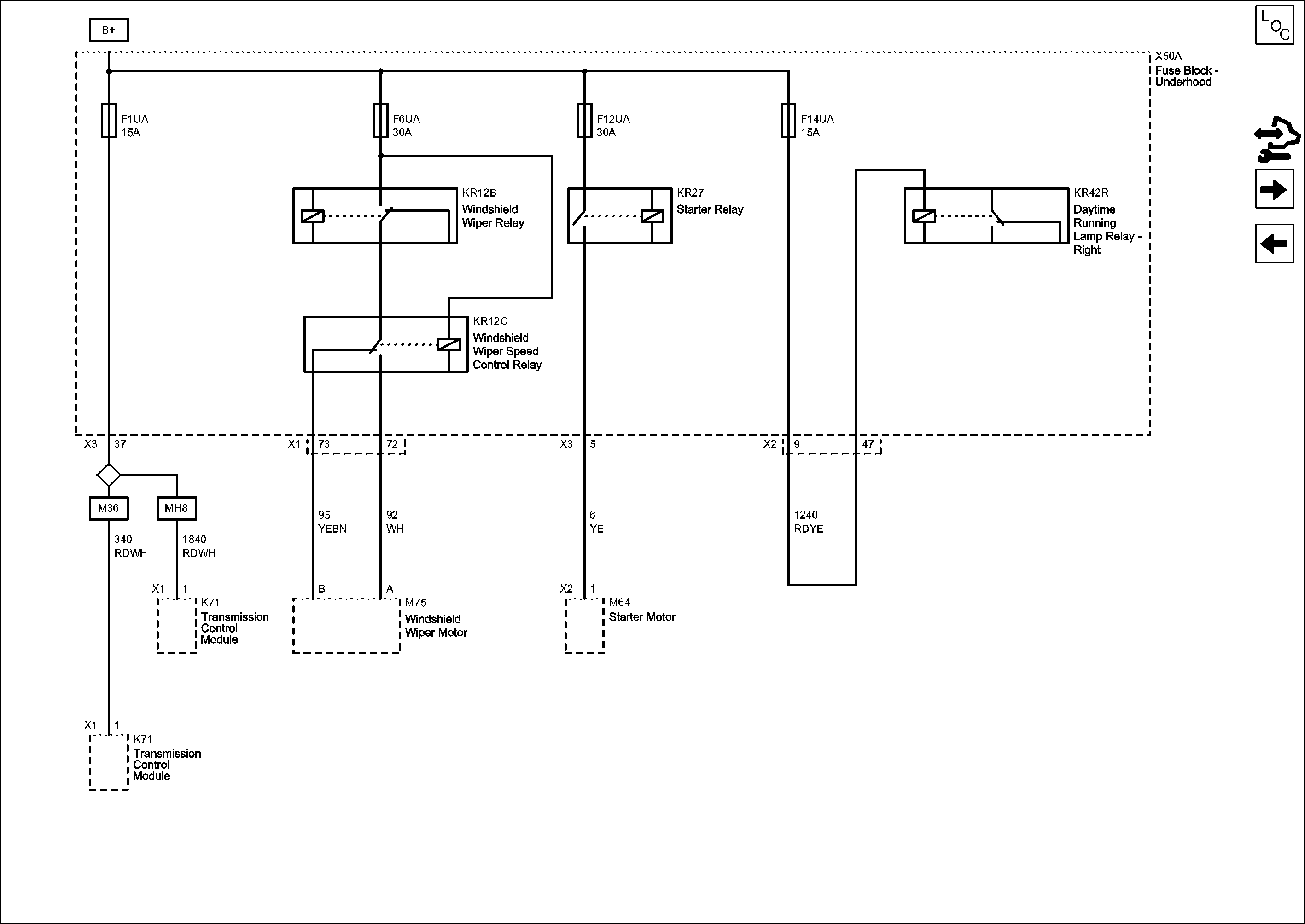
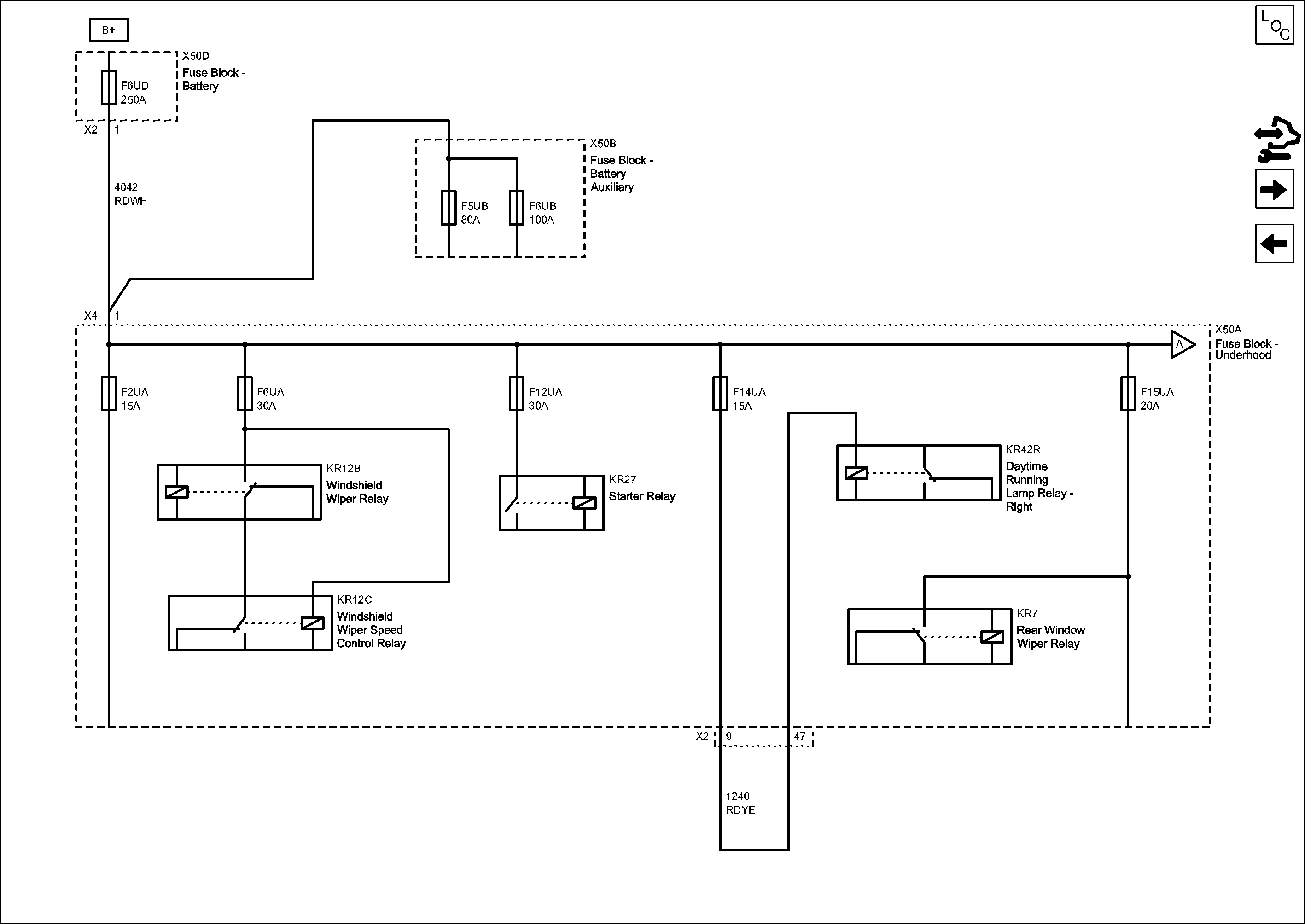
| Figure 9: |
F1UA, F6UA, F12UA and F14UA Fuses
|
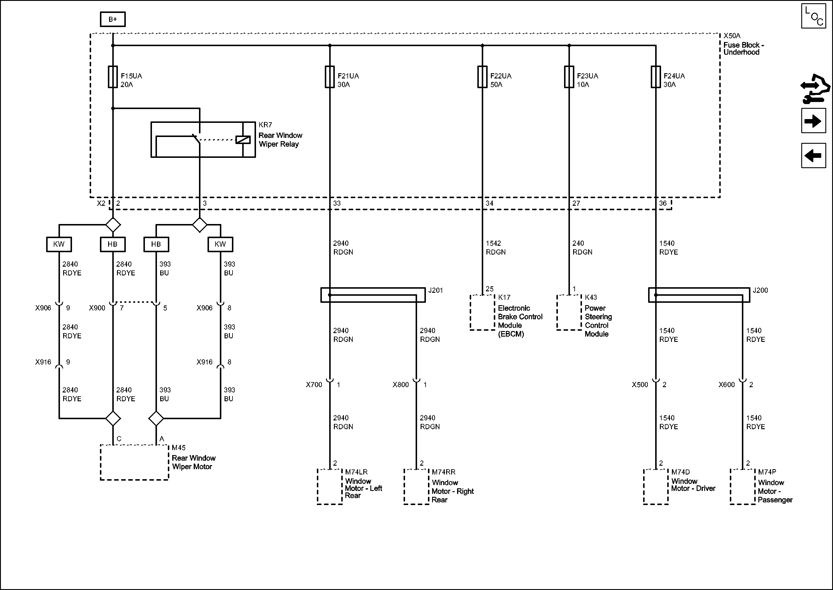
| Figure 10: |
F15UA, F21UA, F22UA, F23UA and F24UA Fuses
|
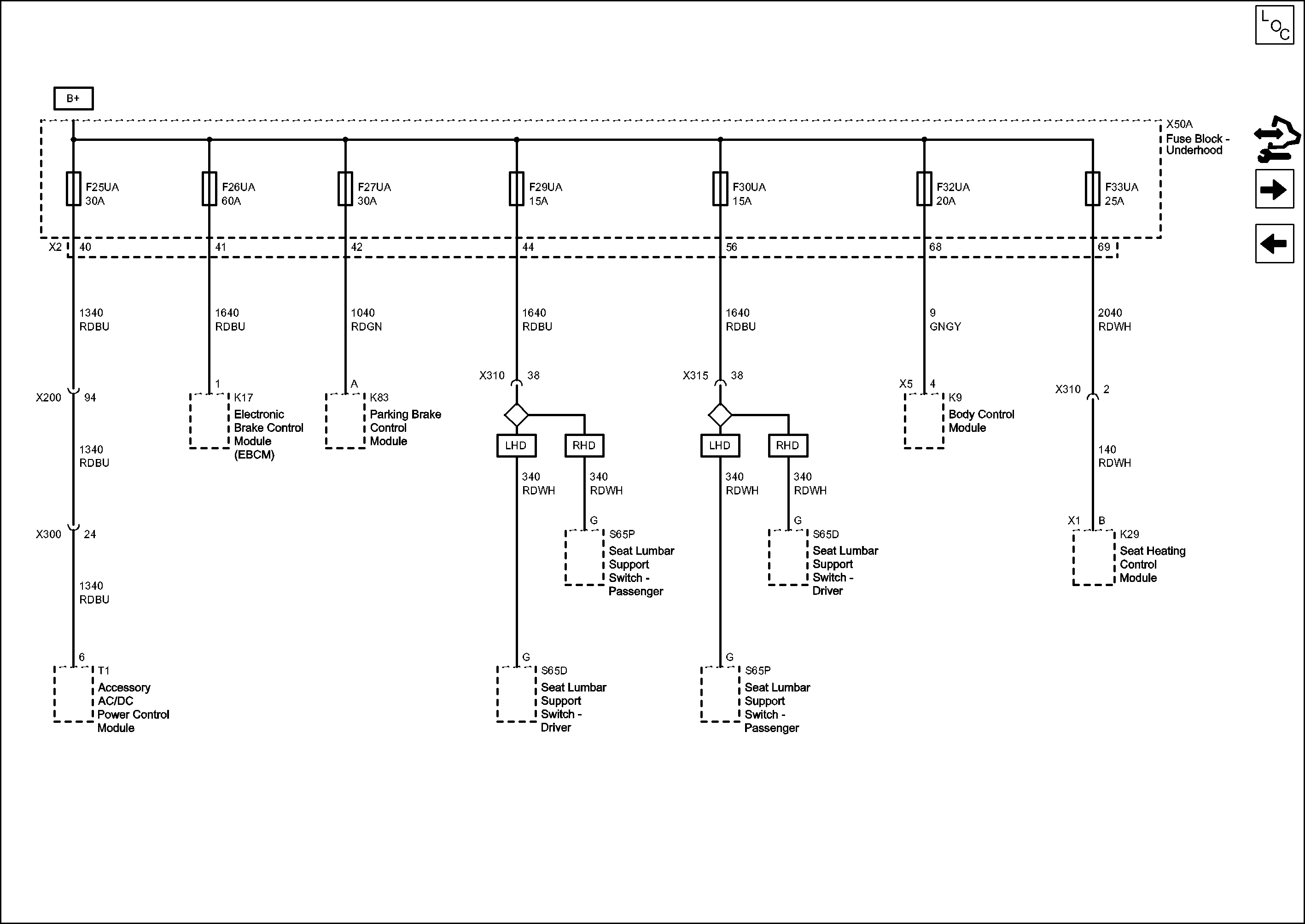
| Figure 11: |
F25UA, F26UA, F27UA, F29UA, F30UA, F32UA and F33UA Fuses
|
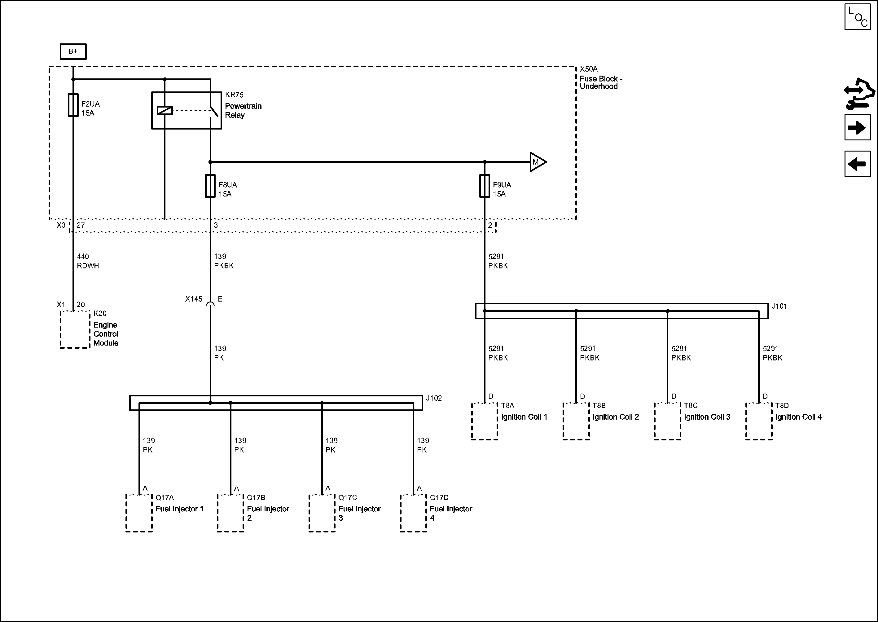
| Figure 12: |
F2UA, F8UA and F9UA Fuses
|
| Figure 13: |
F10UA and F47UA Fuses
|
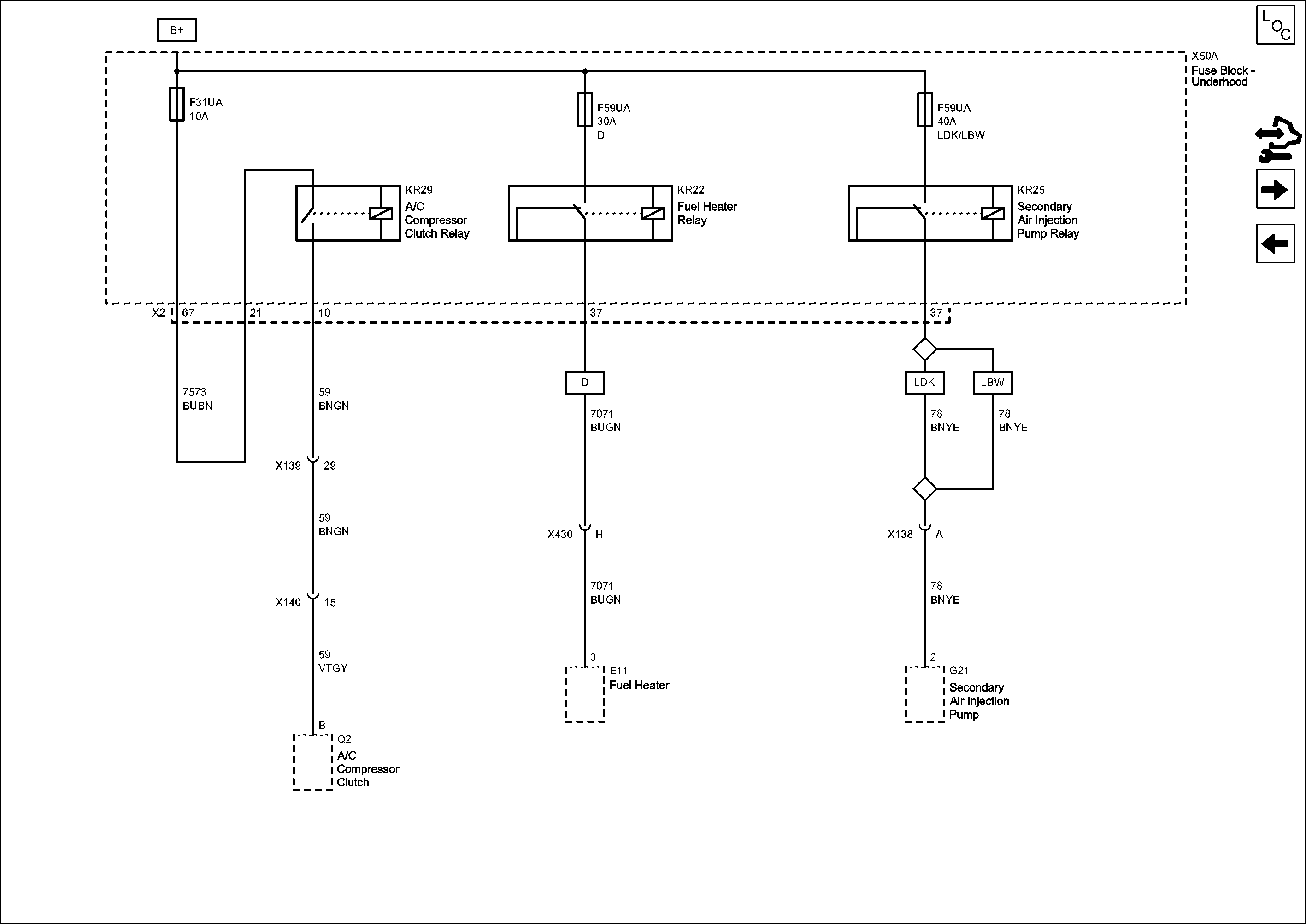
| Figure 14: |
F31UA and F59UA Fuses
|
| Figure 15: |
F34UA, F35UA, F37UA, F38UA, F41UA and F43UA Fuses
|
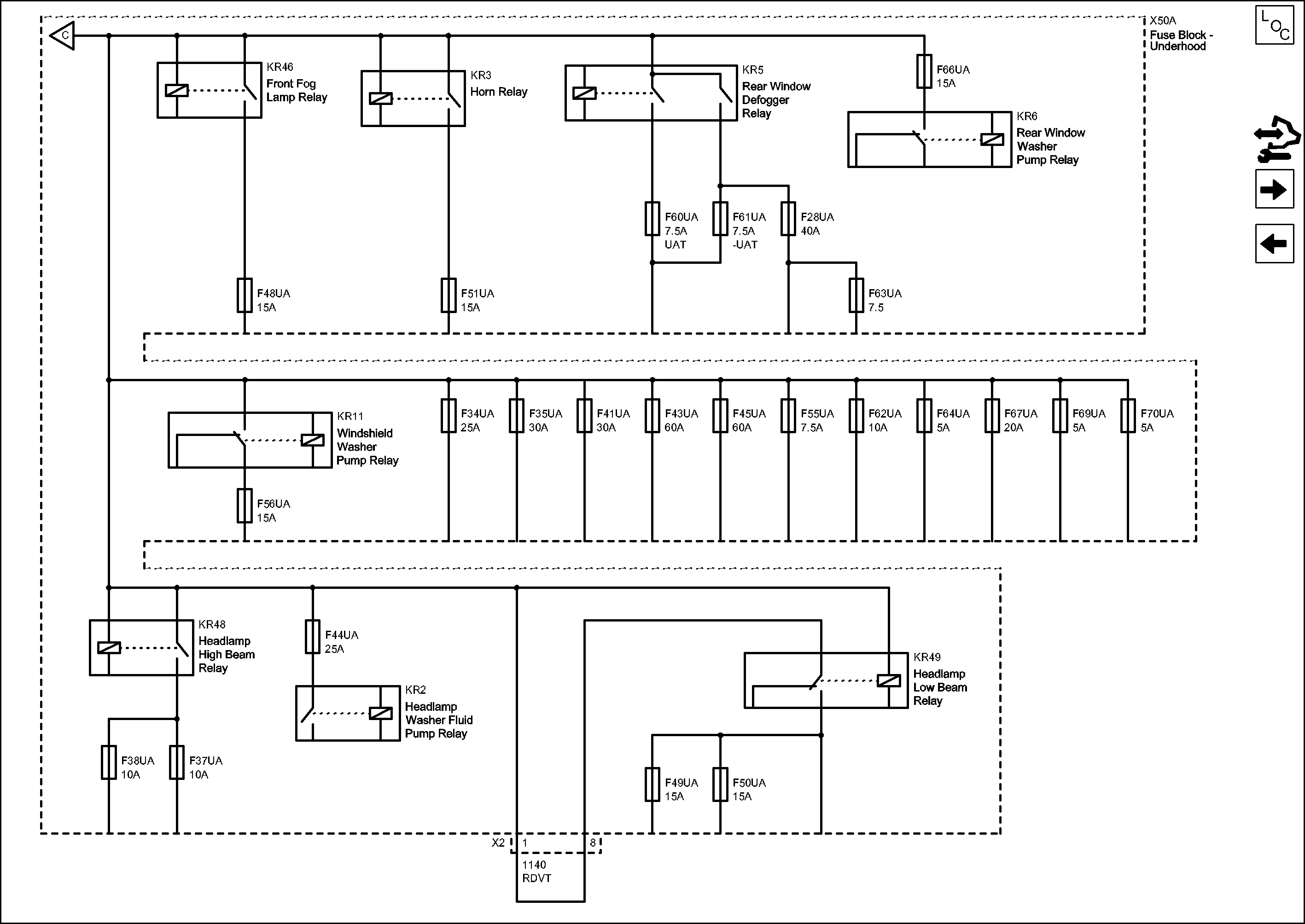
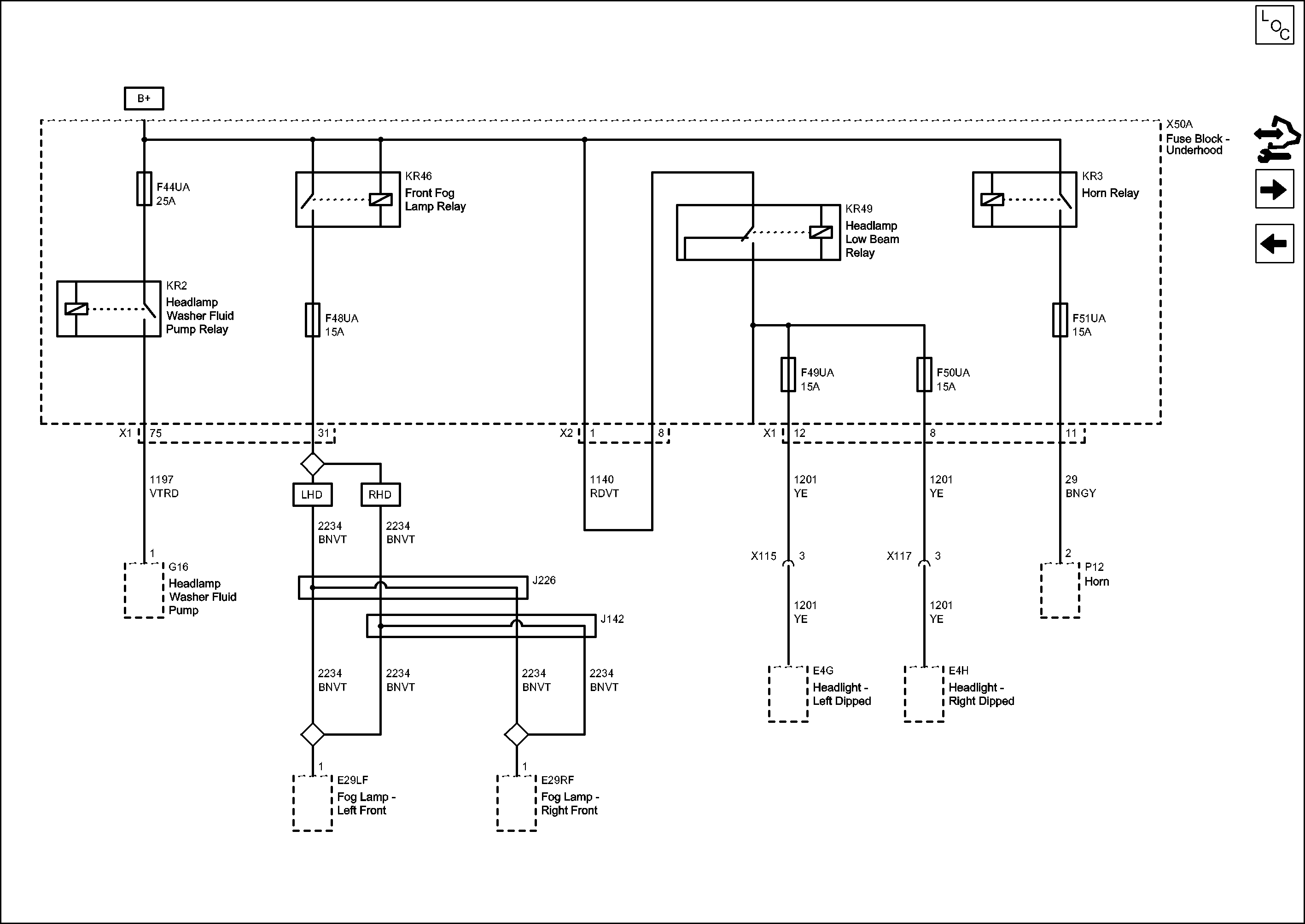
| Figure 16: |
F44UA, F48UA, F49UA, F50UA and F51UA Fuses
|
| Figure 17: |
F55UA Fuse
|
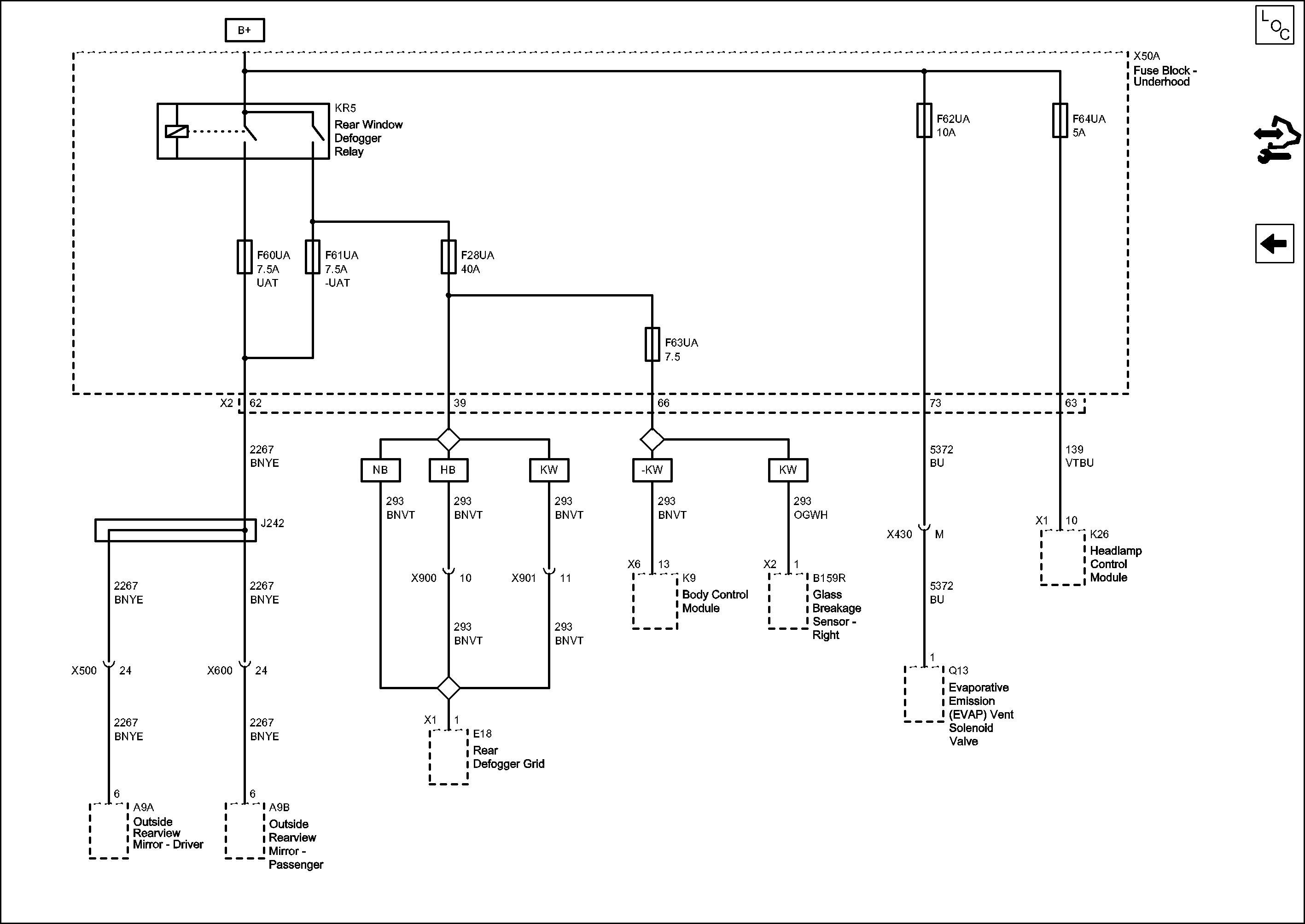
| Figure 18: |
F28UA, F60UA, F61UA, F62UA, F63UA and F64UA Fuses
|
| Figure 19: |
F56UA, F65UA, F66UA, F67UA, F69UA and F70UA Fuses
|
| Figure 20: |
F6DA and F7DA Fuses
|
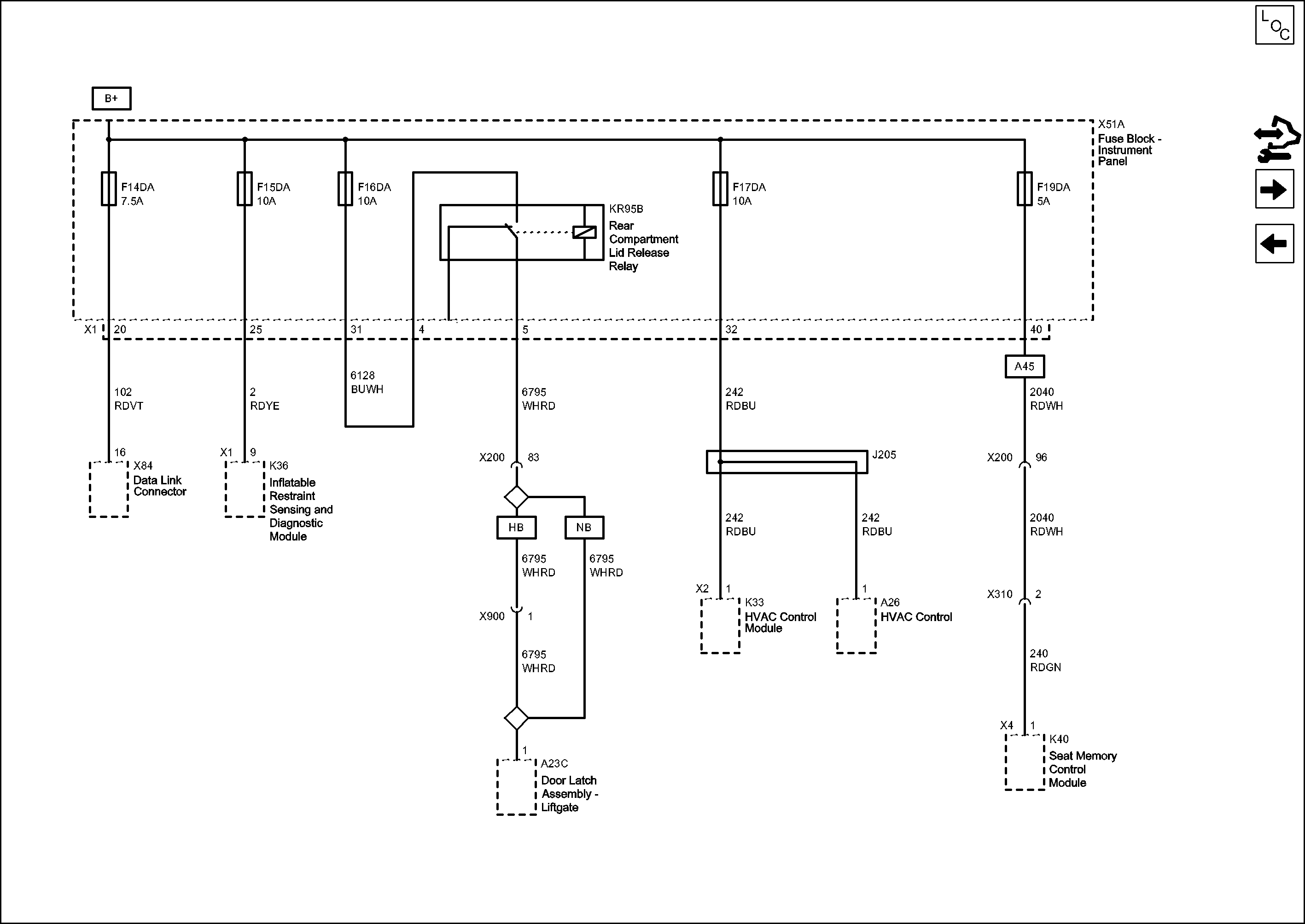
| Figure 21: |
F14DA, F15DA, F16DA, F17DA and F19DA Fuses
|
| Figure 22: |
F20DA, F21DA, F22DA, F23DA, F24DA, F25DA and F26DA Fuses
|
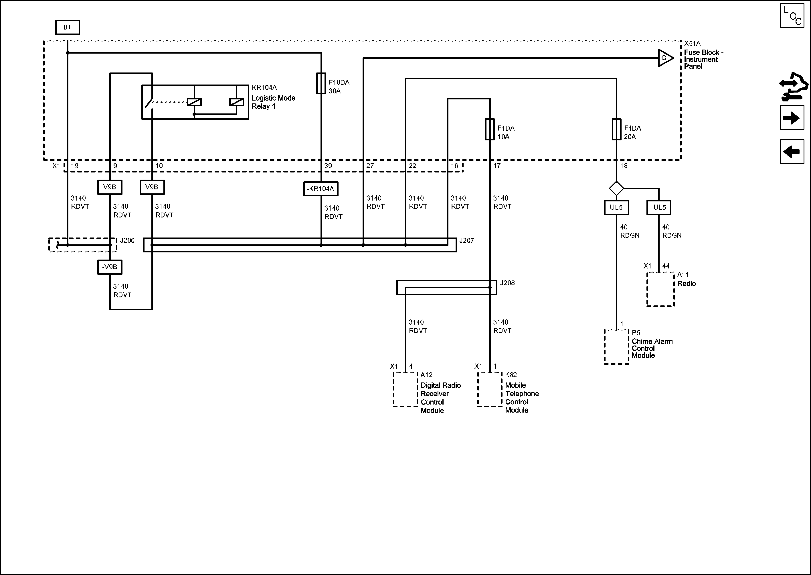
| Figure 23: |
F1DA, F4DA and F18DA Fuses
|
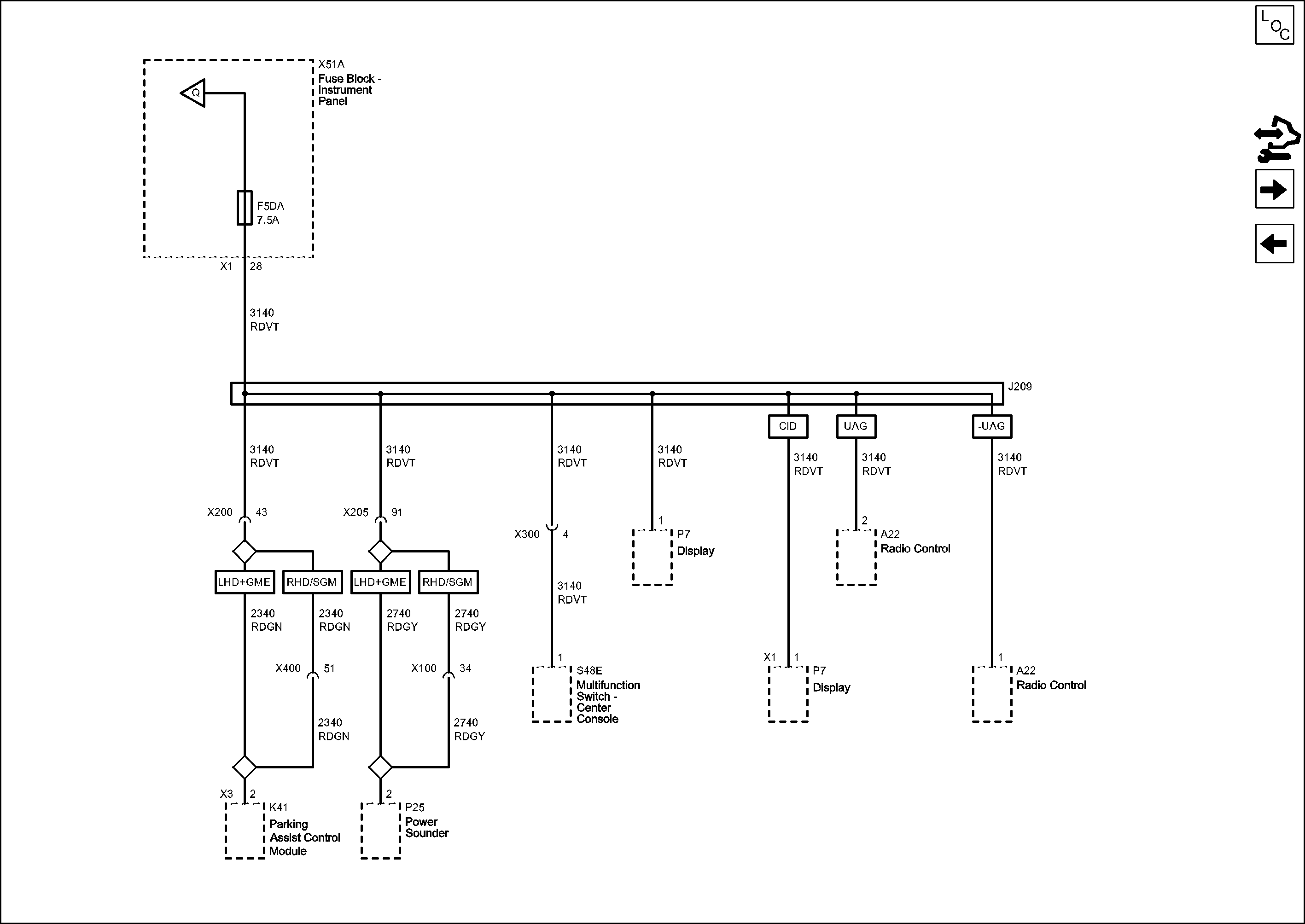
| Figure 24: |
F5DA Fuse
|
| Figure 25: |
F2DA, F3DA, F8DA, F9DA, F10DA, F11DA, F12DA and F13DA Fuses
|
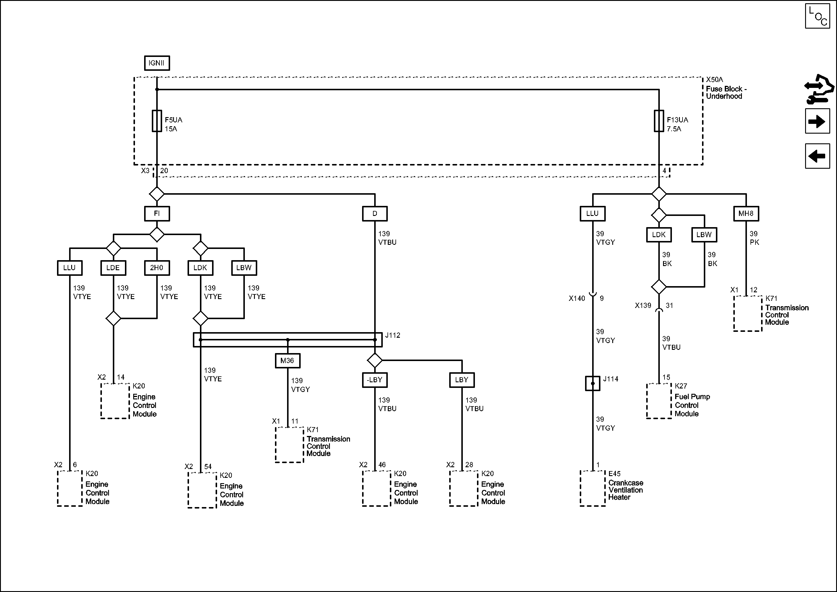
| Figure 26: |
F5UA and F13UA Fuses
|
| Figure 27: |
F16UA, F17UA and F18UA Fuses
|
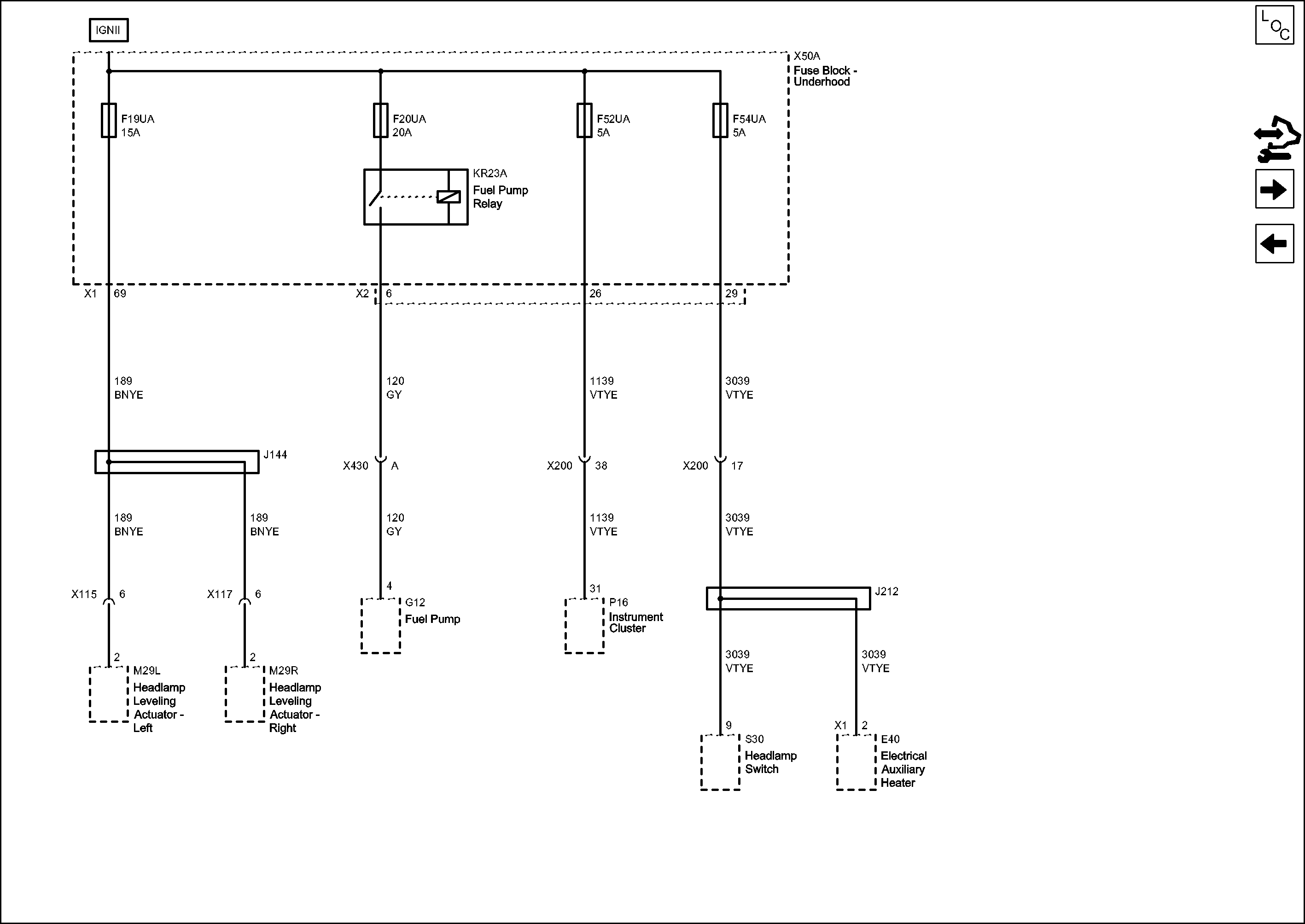
| Figure 28: |
F19UA, F20UA, F52UA and F54UA Fuses
|
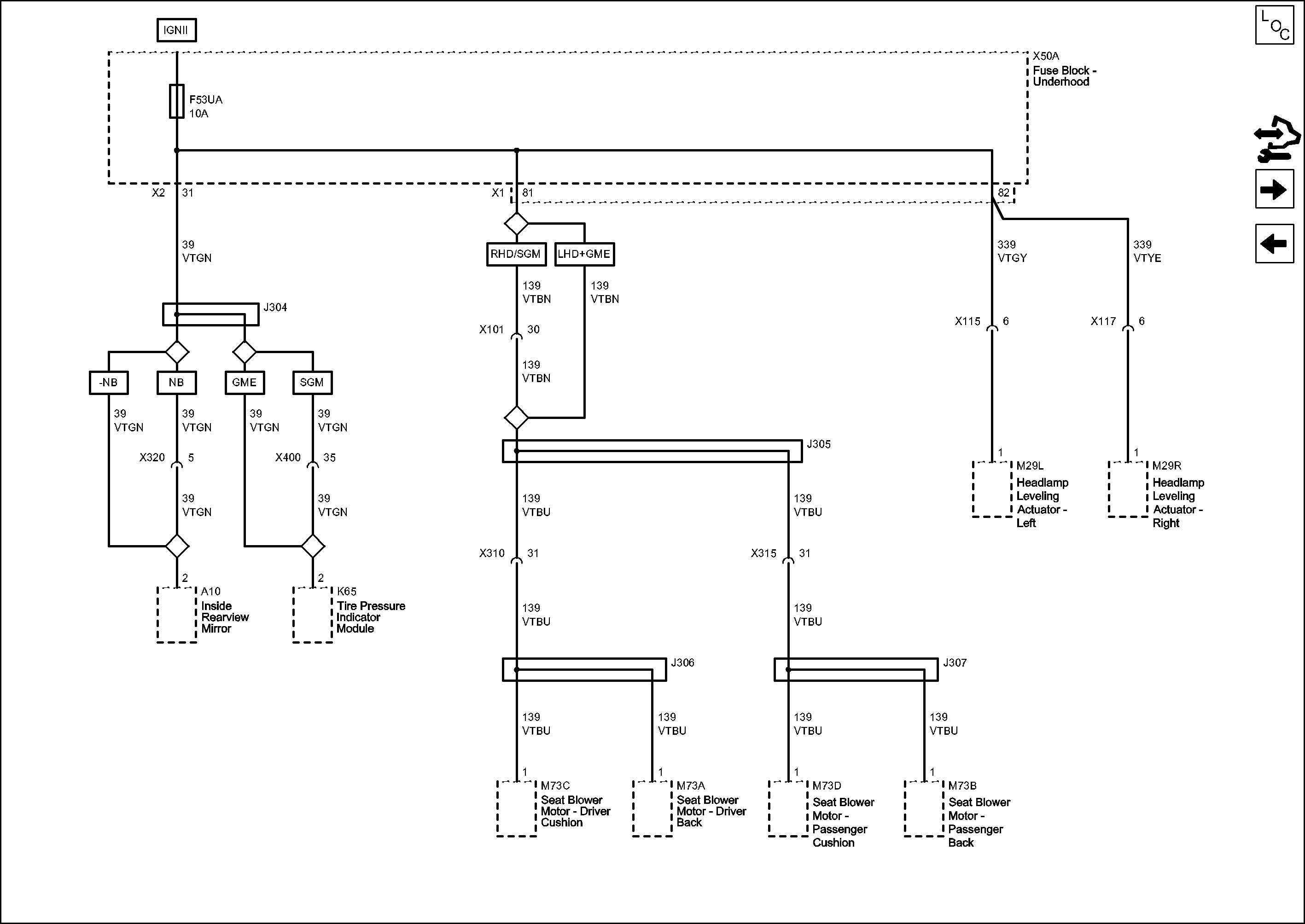
| Figure 29: |
F53UA Fuse
|