| Figure 1: |
G101 and G103
|
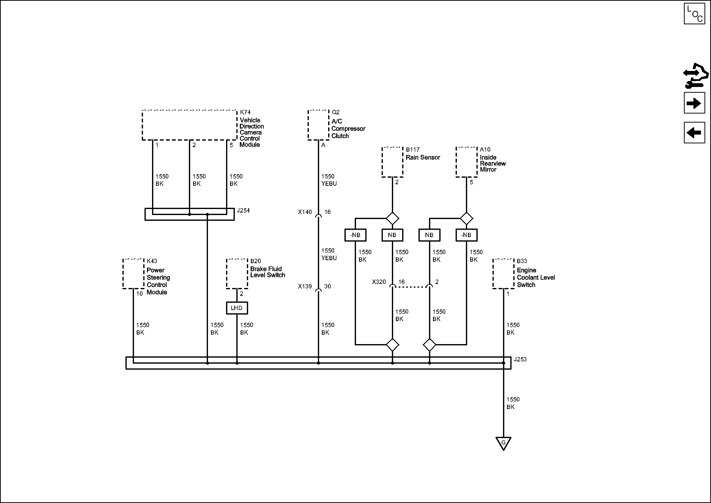
| Figure 2: |
G102
|
| Figure 3: |
G104, G114 and G115 (LTD/LE5)
|
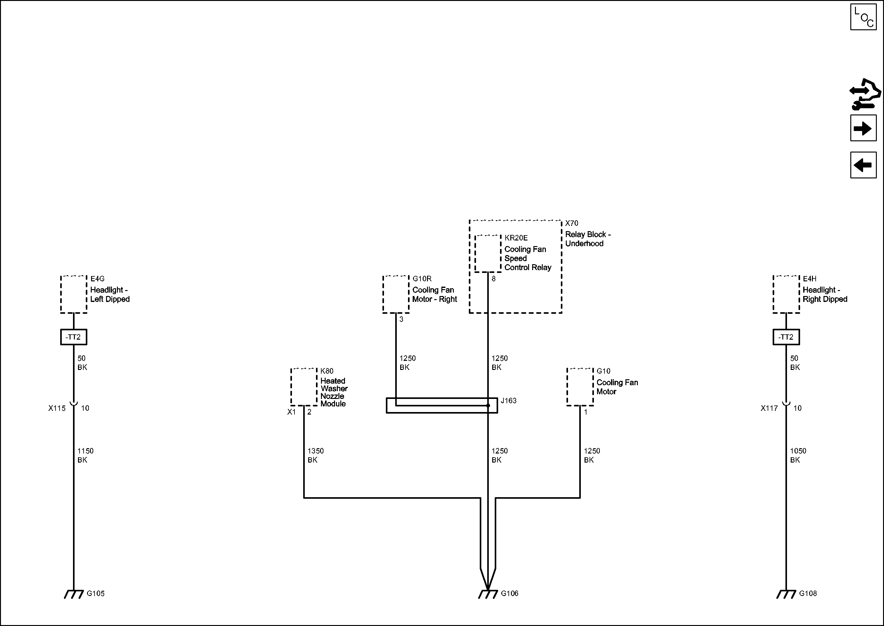
| Figure 4: |
G105, G106 and G108
|
| Figure 5: |
G109 (1 of 3)
|
| Figure 6: |
G109 (2 of 3)
|
| Figure 7: |
G109 (3 of 3)
|
| Figure 8: |
G110 and G111
|
| Figure 9: |
G201 (1 of 2)
|
| Figure 10: |
G201 (2 of 2)
|
| Figure 11: |
G203
|
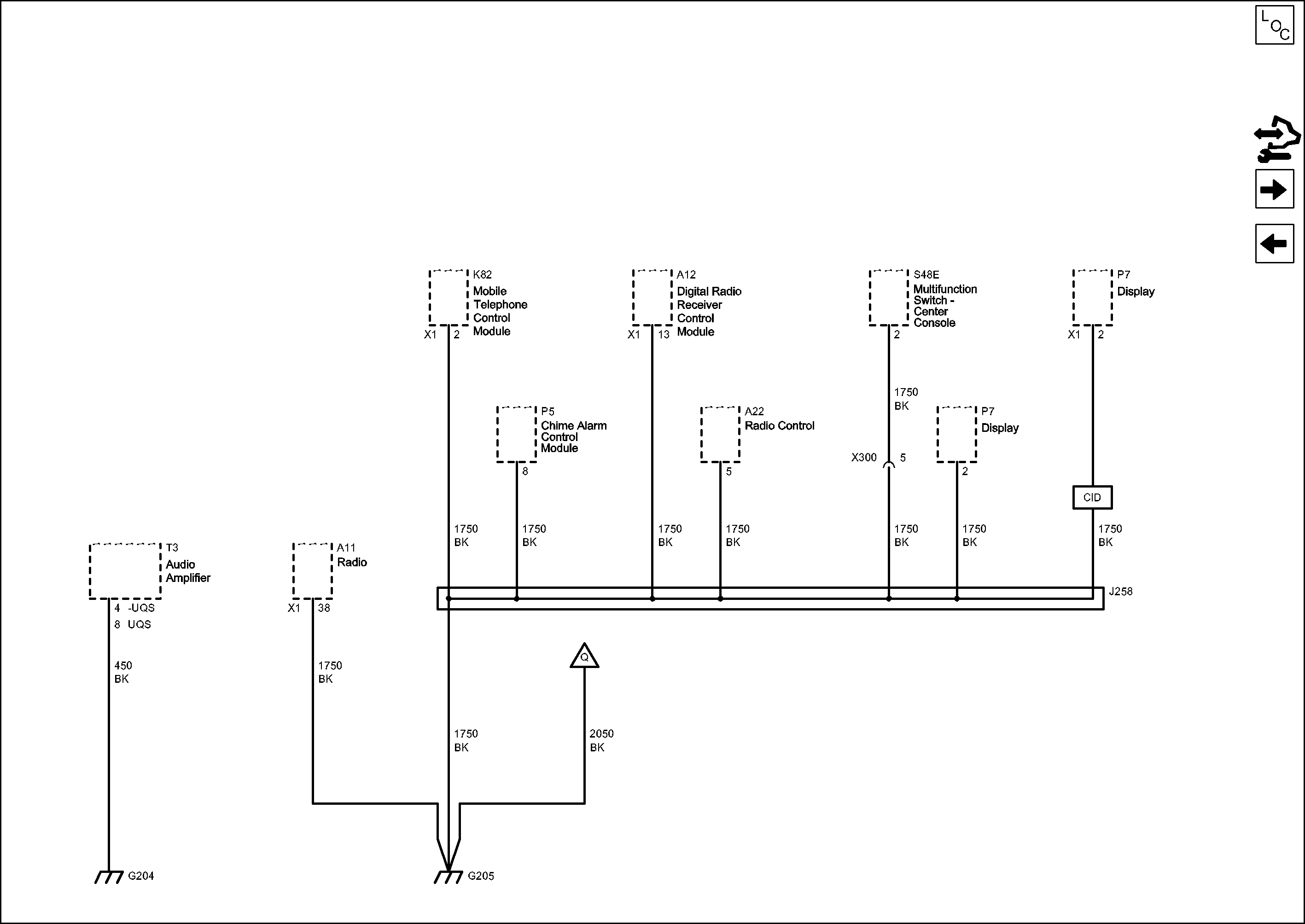
| Figure 12: |
G204 and G205
|
| Figure 13: |
G205
|
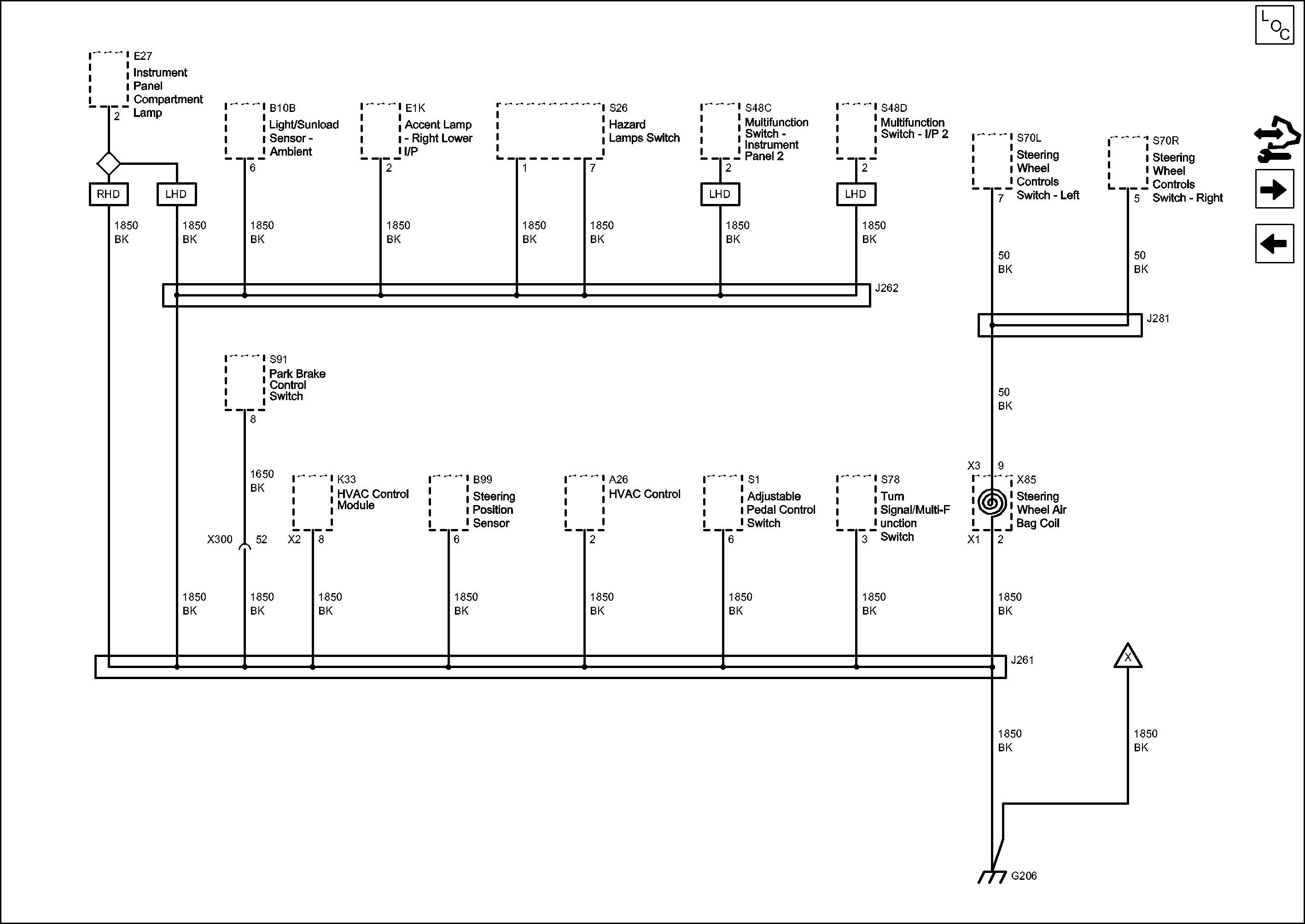
| Figure 14: |
G206 (1 of 2)
|
| Figure 15: |
G206 (2 of 2)
|
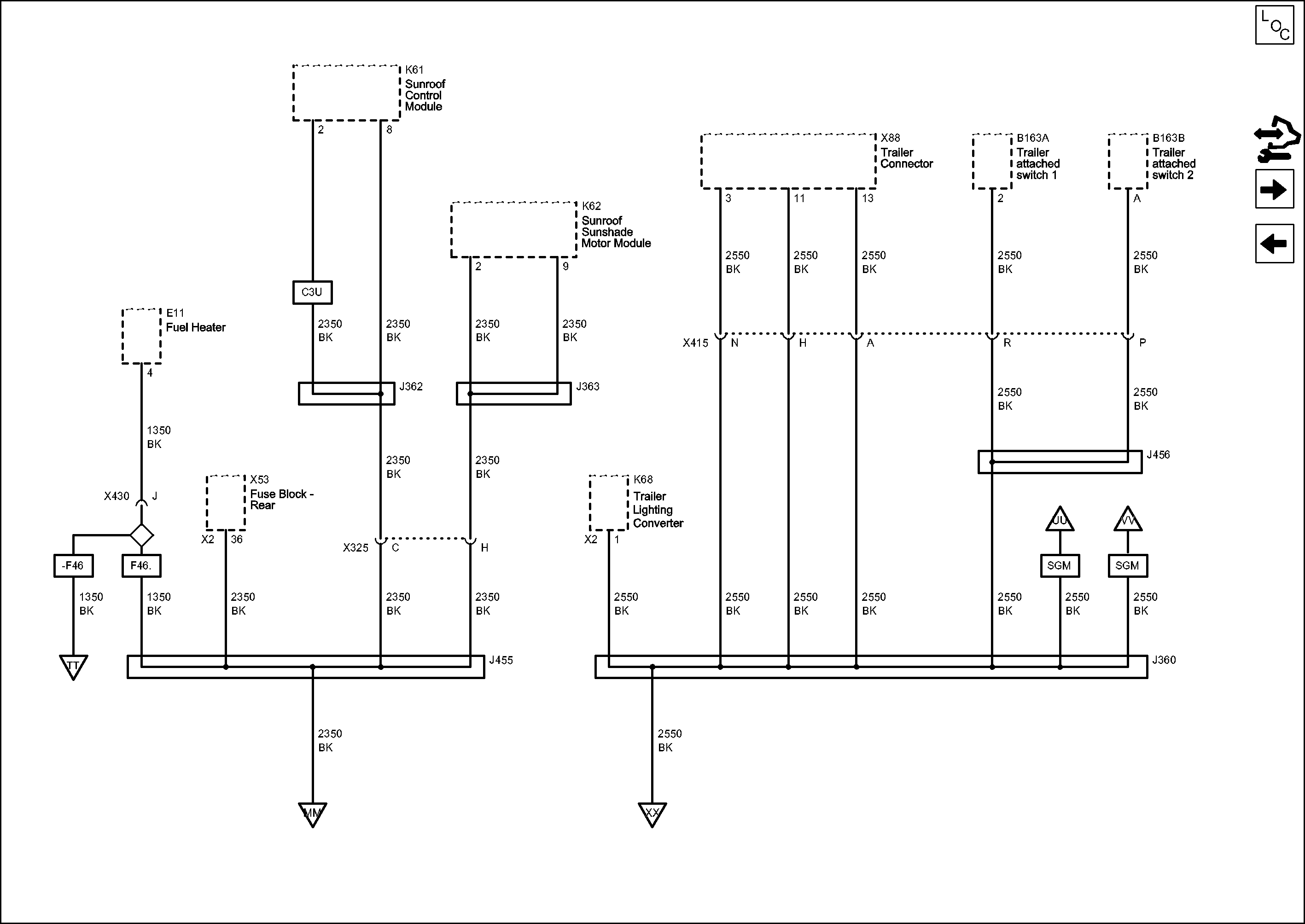
| Figure 16: |
G303
|
| Figure 17: |
G305 (1 of 2)
|
| Figure 18: |
G305 (2 of 2)
|
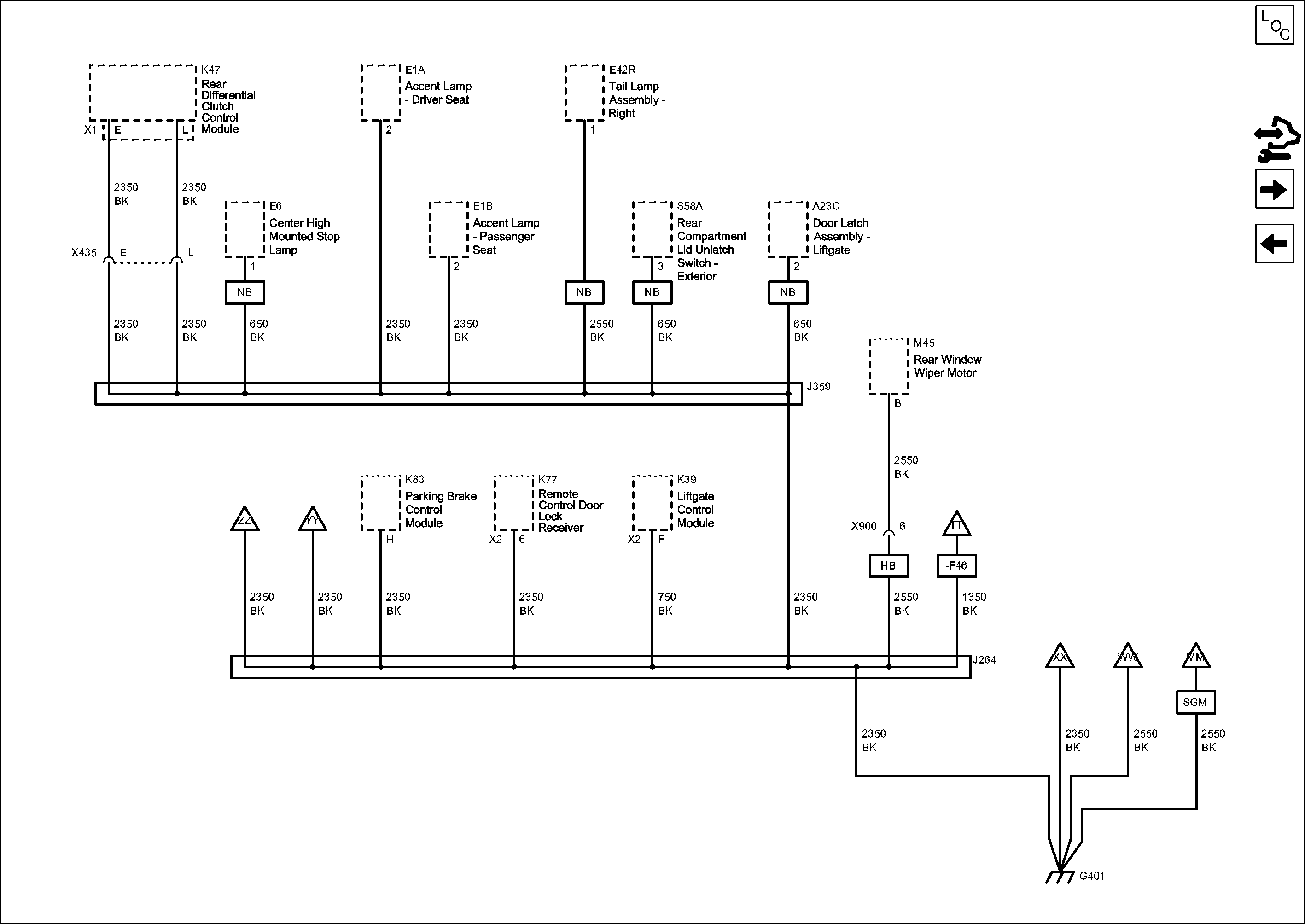
| Figure 19: |
G401 (1 of 5)
|
| Figure 20: |
G401 (2 of 5)
|
| Figure 21: |
G401 (3 of 5)
|
| Figure 22: |
G401 (4 of 5)
|
| Figure 23: |
G401 (5 of 5)
|
| Figure 24: |
G404
|
| Figure 25: |
G406
|