GM Service Manual Online
For 1990-2009 cars only
Makes
🢒
Buick
🢒
2009
🢒
Regal
🢒
Suspension
🢒
Electronic Suspension Control
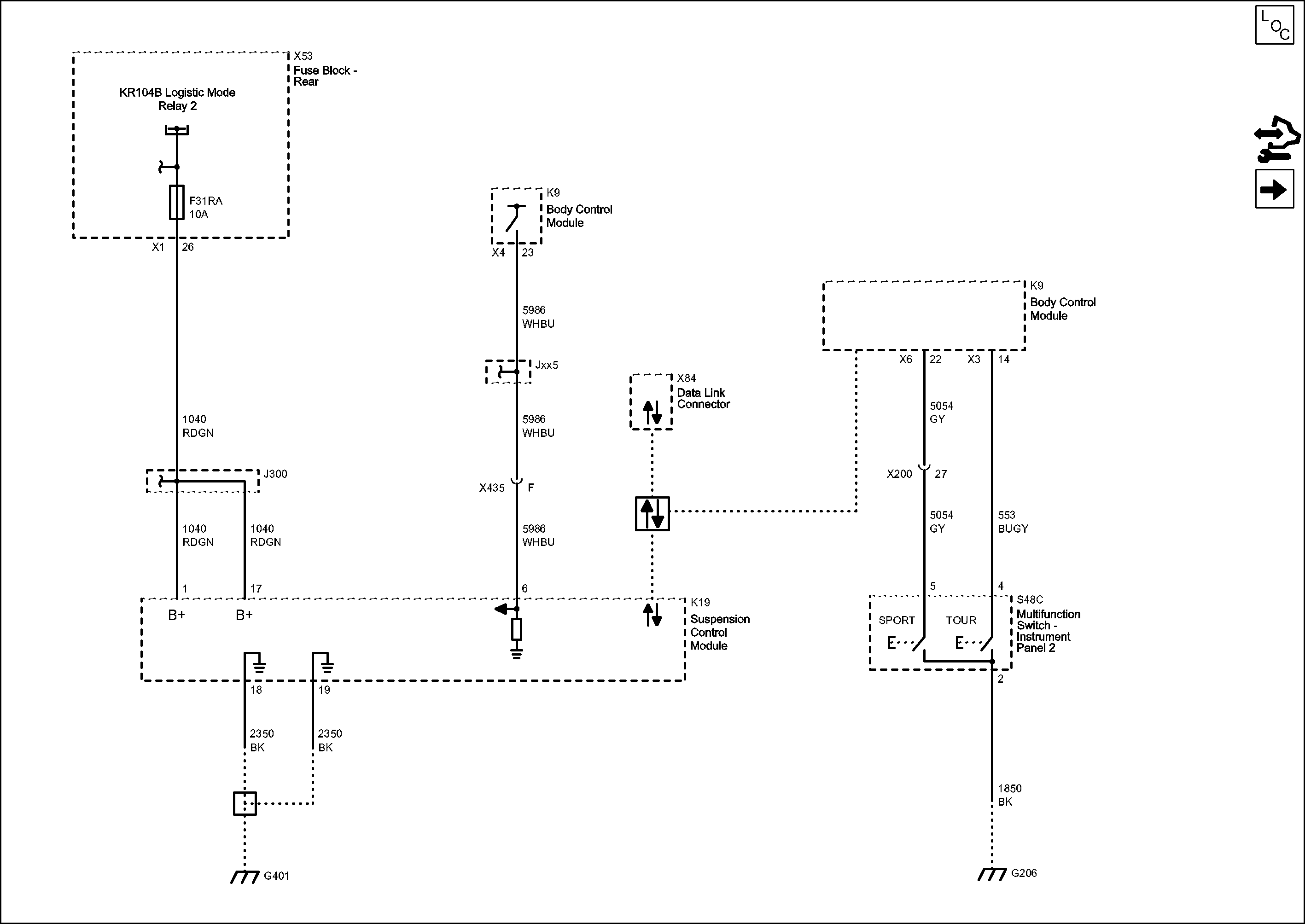
🢒 Electronic Suspension Control Schematics
Figure
1:
Power, Ground and Serial Data
Figure
2:
Shock Dampers
Figure
3:
Acceleration Sensors