GM Service Manual Online
For 1990-2009 cars only
Figure 1:

Low Beam and Daytime Running Lamps (TT4)


Object Number: 2179802  Size: FS
Figure 2:

High Beam (TT4)


Object Number: 2179804  Size: FS
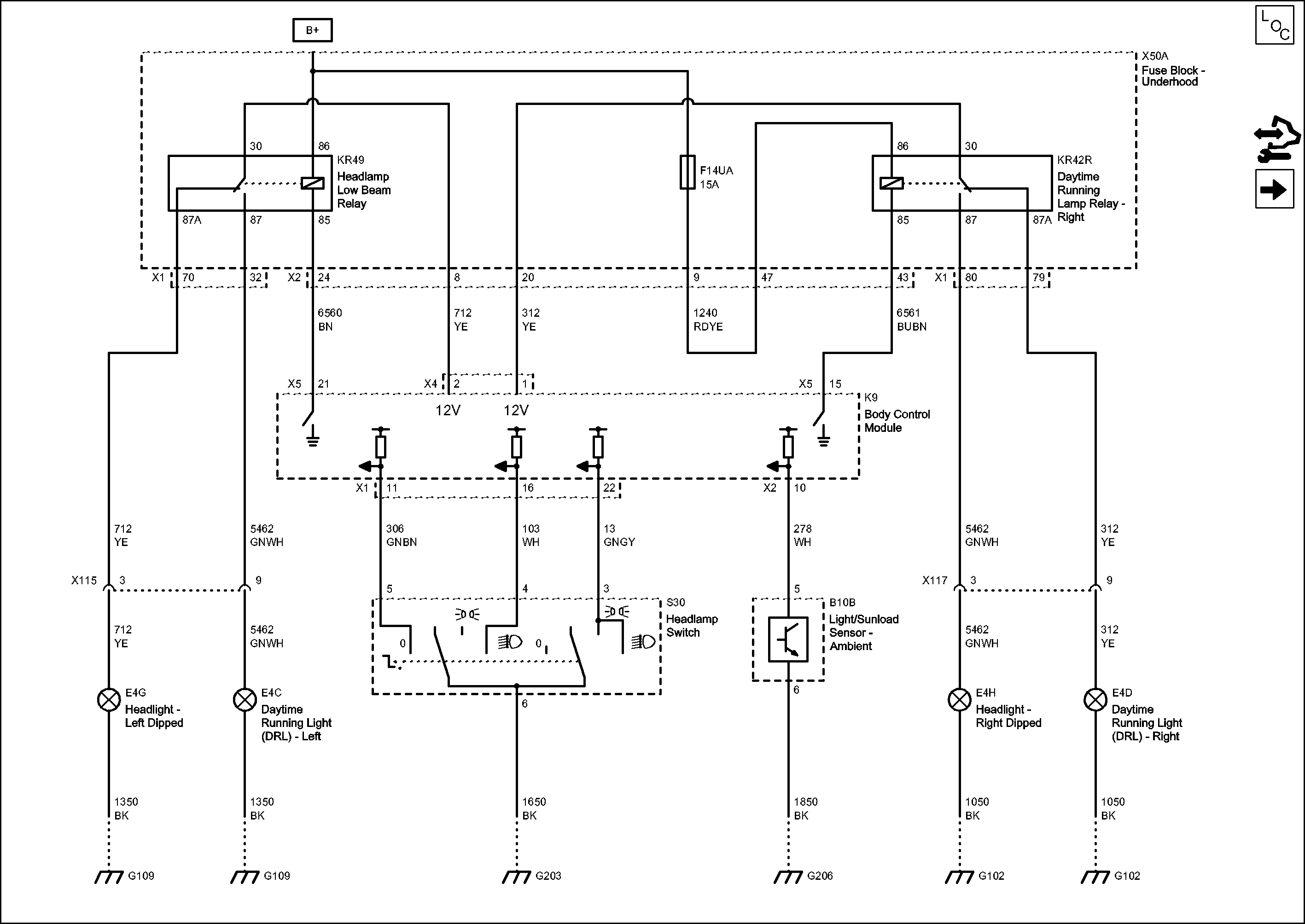
Figure 3:

Low Beam and High Beam (TT6)


Object Number: 2179806  Size: FS
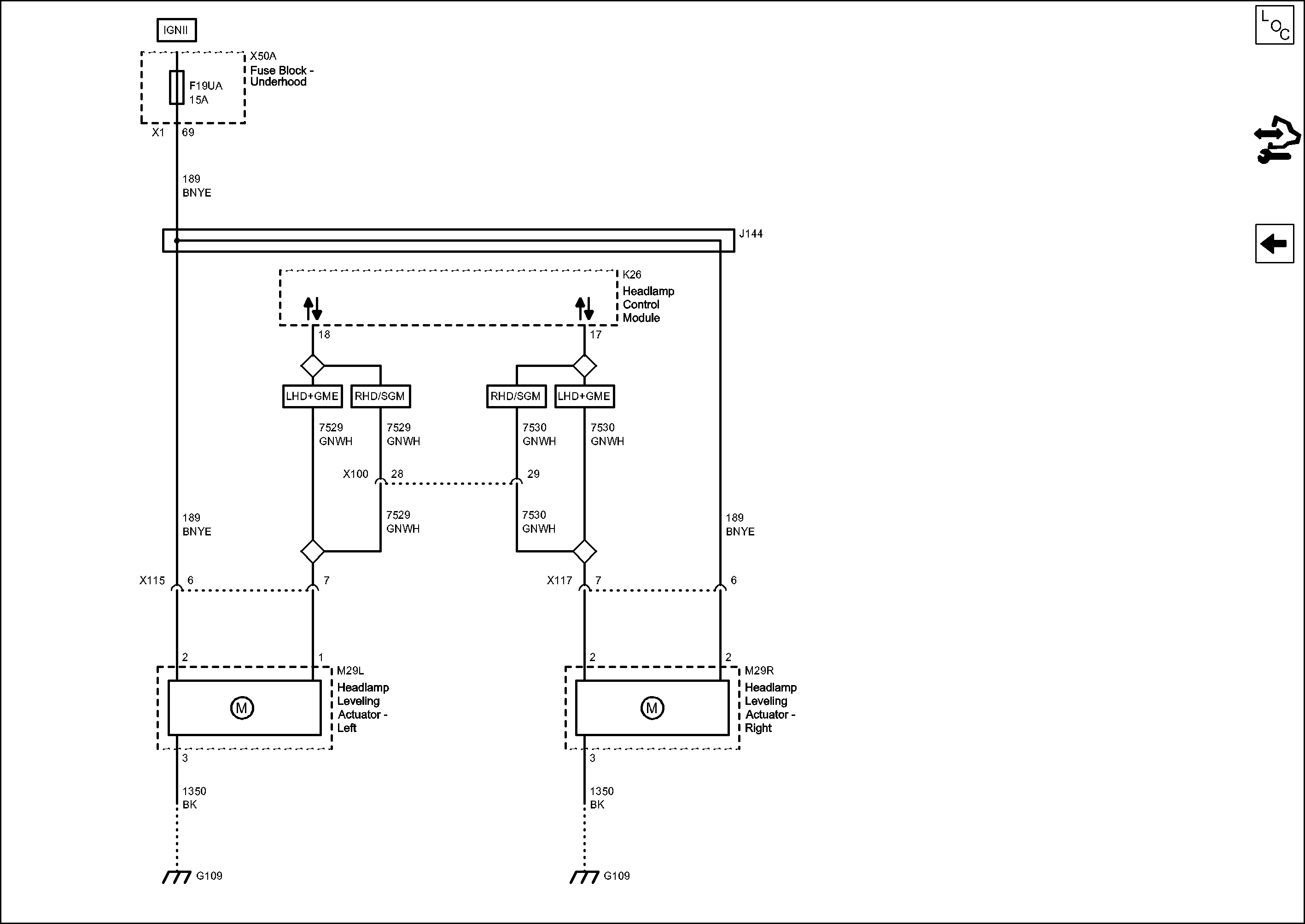
Figure 4:

Headlight Leveling (TT6)


Object Number: 2179814  Size: FS
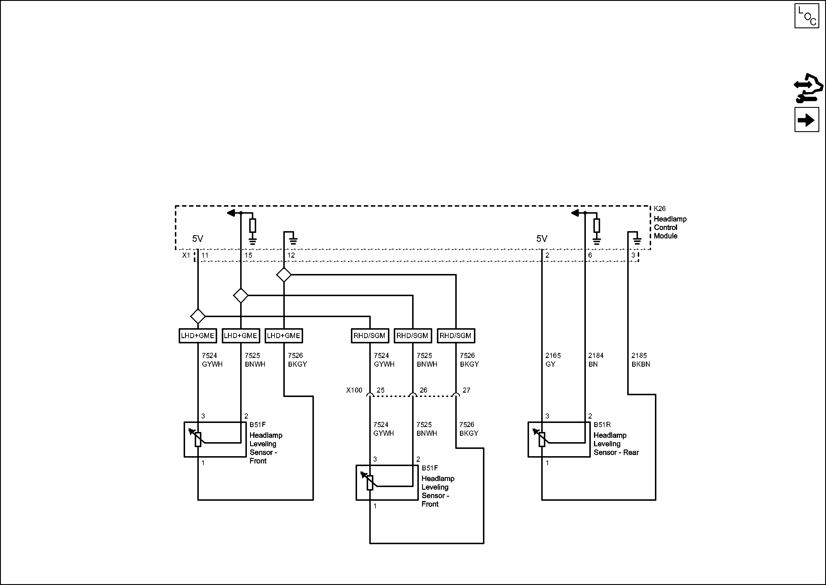
Figure 5:

Height Sensors (TT6)


Object Number: 2179816  Size: FS