GM Service Manual Online
For 1990-2009 cars only
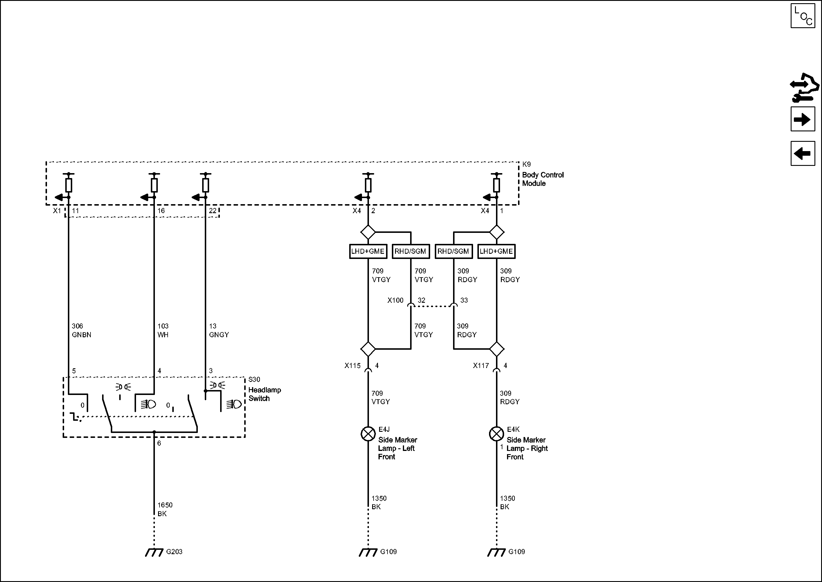
Figure 1:

Park Lamps (TT4)


Object Number: 2179821  Size: FS
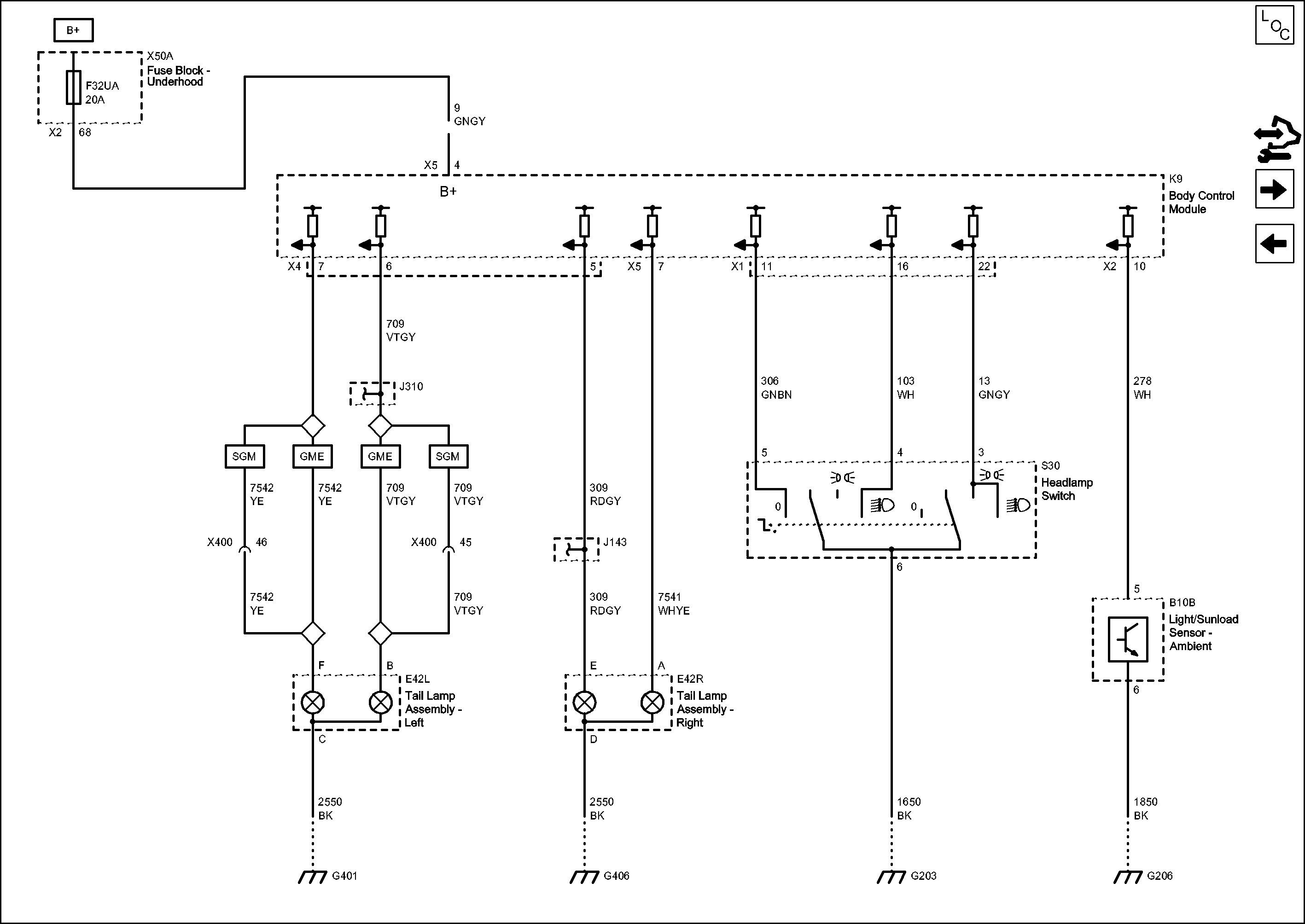
Figure 2:

Park Lamps (TT6)


Object Number: 2179822  Size: FS
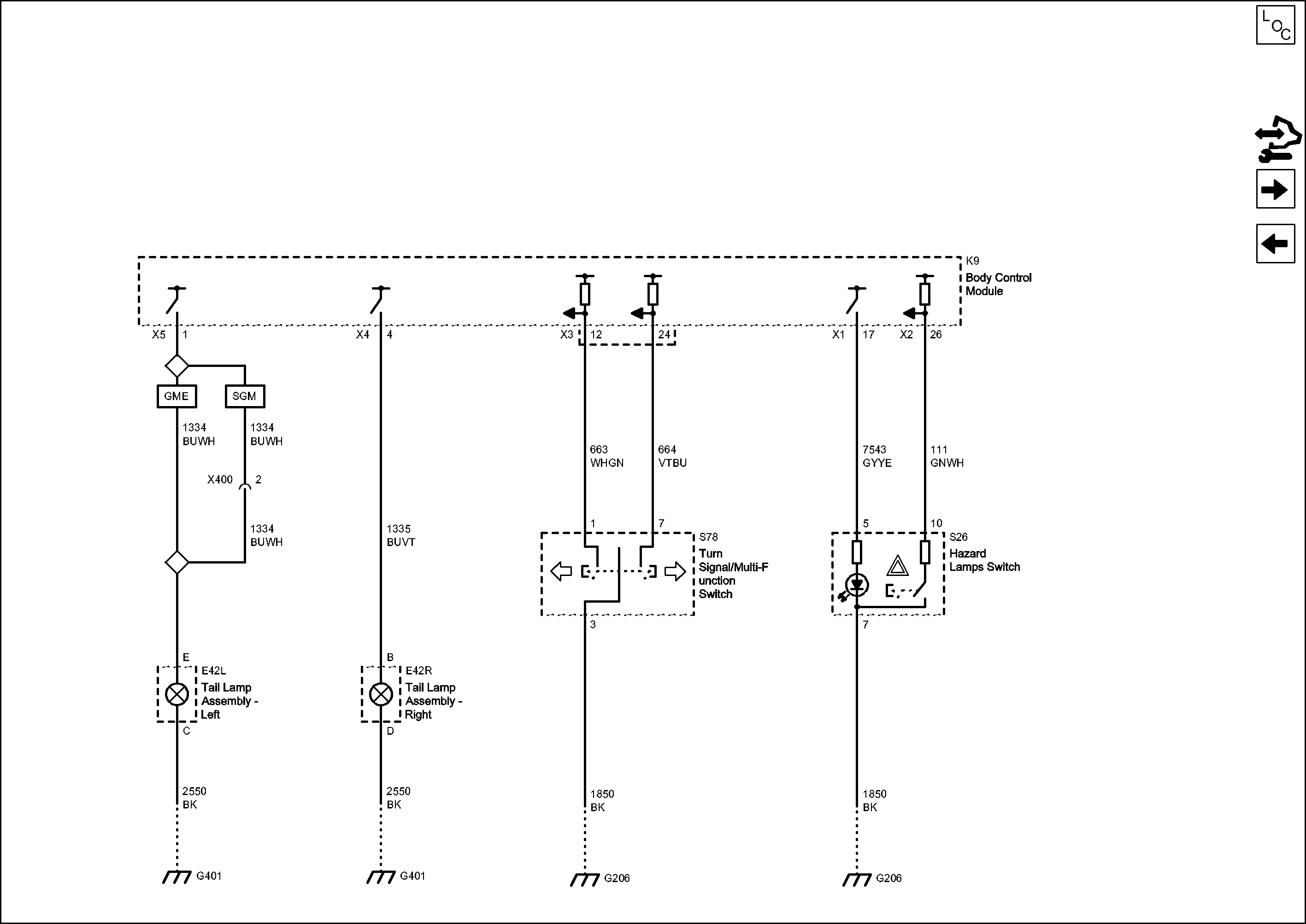
Figure 3:

Tail Lamps


Object Number: 2179823  Size: FS
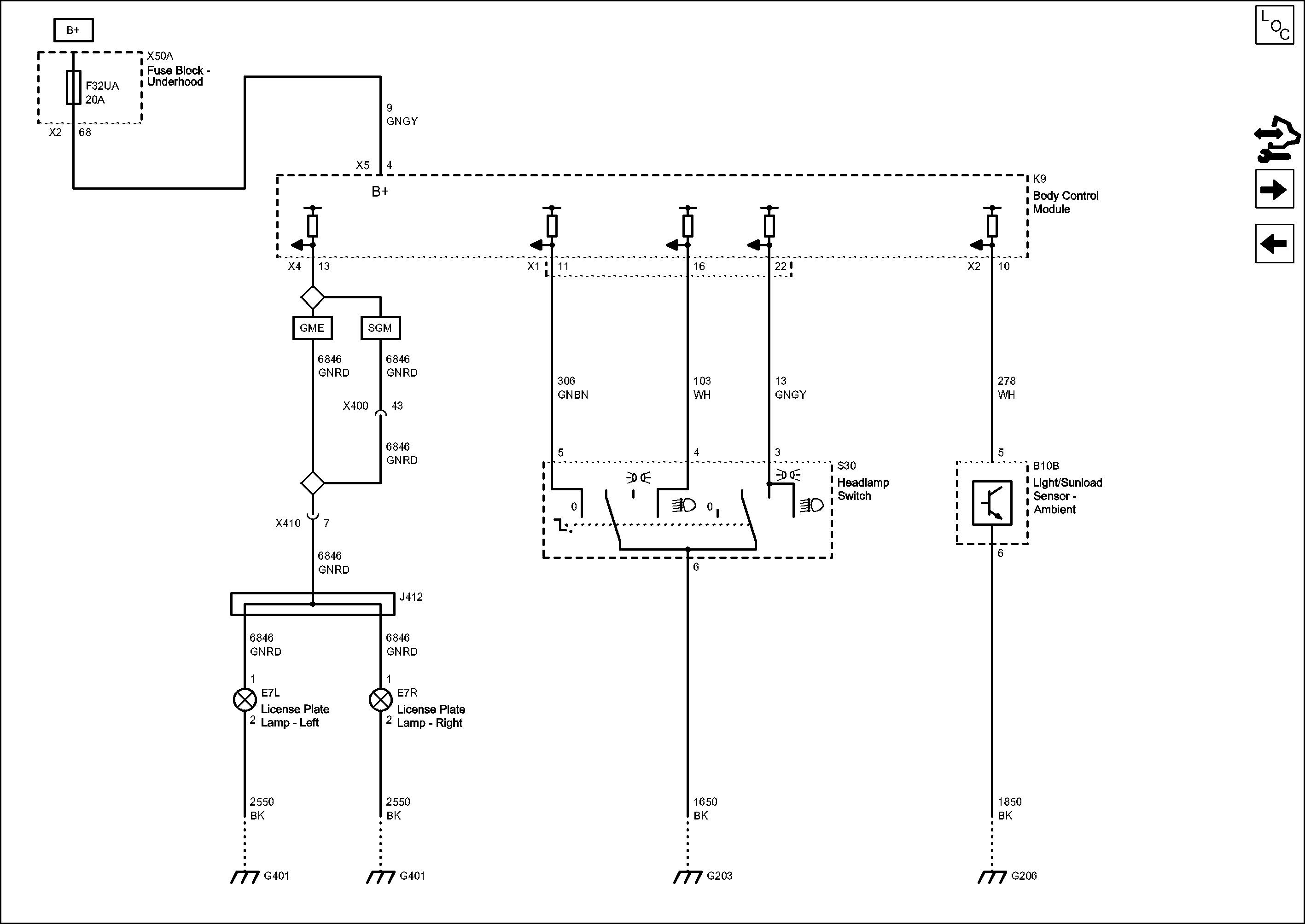
Figure 4:

License Plate Lamps


Object Number: 2179824  Size: FS
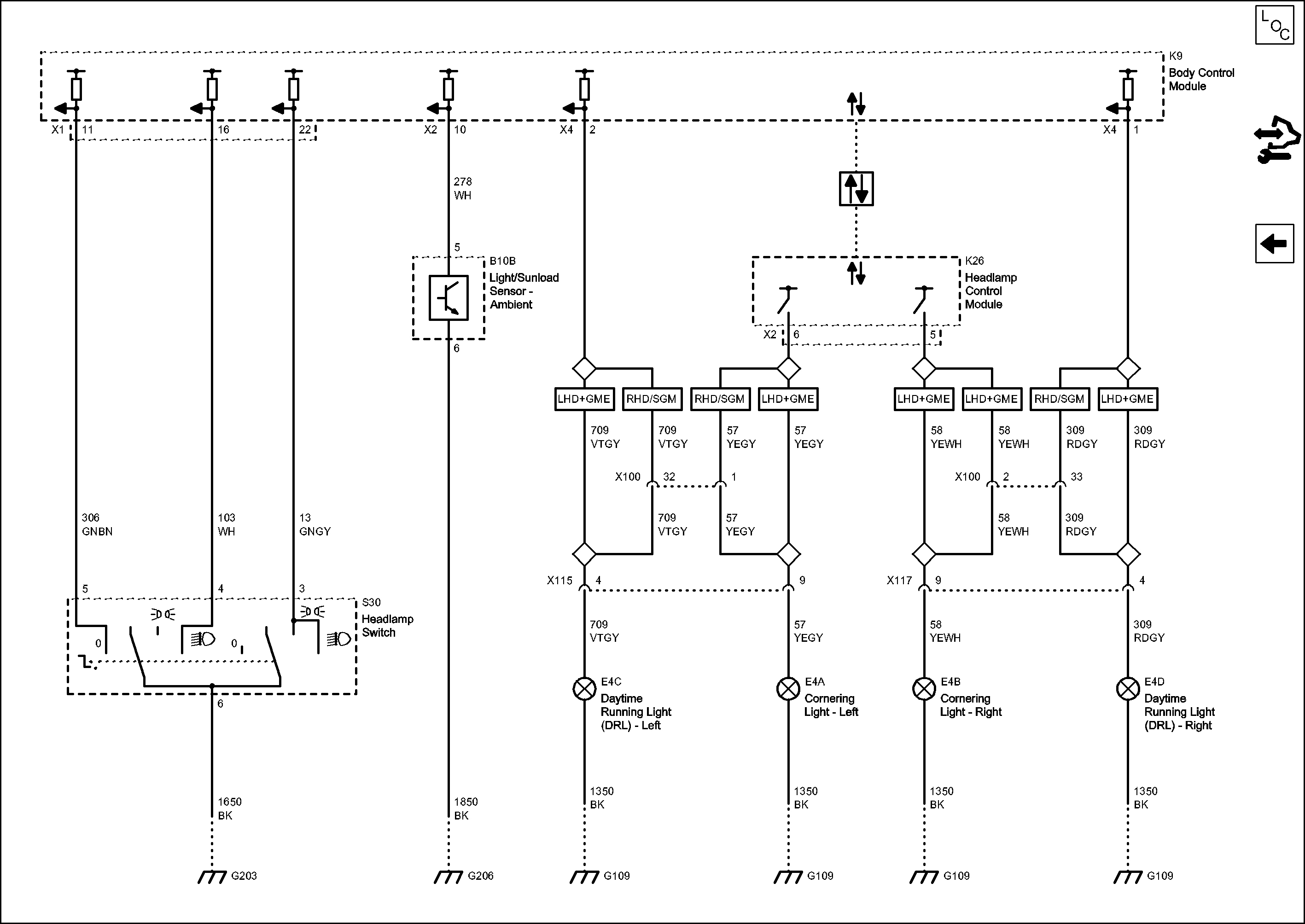
Figure 5:

Turn Signal Lamps Front


Object Number: 2179825  Size: FS
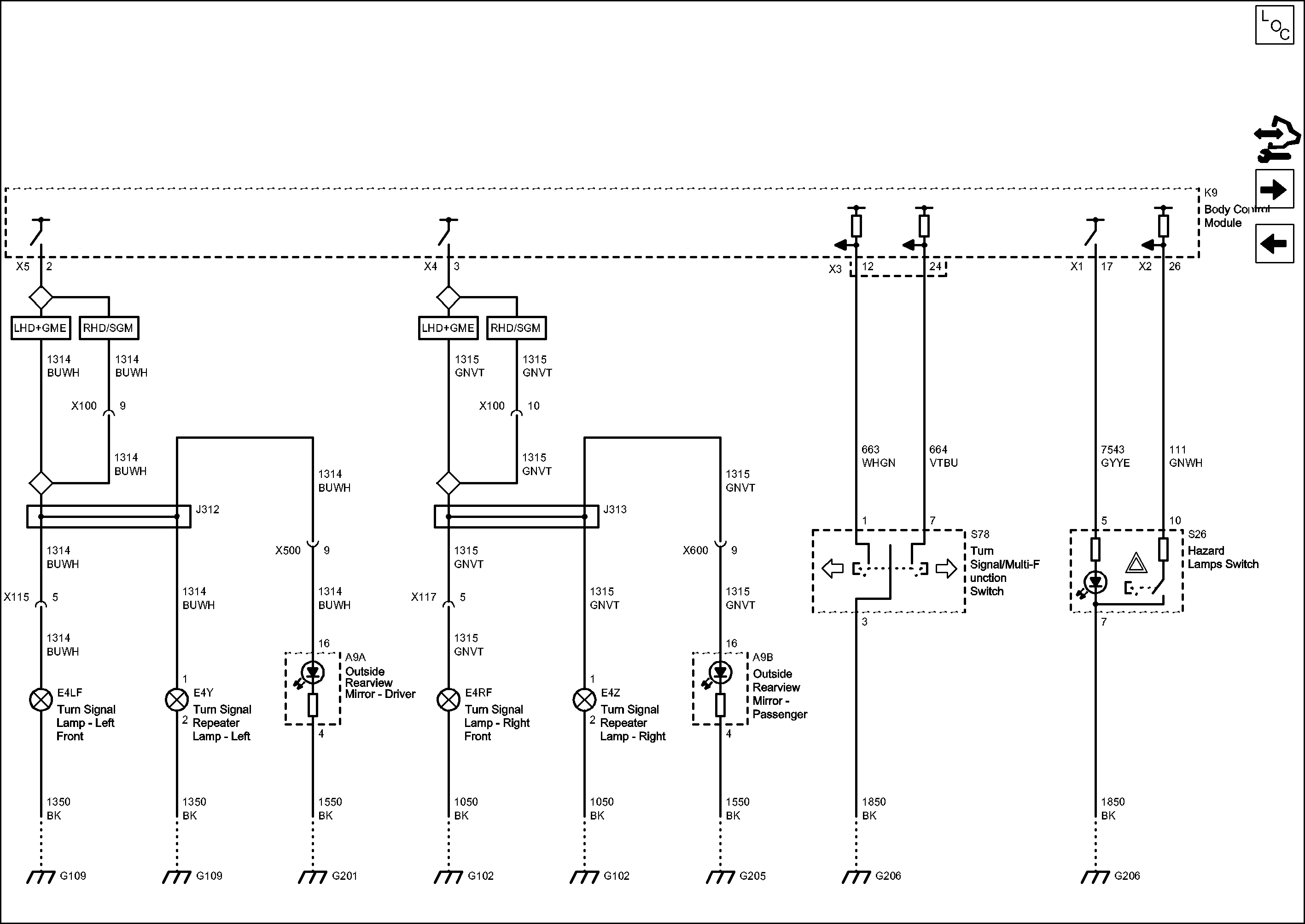
Figure 6:

Turn Signal Lamps Rear


Object Number: 2179826  Size: FS
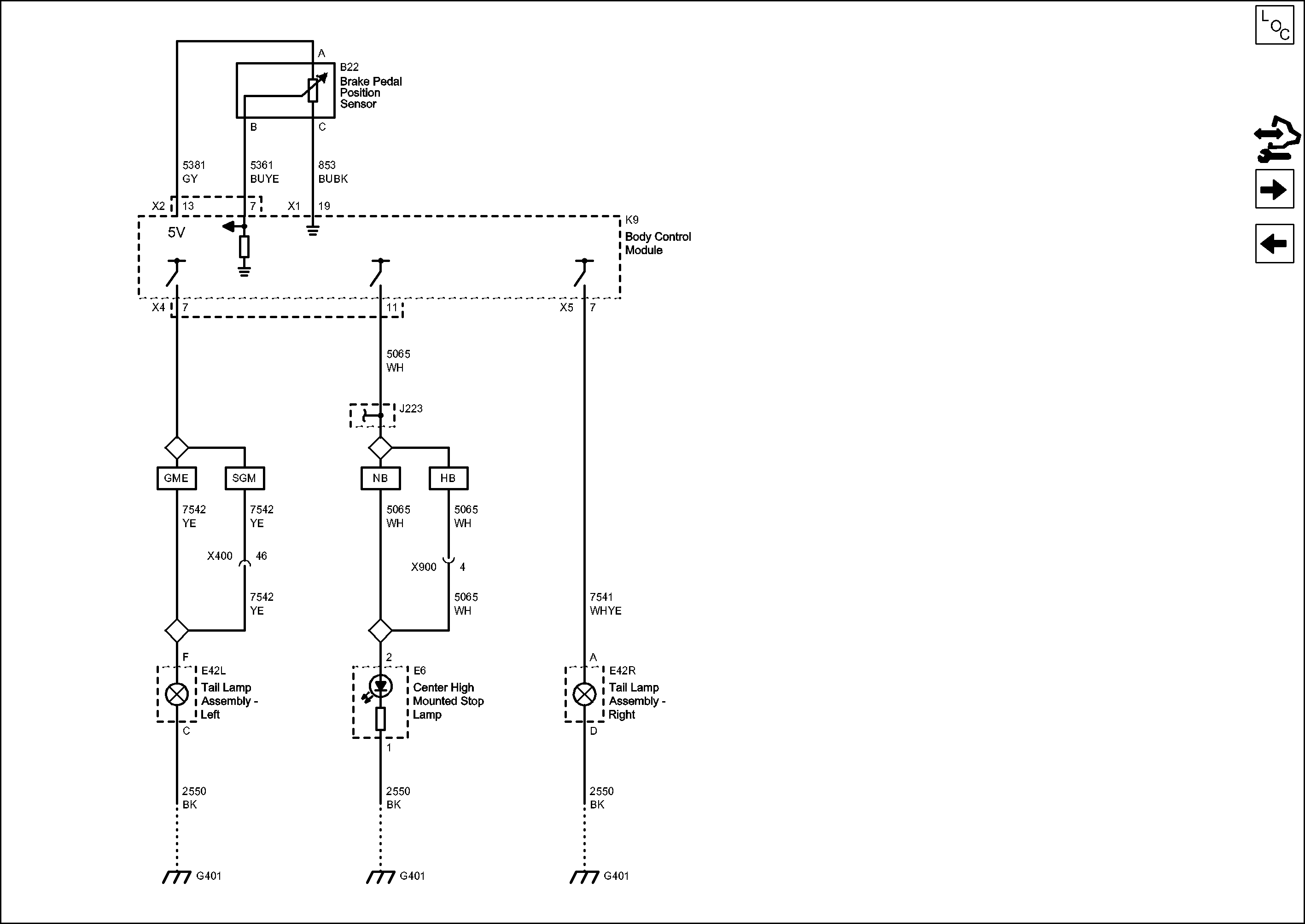
Figure 7:

Stop Lamps


Object Number: 2179827  Size: FS
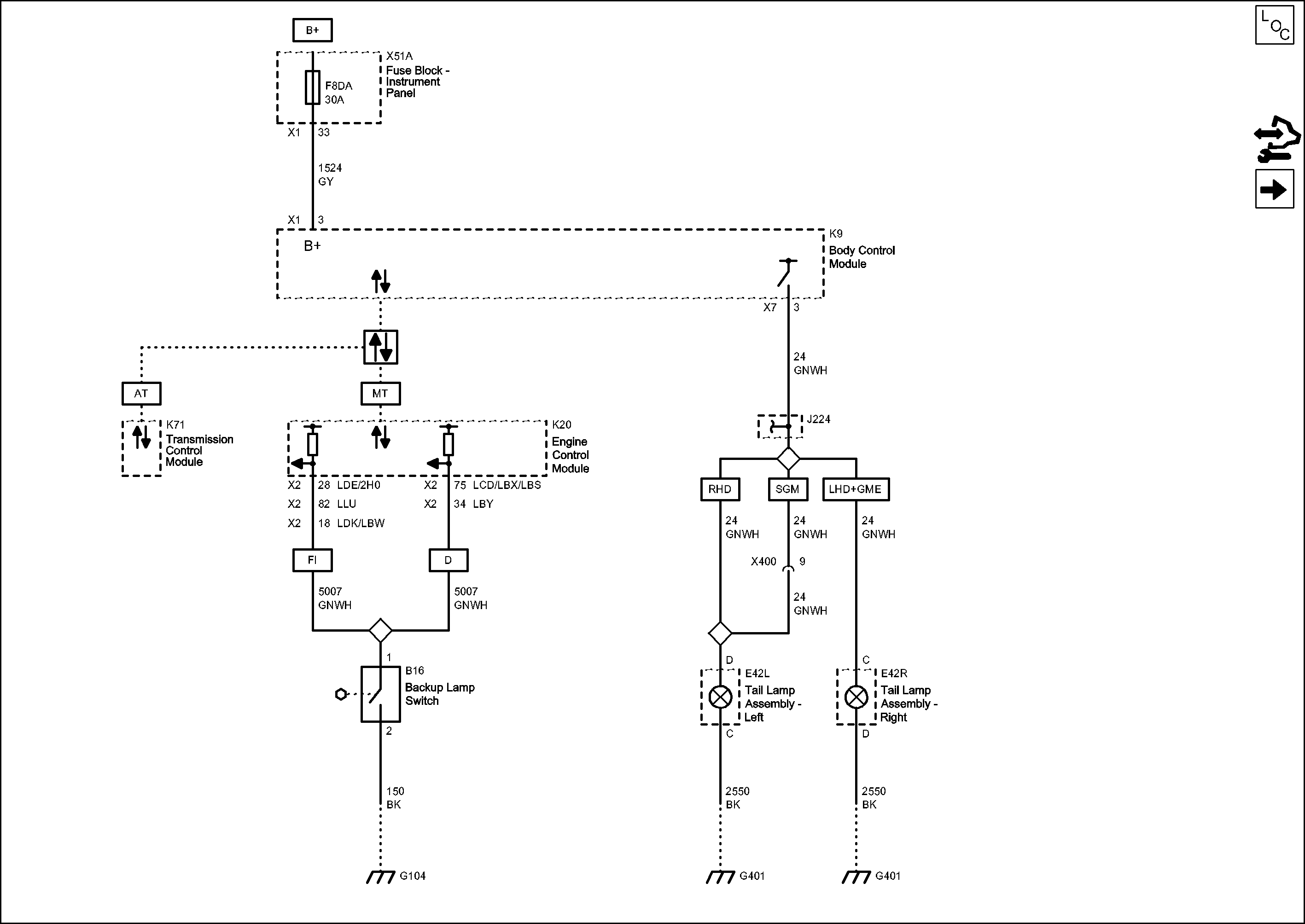
Figure 8:

Back-up Lamps


Object Number: 2179828  Size: FS