GM Service Manual Online
For 1990-2009 cars only
Makes
🢒
Buick
🢒
2009
🢒
Regal
🢒
Body Systems
🢒
Mirrors
🢒 Outside Rearview Mirror Schematics
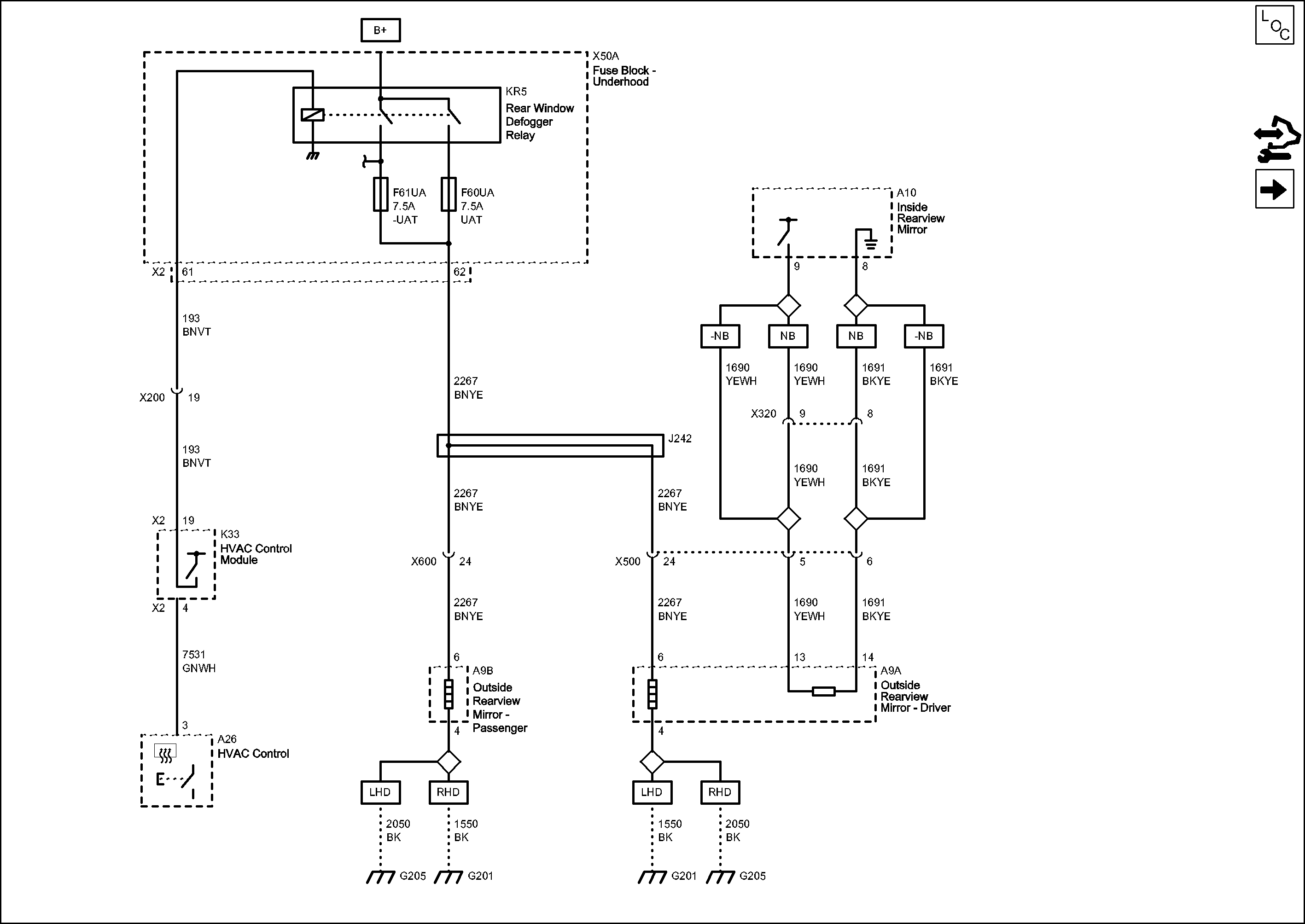
Figure
1:
Heated and Automatic Day/Night Outside Mirrors
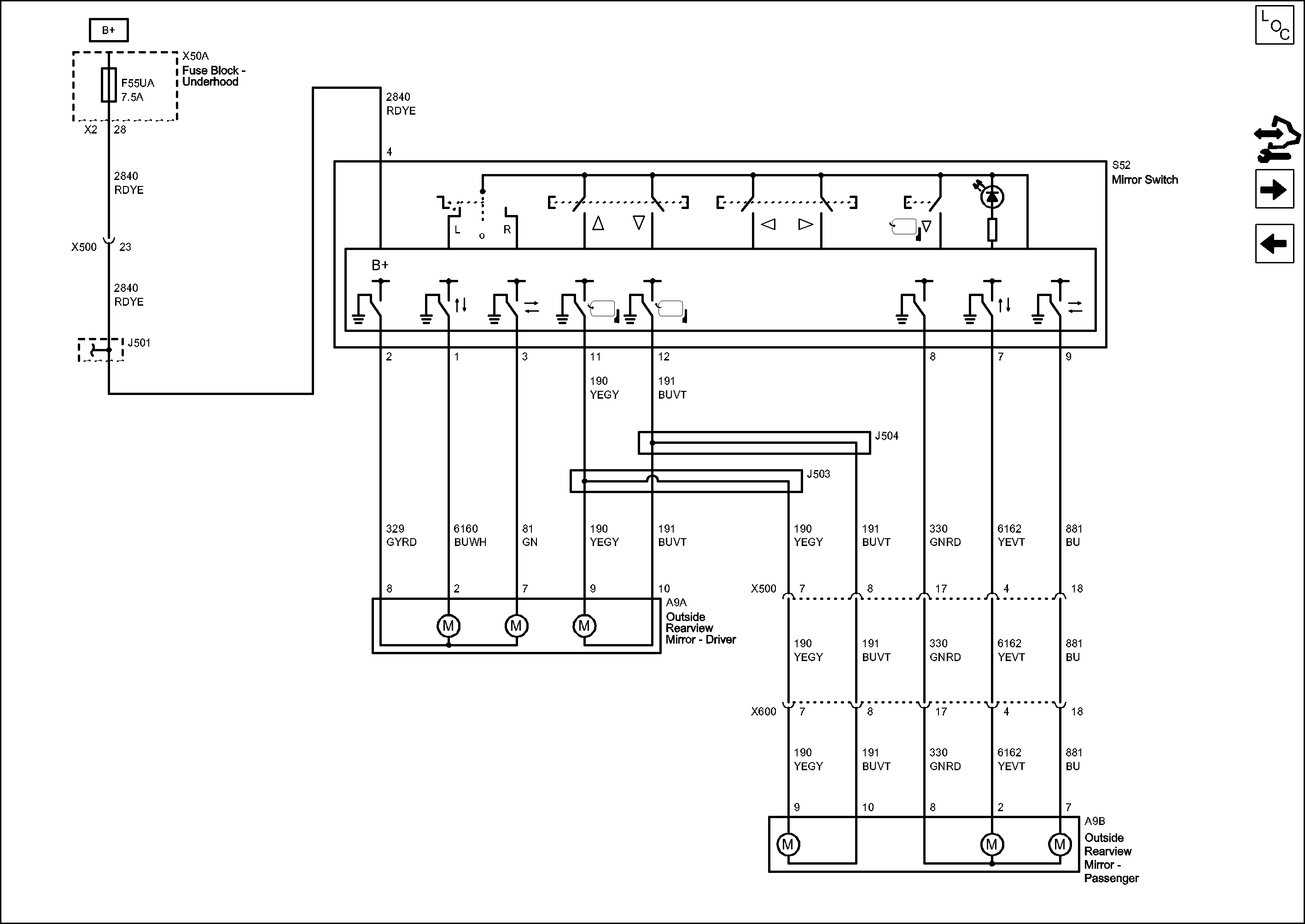
Figure
2:
Outside Rearview Mirror w/o Memory
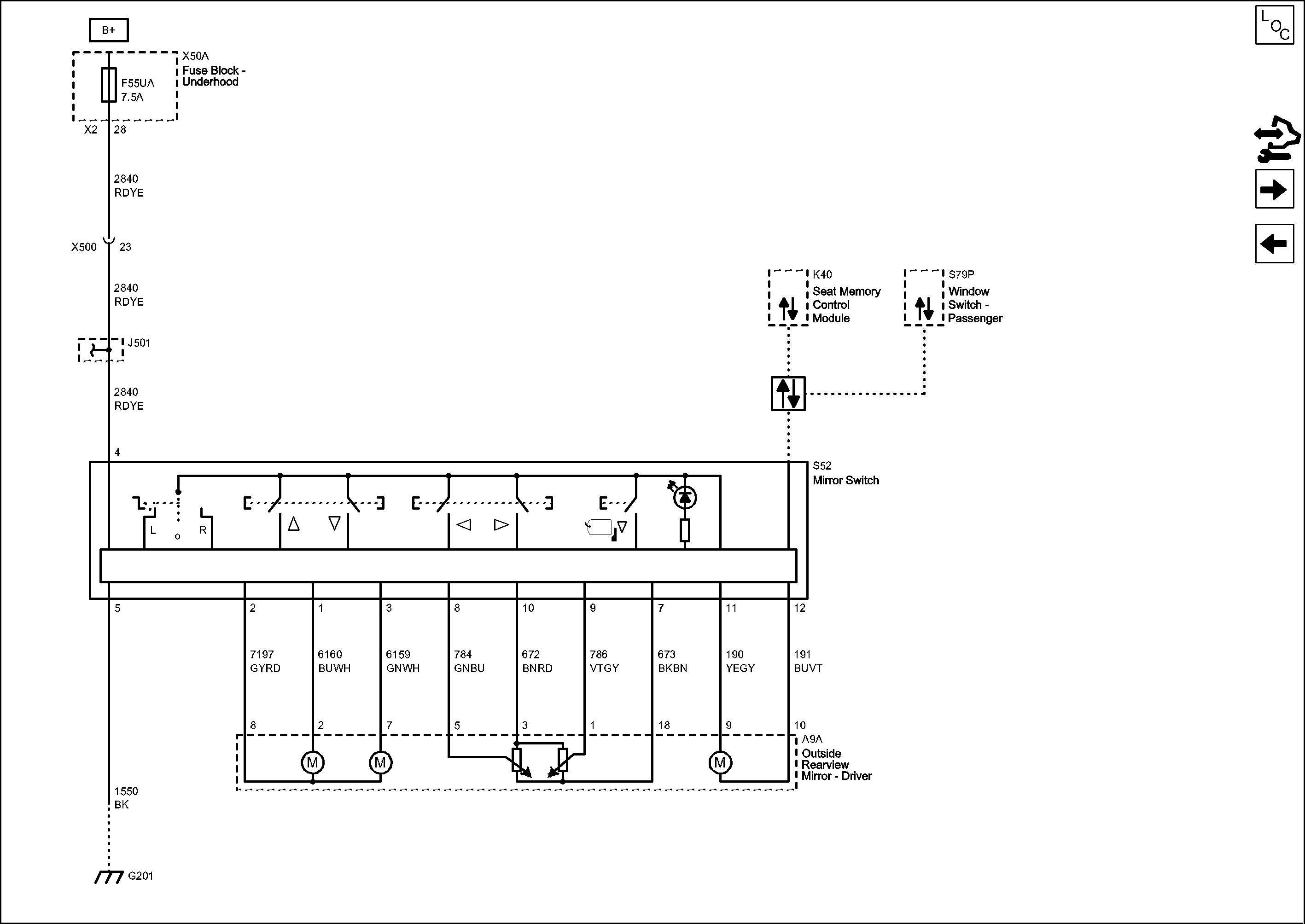
Figure
3:
Driver Side Outside Mirror with Memory
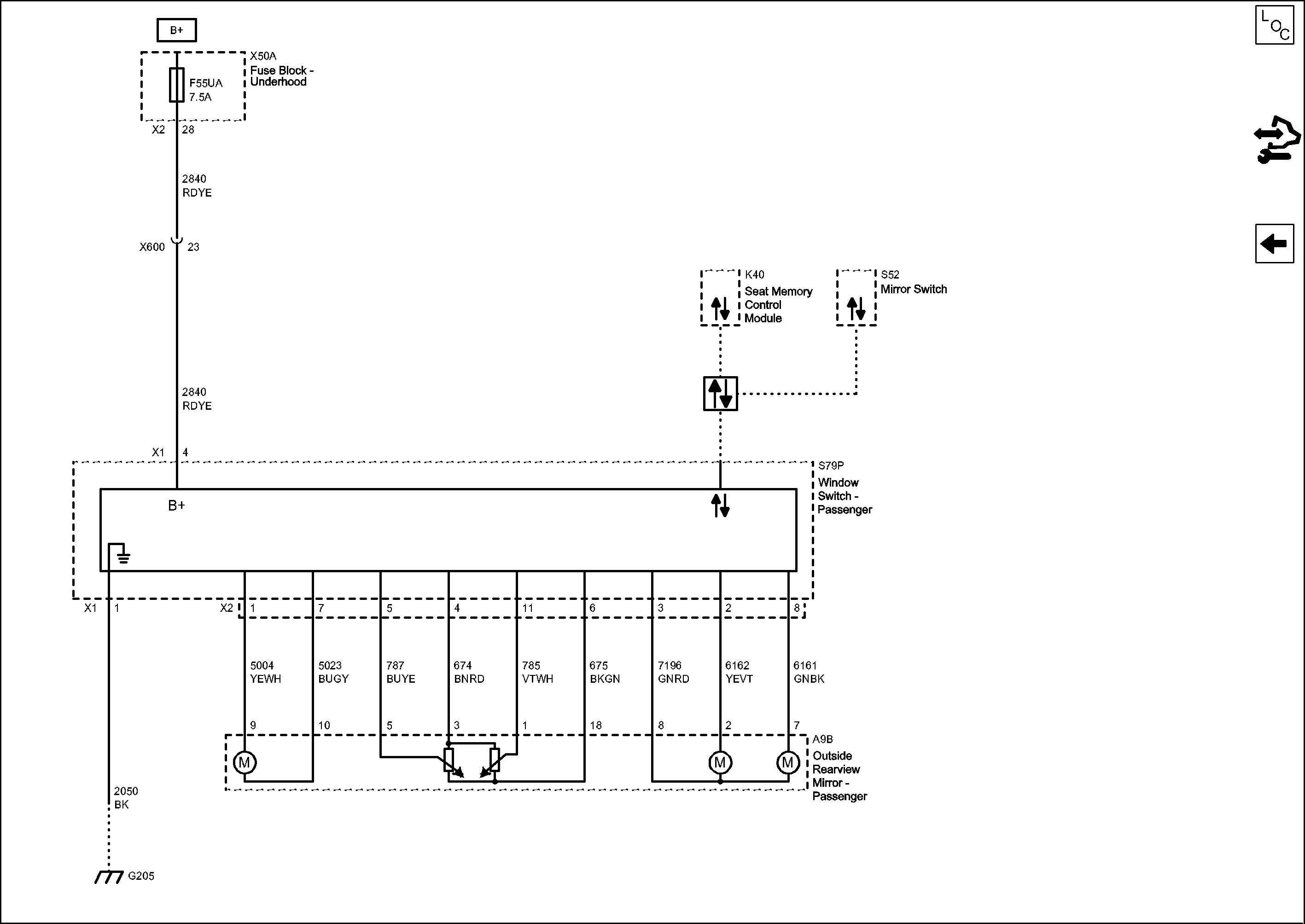
Figure
4:
Front Passenger Side Outside Mirror with Memory