GM Service Manual Online
For 1990-2009 cars only
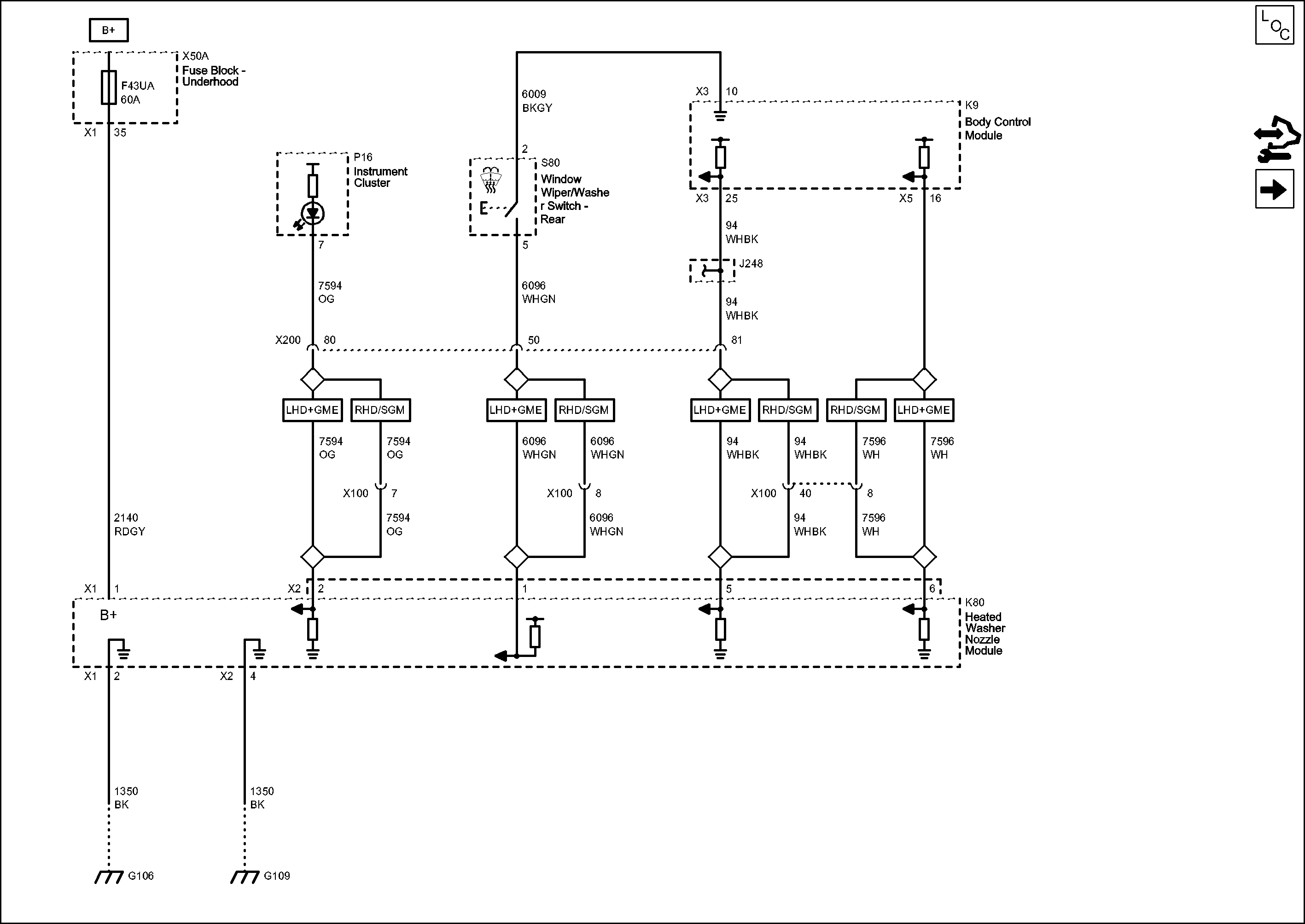
Figure 1:

Heated Wash


Object Number: 2179854  Size: FS
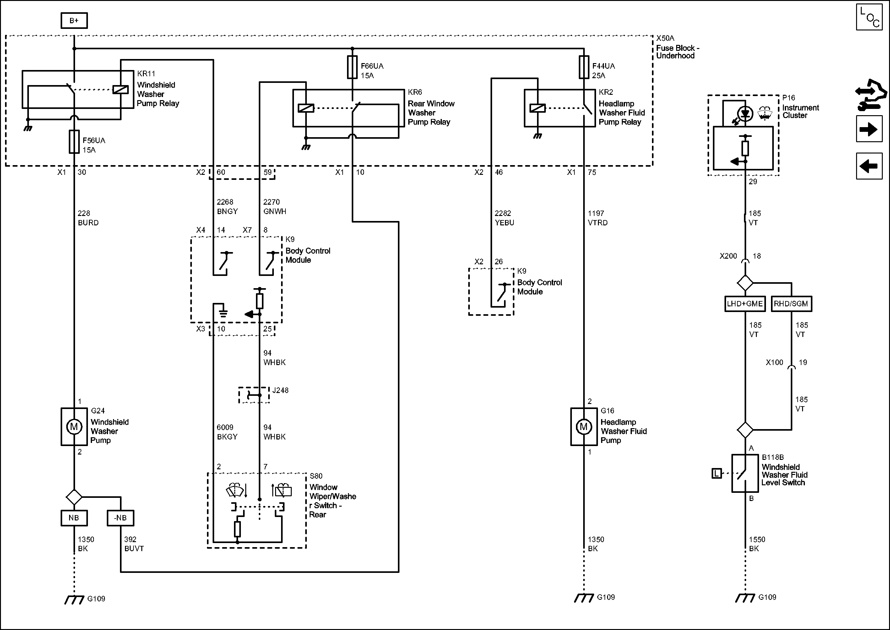
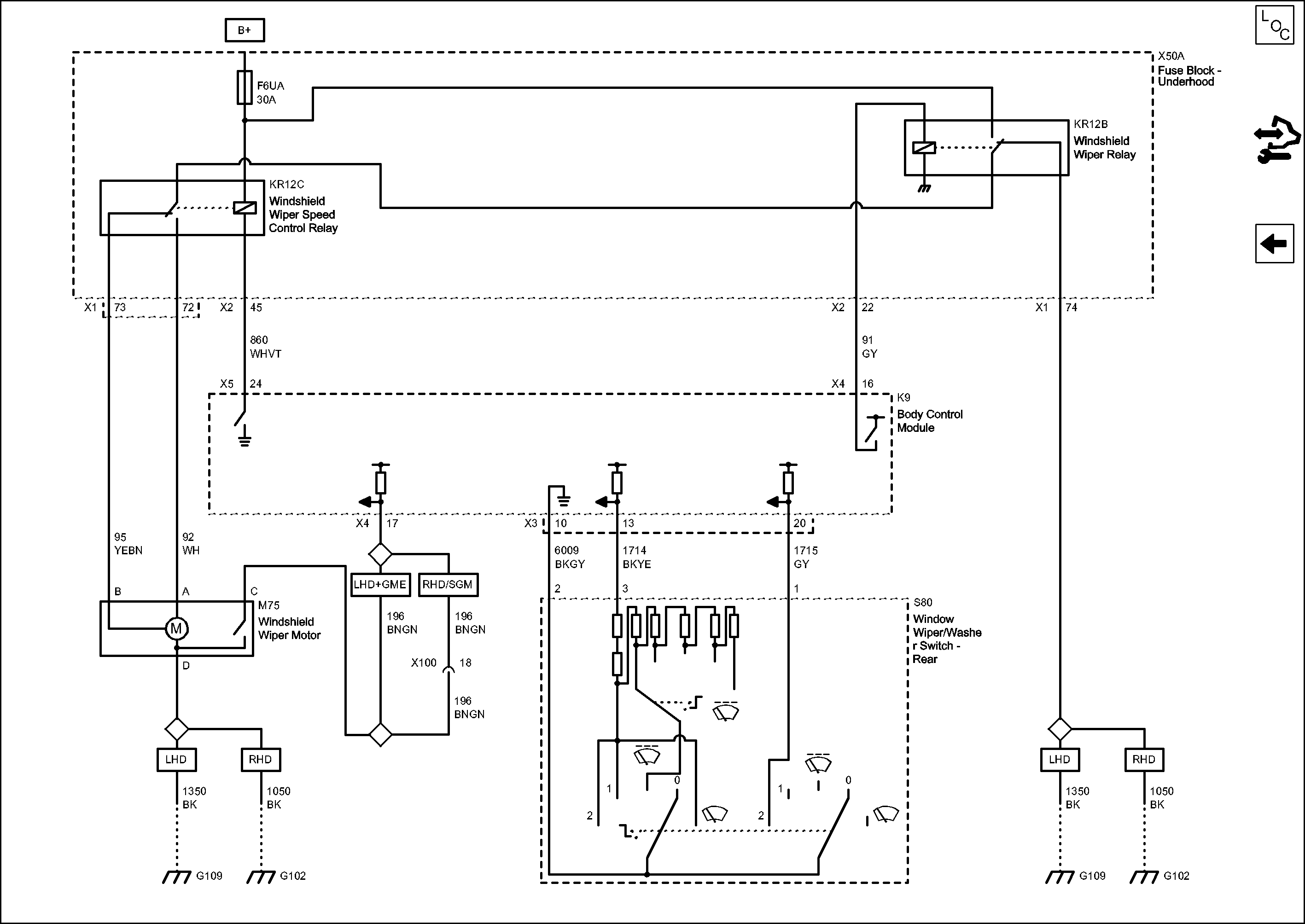
Figure 2:

Front Wiper


Object Number: 2179855  Size: FS
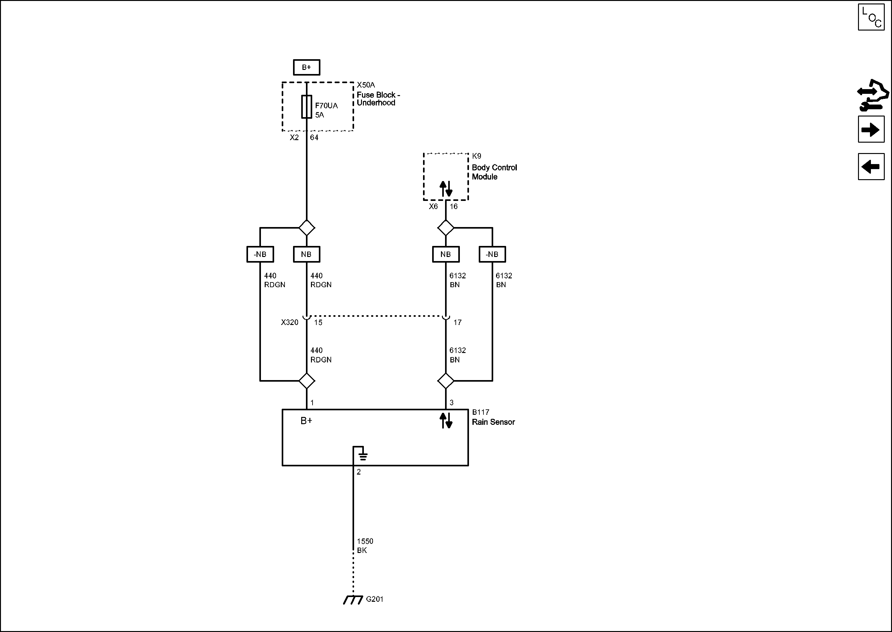
Figure 3:

Rain Sensor


Object Number: 2179856  Size: FS
Figure 4:

Washer System


Object Number: 2179858  Size: FS