GM Service Manual Online
For 1990-2009 cars only
Makes
🢒
Buick
🢒
2009
🢒
Regal
🢒
Steering
🢒
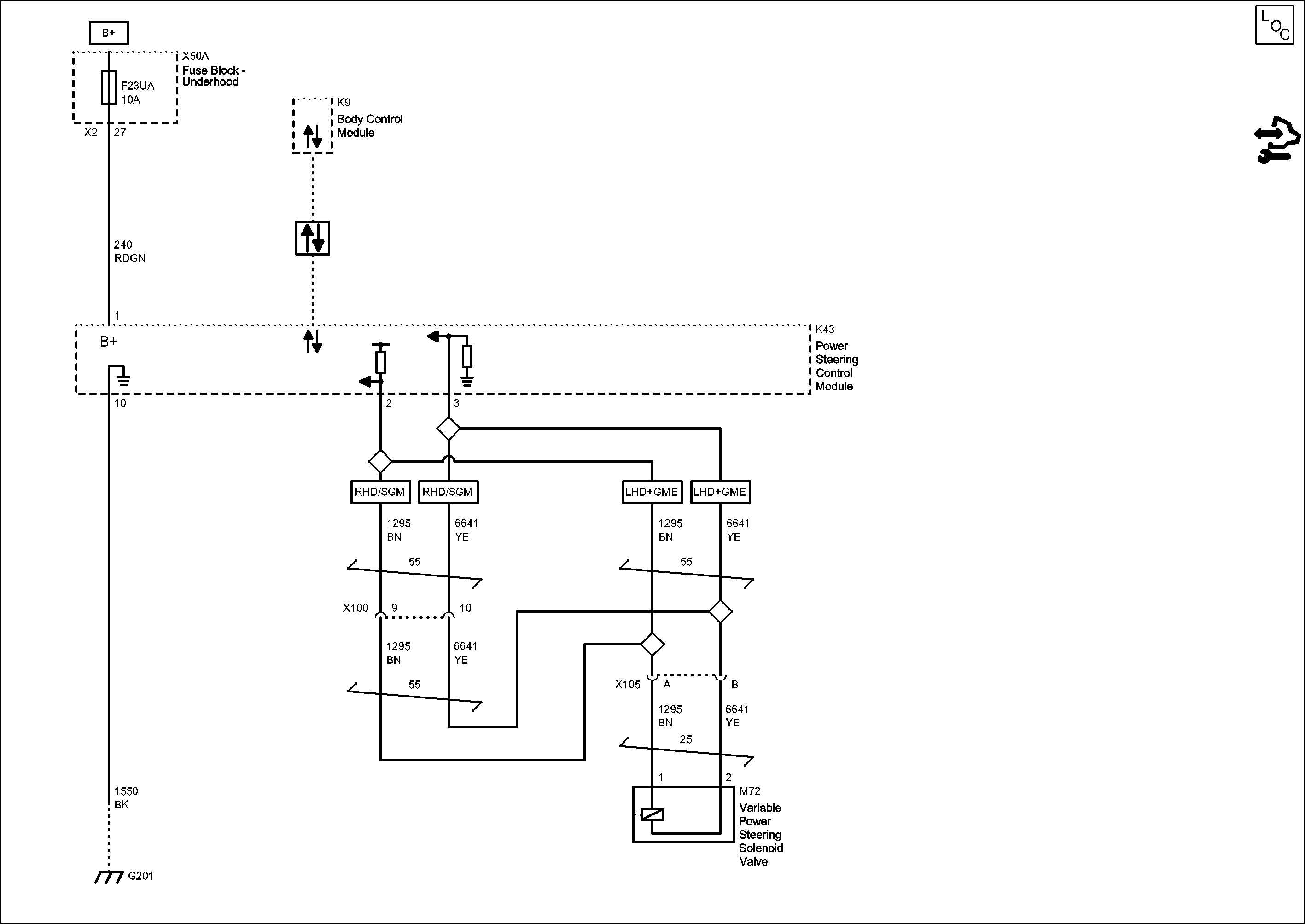
Power Steering
🢒 Power Steering Schematics
Variable Effort Steering