GM Service Manual Online
For 1990-2009 cars only
Makes
🢒
Buick
🢒
2009
🢒
Regal
🢒
Safety and Security
🢒
Object Detection
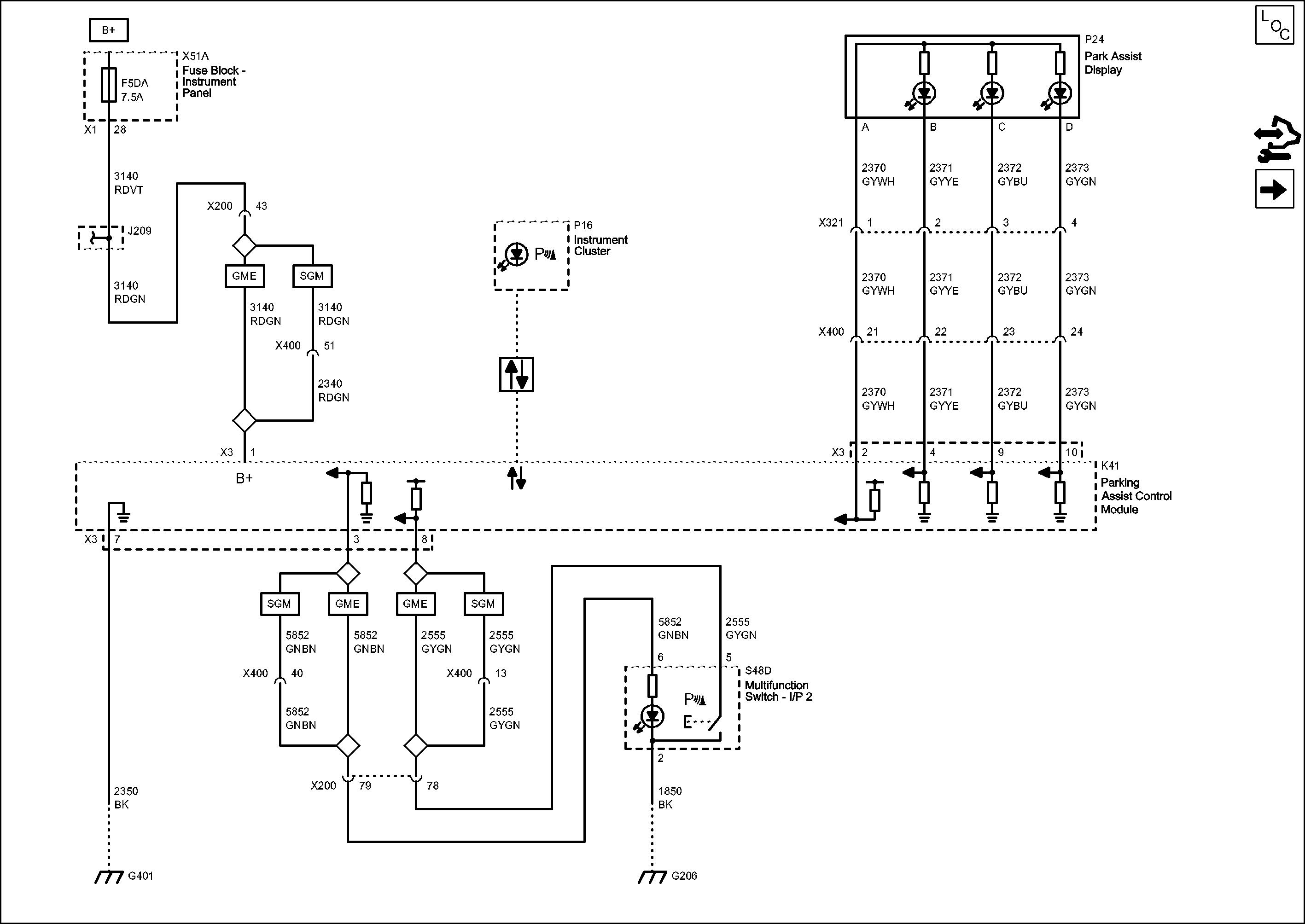
🢒 Object Detection Schematics
Figure
1:
Power, Ground, Serial Data and Switch
Figure
2:
Rear Object Sensors