GM Service Manual Online
For 1990-2009 cars only
Makes
🢒
Buick
🢒
2009
🢒
Regal
🢒
Safety and Security
🢒
Remote Functions
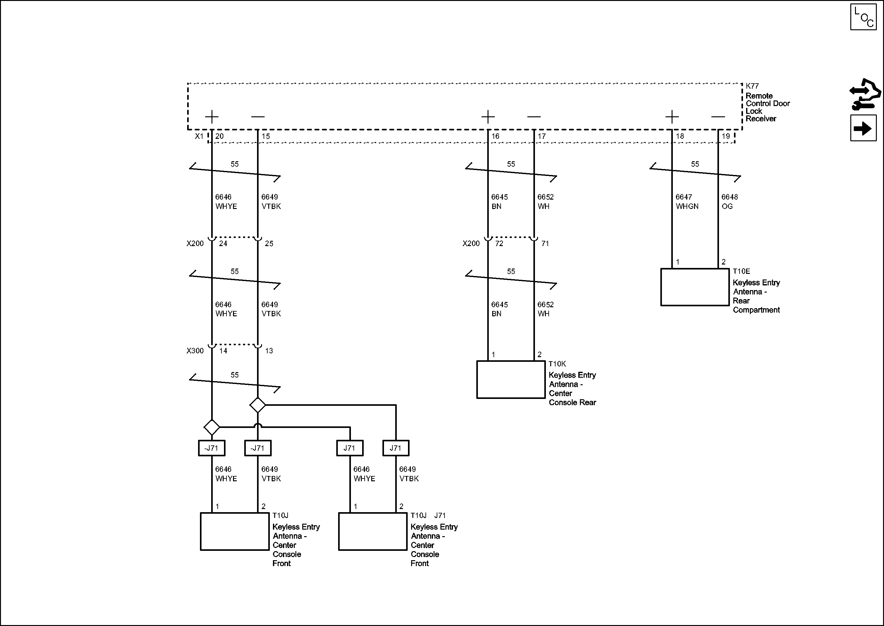
🢒 Remote Function Schematics
Figure
1:
Antennas, Inside Detection
Figure
2:
Antennas, Outside Detection