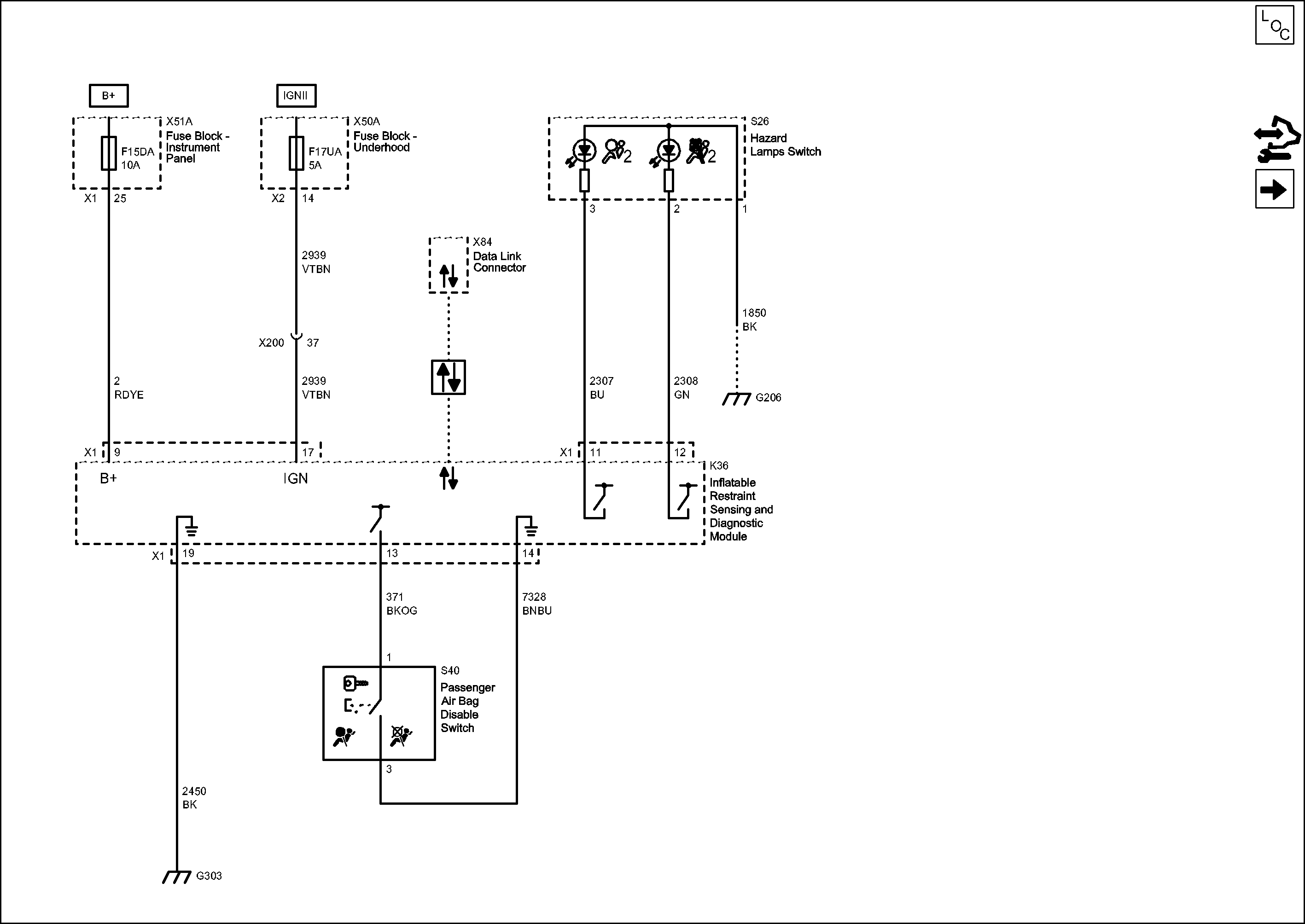
| Figure 1: |
Power, Ground, Indicator and Disable Switch
|
| Figure 2: |
Front Impact Modules
|
| Figure 3: |
Side Impact and Roof Rail Modules
|
| Figure 4: |
Seat Belt Pretensioners
|
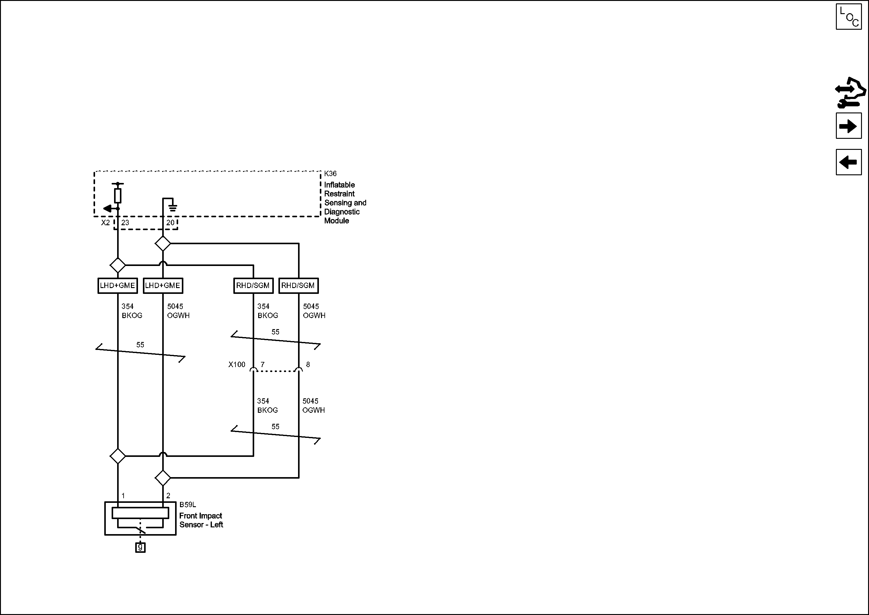
| Figure 5: |
Front Impact Sensors
|
| Figure 6: |
Side Impact Sensors
|