GM Service Manual Online
For 1990-2009 cars only
Makes
🢒
Buick
🢒
2000
🢒
Regal (China)
🢒
Body and Accessories
🢒
Lighting Systems
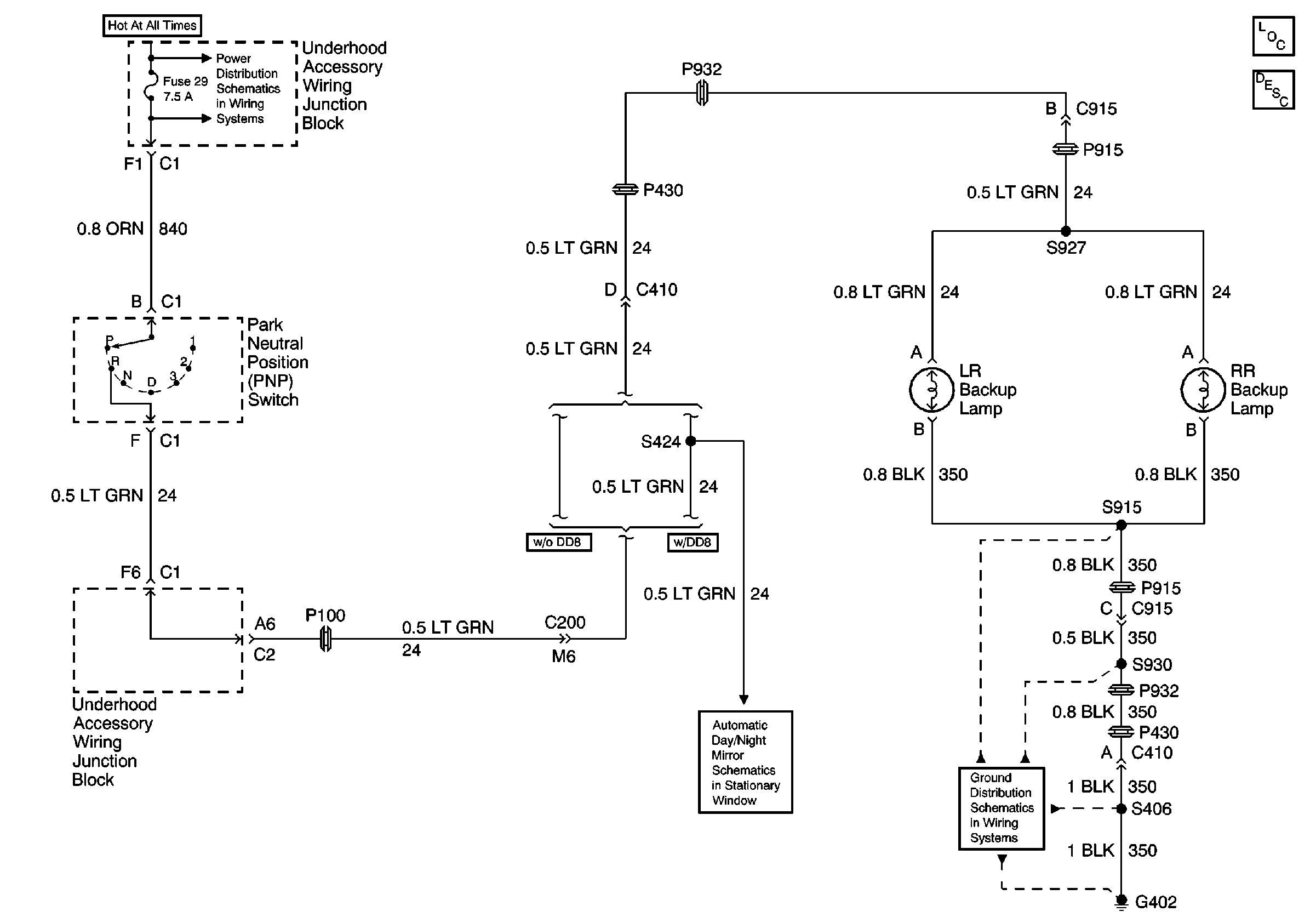
🢒 Backup Lamp Schematics
PNP Switch and Backup Lamps
UAWJB, PNP Switch, PCM, Generator, Headlamp Module and Switch
Power, PNP and Ground
G402
Lighting Systems Components
Backup Lamp Circuit Description