GM Service Manual Online
For 1990-2009 cars only
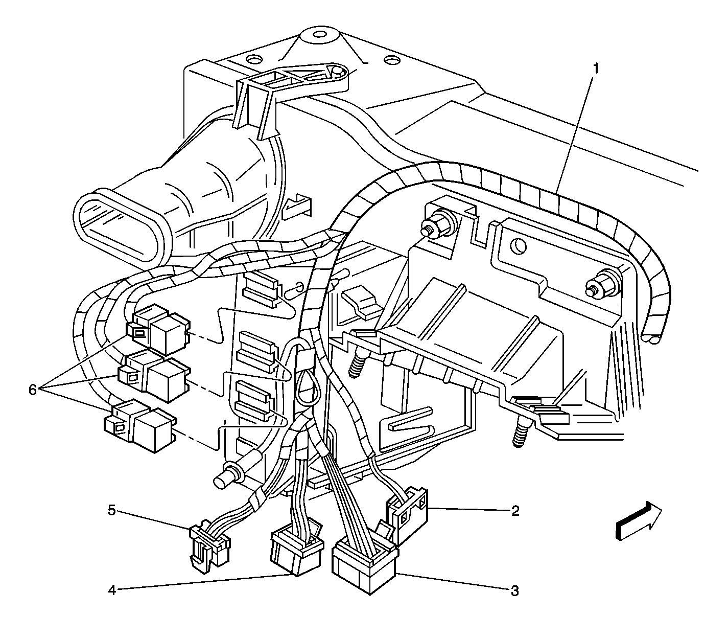
Figure 1:

Behind Left Side of Instrument Panel (GLX)


Object Number: 490902  Size: LF
(1)Instrument Panel Wiring Harness
(2)Fog Lamp and Deck Lid Switch Conector
(3)Body Control Module Connector, C1
(4)Body Control Module Connector, C2
(5)Body Control Module Connector, C3
(6)Backup Relay, Rear Fog Lamp Relay and Hazard Lamp and Turn SIgnal Flasher
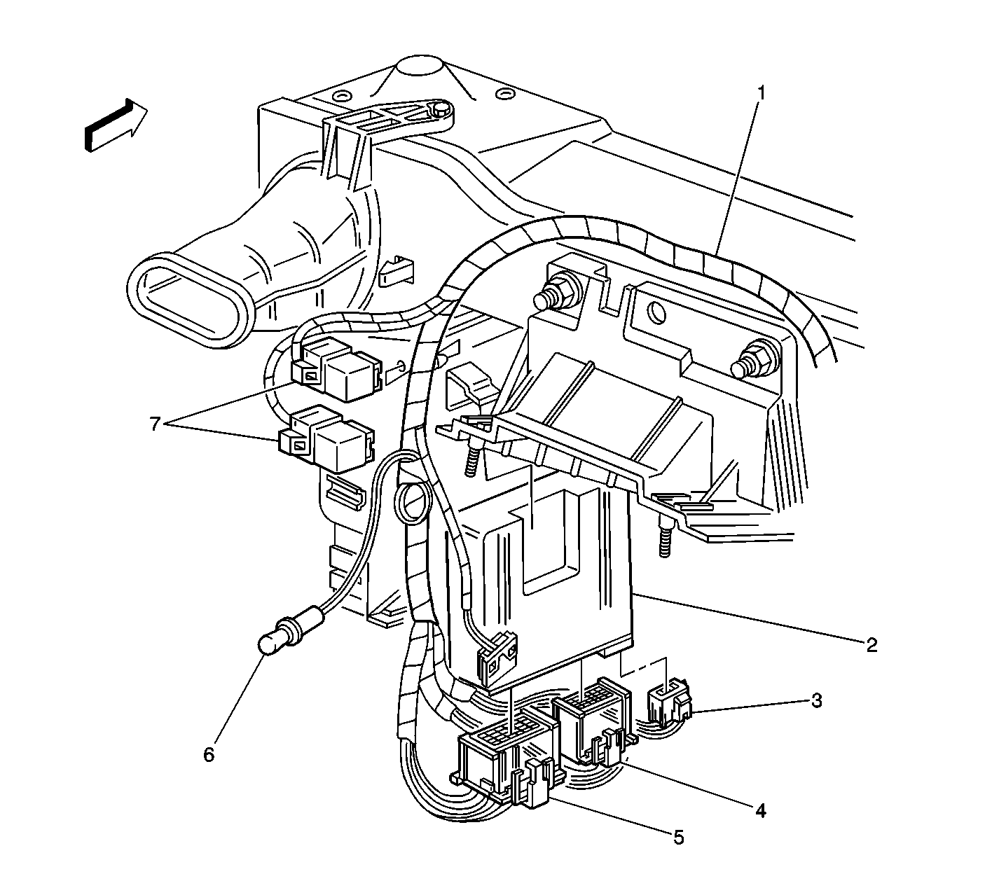
Figure 2:

Behind Left Side of Instrument Panel (GL)


Object Number: 491485  Size: LF
(1)Instrument Panel
(2)Body Control Module Connector, C3
(3)Body Control Module Conector, C2
(4)Body Control Module Connector, C1
(6)Instrument Panel Compartment Courtesy Lamp
(7)Rear Fog Lamp Relay, Hazard Lamp/Turn Signal Lamp Flasher Relay