GM Service Manual Online
For 1990-2009 cars only
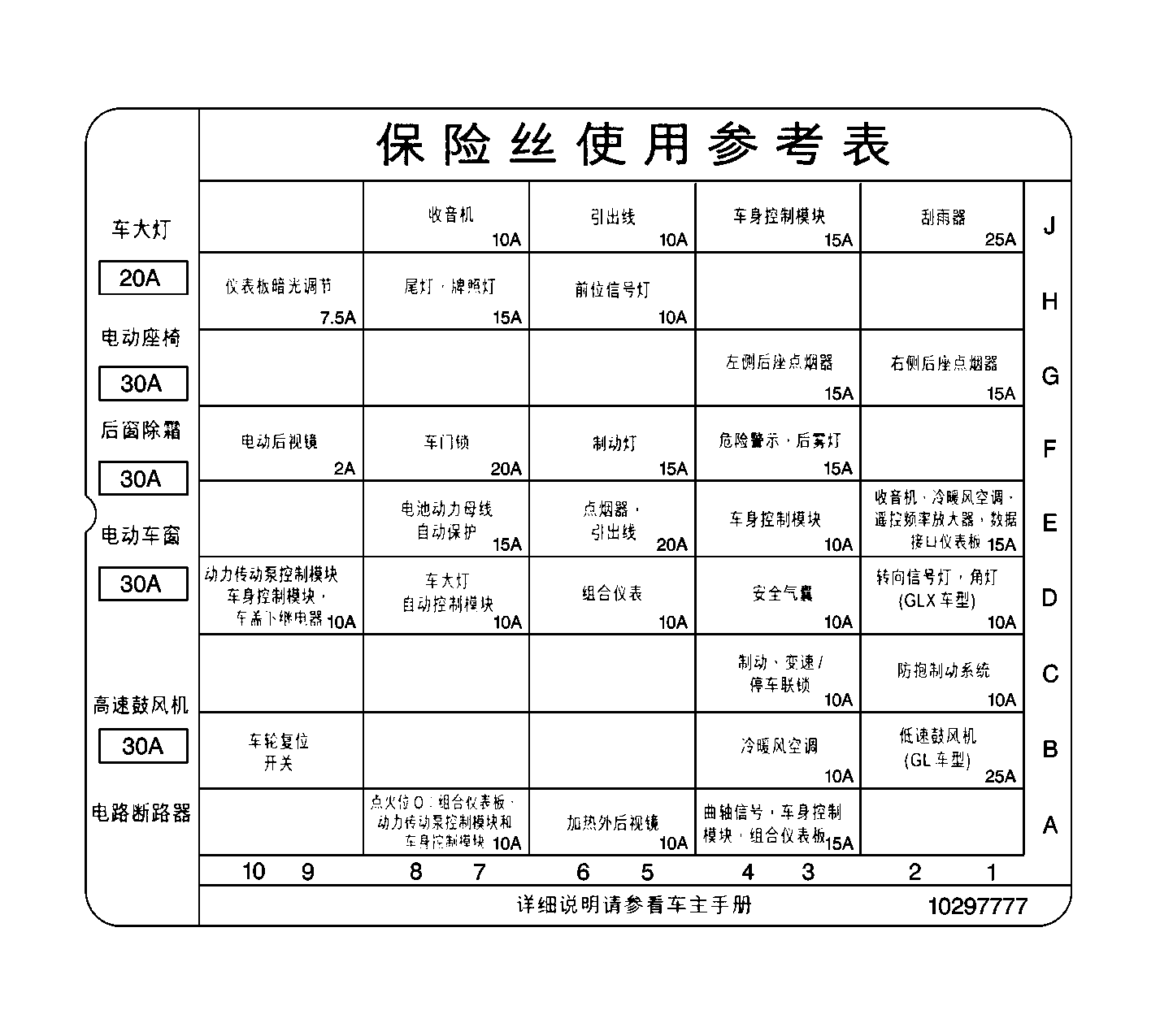
Figure 1:

Fuse Label


Object Number: 486168  Size: LF
Figure 2:

Instrument Panel Fuse Center (Top View)


Object Number: 623919  Size: LF
Figure 3:

Instrument Panel Fuse Center (Bottom View)


Object Number: 623922  Size: LF

Fuse/Circuit Breaker

Rating

Description

Fuse A3-4

10A

Hot in START to Instrument Cluster, BCM and PCM

Fuse A5-6

10A

Switched Ignition to Heated Mirrors

Fuse A7-8

10A

Ignition 0 to Instrument Cluster, BCM and PCM

Fuse B1-2

20A

Ignition 3 to Heater and A/C Control Blower Switch (C60/CJ3)

Fuse B3-4

10A

Ignition 2 to Front and Rear HVAC Controls, Driver and Passenger Heated Seat Controls, Automatic Day-Night Rearview Mirror and Automatic Headlamp Control Module

Fuse B9-10

--

Tire Reset Switch

Fuse C1-2

10A

Ignition 1 to Electronic Brake Control Module/Electronic Brake Traction Control Module (EBCM/EBTCM)

Fuse C3-4

10A

Ignition 1 to Stop Lamp Switched BTSI Controls

Fuse D1-2

10A

Ignition 1 to Turn Signal Switch for Turn Signal Lamps

Fuse D3-4

10A

Ignition 1 to Inflatable Restraint Sensing and Diagnostic Module (SDM)

Fuse D5-6

10A

Ignition 1 to Instrument Cluster

Fuse D7-8

10A

Ignition 1 to Automatic Headlamp Control Module

Fuse D9-10

10A

Ignition 1 to BCM, PCM, Underhood Electrical Center: CRANK and IGN MAIN Relay to A/C CLU Relay, F/INJR, ENG EMIS, ELEK IGN, and TRANS Fuses

Fuse E1-2

15A

Battery to Heater-A/C Control, Radio, Instrument Cluster, DLC and Remote Control Door Lock Receiver (RCDLR)

Fuse E3-4

10A

Battery Power to BCM

Fuse E5-6

15A

Battery to Cigar Lighter, Power Drop Connector

Fuse E7-8

20A

Battery to BCM and Accessory Time Delay (RAP) Relay

Fuse F3-4

15A

Battery to Turn Signal Switch for Hazard Warning Lampsand Rear Fog Lamp Relay

Fuse F5-6

15A

Battery to Stop Lamp Switch

Fuse F7-8

20A

Battery to Door Lock Relay, BCM for Power Door Locks and Rear Compartment Lid Release Relay

Fuse F9-10

2A

Battery to Outside Remote Control Rearview Mirror Switch

Fuse G1-2

15A

Battery to Right Rear Cigar Lighter

Fuse G3-4

15A

Battery to Left Rear Cigar Lighter

Fuse H5-6

10A

Tail Lamps, License Lamps Switched Battery to Headlamp Switch, Automatic Headlamp Control Module to Underhood Accessory Wiring Junction Block to Headlamps

Fuse H7-8

15

Park Lamp Switched Battery to Rear Parking, License, Tail/Stop/Turn Signal Lamps

Fuse H9-10

7.5A

Park Lamp Switched Battery to Step Dim Radio, Headlamp Switch Instrument Cluster and Heater-A/C Control (C 60 /CJ 3) Vacuum Fluorescent Lamps

Fuse J1-2

25A

Accessory Power to Windshield Wipers Motor and Windshield Wiper/Washer Switch

Fuse J3-4

10A

Accessory Power to BCM

Fuse J5-6

10A

Accessory Power to Power Drop Connector

Fuse J7-8

2A

Accessory Power to Radio and Rear Radio Control Module

Circuit Breaker K1-2

30A

Battery to Blower Motor Resistor (C 60/CJ 3) and Blower Motor Control Module (CJ 4)

Circuit Breaker L1-2

30A

Accessory Power to Left Front Window Switch

Circuit Breaker M1-2

30A

Battery to Rear Window Defogger Relay

Circuit Breaker N1-2

30A

Battery to Drive Seat Adjuster Switch and Passenger Seat Adjuster Switch

Circuit Breaker P1-2-3

20-A

Battrery to Automatic Headlamp Control Module, Headlamp Switch and Headlamp Dimmer Switch

Underhood Accessory Wiring Junction Block Label


Object Number: 473196  Size: LF

Fuse

Rating

Description

Fuse 1

60A

Electronic Brake Control Module/Electronic Brake Traction Control Module (EBCM/EBTCM)

Fuse 2

60A

CRANK Relay

Fuse 3

60A

Right Rear CIGAR LIGHTER and Left Rear CIGAR LIGHTER fuses and REAR DEFOG and POWER SEAT Circuit Breakers

Fuse 4

60A

HAZARD, STOP LAMPS, DOOR LOCKS and POWER MIRROR Fuses and HIGH BLOWER Circuit Breaker

Fuse 5

30A

Ignition Switch to IGN 0: CLUSTER PCM BCM, PARK LOCK, ABS, BTSI PARK LOCK, TURN SIGNALS CORN LPS, AIR BAG, CLUSTER, PCM BCM IGN RELAY and CRANK SIGNAL BCM CLUSTER Fuses

Fuse 6

25A

Coolant Fans Relay

Fuse 7

60A

RADIO HVAC RFA CLUSTER ABS, BCM, CIGAR LTR, INADV POWER BUS Fuses

Fuse 8

60A

Accessory Time Delayed (RAP) Relay, Ignition Switch to WIPER, BCM ACC , POWER DROP, RADIO, LOW BLOWER and HVAC Fuses

Relay 9

--

Coolant Fan

Relay 10

--

Coolant Fan

Relay11

--

Starter

Relay 12

--

Coolant Fan

Relay 13

--

Ignition

Relay 14

--

Air Conditioning

Relay 15

--

Horns

Relay 16

--

Fog Lamps

Relay 17

--

Fuel Pump

Fuse 18

10A

Generator

Fuse 19

10A

Powertrain Control Module (PCM)

Fuse 20

10A

A/C CLU Relay to A/C Compressor Clutch Coil

Fuse 21

15A

COOL FAN 2 and 3 Relays

Fuse 22

15A

Ignition Control Module (ICM)

Fuse 23

10A

Automatic Transaxle: Torque Converter Clutch and Shift Controls

Fuse 24

15A

HORN Relay to horn (High and Low note)

Fuse 25

15A

Fuel Injectors

Fuse 26

10A

Heated Oxygen Sensor (HO2S)

Fuse 27

10A

Powertrain Controlled Devices: EVAP Canister Purge Solenoid Valve, Mass Air Flow (MAF) Sensor, Stop Lamp Switch (TCC) to PCM

Fuse 28

15A

FOG LP Relay to Fog lamps

Fuse 29

7.5A

Transaxle Range Switched to Backup Lamps

Fuse 30

20A

Headlamp Switch, Automatic Headlamp Control Module

Fuse 31

15A

F/PMP Relay

Figure 4:

Underhood Accessory Wiring Junction Block (Bottom View)


Object Number: 473197  Size: LF
Figure 5:

Underhood Accessory Wiring Junction Block


Object Number: 473825  Size: LF
(1)Underhood Accessory Junction Block Connector, C6
(2)Underhood Accessory Junction Block Connector, C3 (Forward Lamp)
(3)Underhood Accessory Wiring Junction Block Connector, C2 (IP)
(4)Underhood Accessroy Wiring Junction Block Connector, C1 (Engine)
(5)Underhood Accessroy Wiring Junction Block Connector, C7
(6)Underhood Accessory Wiring Junction Block Connector, C5
(7)Underhood Accessory Wiring Junction Block Connector, C4
Figure 6:

Center of Instrument Panel


Object Number: 472462  Size: LF
(1)C242
Figure 7:

Rear Door Lighter Lighter Component View


Object Number: 473821  Size: LF
(1)Cigar Lighter
(2)Cigar Lighter Housing
(3)Cigar Lighter Illumination Ring
(4)Cigar Lighter Connector