GM Service Manual Online
For 1990-2009 cars only
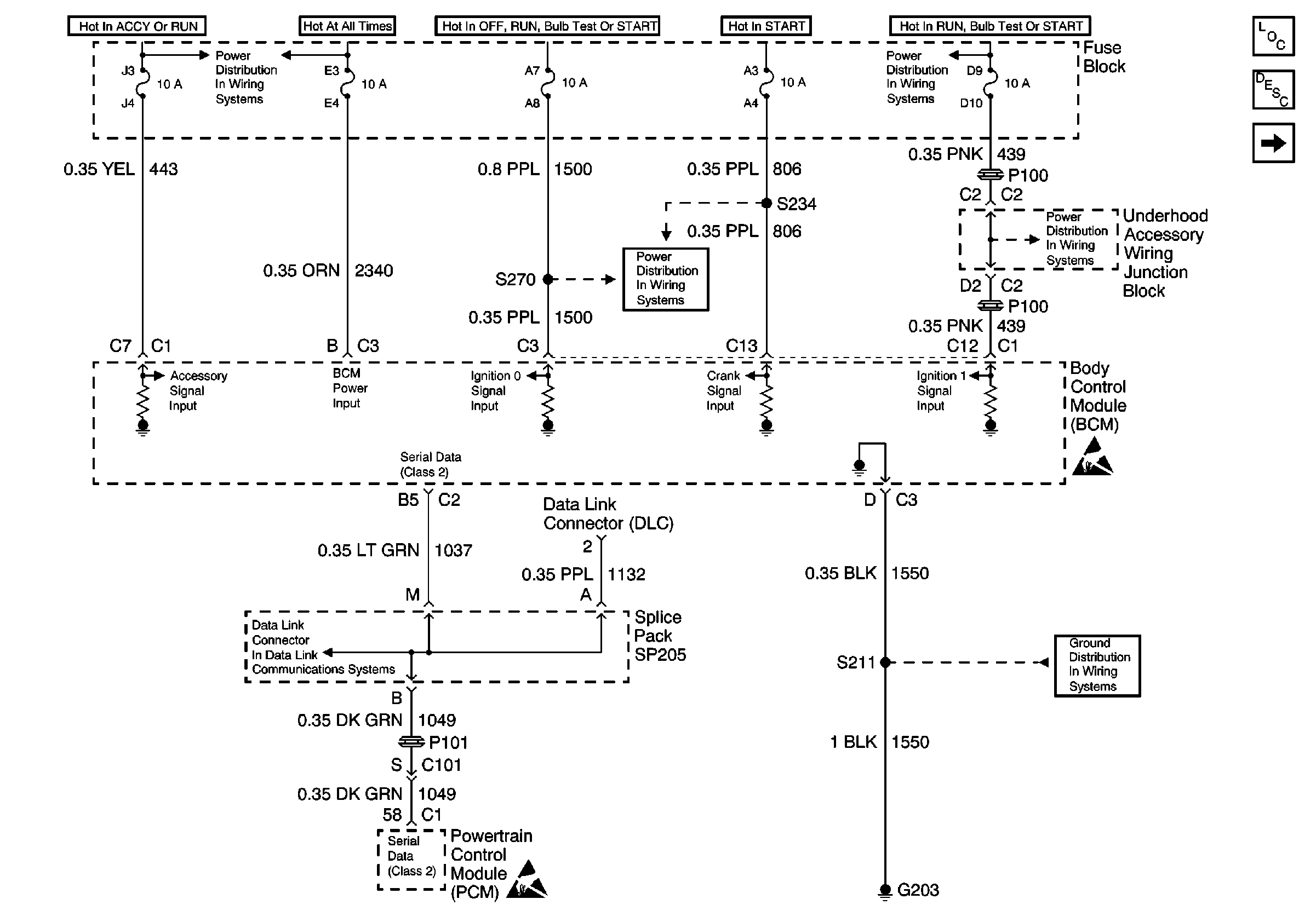
Figure 1:

Door Locks Schematics (Auto Door Lock Inputs)


Object Number: 484071  Size: FS
GLX: RAP Relay, UAWJB, Ignition Switch and Fuse Block
DLC Schematic
Fuse Block, Outside Rearview Mirrors and PCM
UAWJB, Ignition Switch and Fuse Block
Handling ESD Sensitive Parts Notice
G203
Power Door Systems Components
Power Door Locks Circuit Description
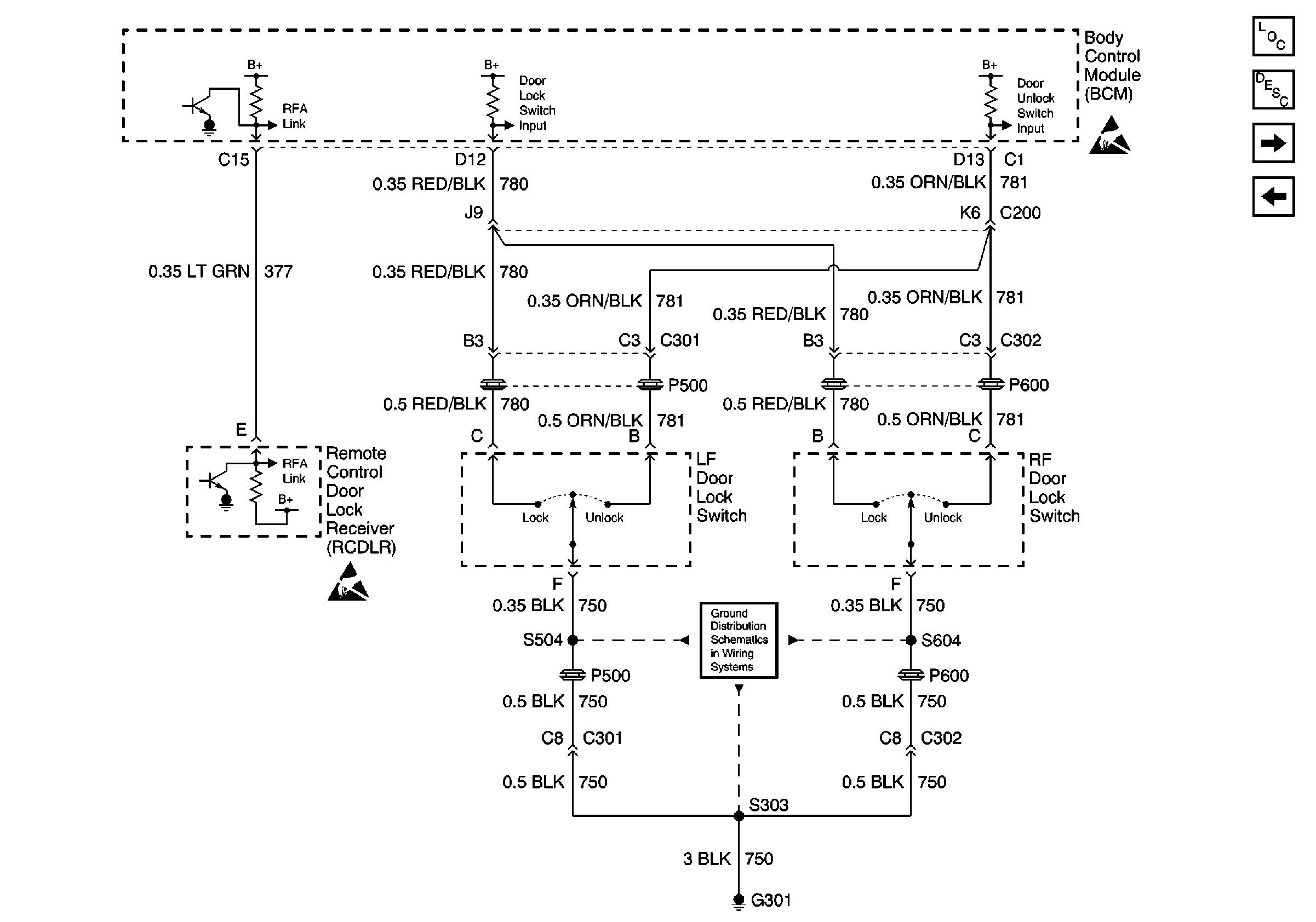
Door Locks Schematics (Auto Door Lock Inputs)
Figure 2:

Door Locks Schematics (Auto Door Lock Inputs)


Object Number: 484064  Size: FS
Handling ESD Sensitive Parts Notice
G301 (1 of 3)
Handling ESD Sensitive Parts Notice
Power Door Systems Components
Power Door Locks Circuit Description
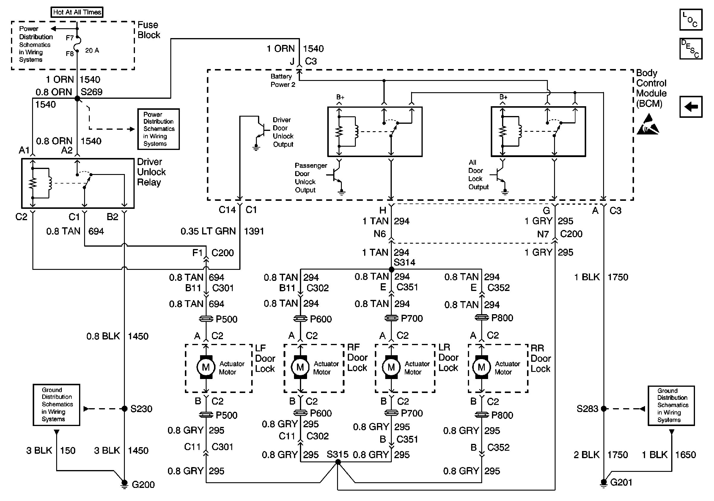
Door Locks Schematics(Auto Door Lock Outputs)
Door Locks Schematics (Auto Door Lock Inputs)
Figure 3:

Door Locks Schematics(Auto Door Lock Outputs)


Object Number: 484066  Size: FS
Fuse Block Details
G200 ( 1 of 2)
Handling ESD Sensitive Parts Notice
G201)
Power Door Systems Components
Power Door Locks Circuit Description
Door Locks Schematics (Auto Door Lock Inputs)