GM Service Manual Online
For 1990-2009 cars only
Makes
🢒
Buick
🢒
2000
🢒
Regal (China)
🢒 2 of 2
2 of 2
2 of 2
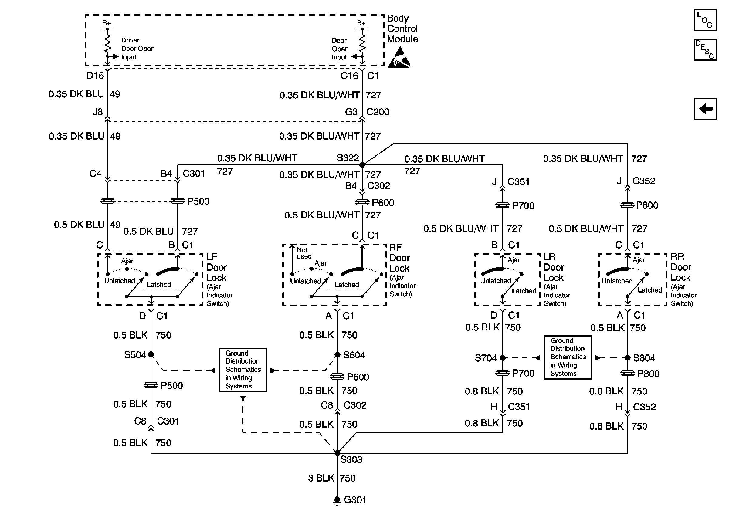
G301 (1 of 3)
Handling ESD Sensitive Parts Notice
G301 (3 of 3)
Retained Accessory Power (RAP) Components
Retained Accessory Power (RAP) Circuit Description
1 of 2