GM Service Manual Online
For 1990-2009 cars only
Makes
🢒
Buick
🢒
2000
🢒
Regal (China)
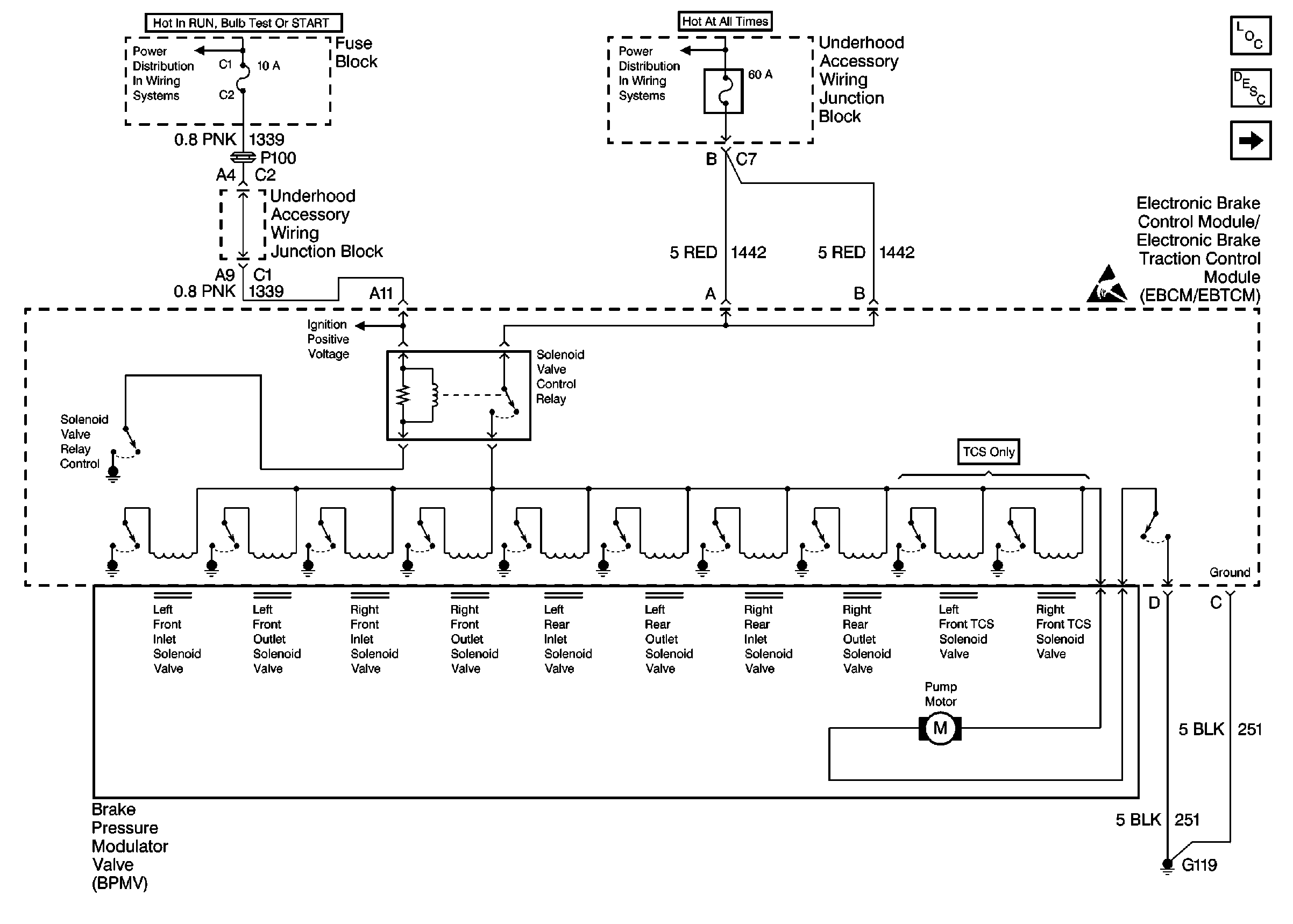
🢒 Power, Ground and EBCM/EBTCM
Power, Ground and EBCM/EBTCM
Power, Ground and EBCM/EBTCM
Antilock Brake System Component Views
ABS Description
Serial Data, SP205, PCM, BCM, Instrument Cluster, and EBCM/EBTCM
Handling ESD Sensitive Parts Notice
Fuse Block and EBCM/EBTCM and Stop Lamp Switch
GLX: UAWJB, EBCM/EBTCM and Fuse Block