GM Service Manual Online
For 1990-2009 cars only

Refer to

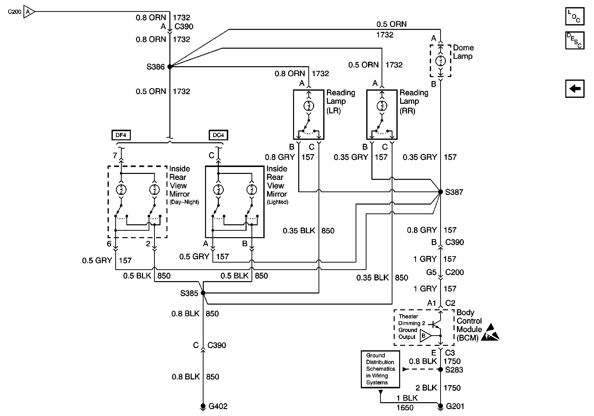
Interior Lights Output


Object Number: 484083  Size: FS
Interior Lights Output
G201)
Handling ESD Sensitive Parts Notice
Lighting Systems Components
Interior Lights Circuit Description
Interior Lights Output
.

Circuit Description

The body control module (BCM) controls the courtesy lamps through the theater dimming control circuit. The BCM grounds theater dimming control circuit which completes the footwell lamps ground circuit, and the lights illuminate.

Conditions for Running the DTC

The BCM must be commanding the theater dimming feature OFF.

Conditions for Setting the DTC

    • The BCM detects that the output for the theater dimming control circuit is low when the output is expected to be high.
    • The condition above must be present for more than 0.3 seconds.

Action Taken When the DTC Sets

The BCM stores DTC B2617 in memory.

Conditions for Clearing the DTC

    • A current DTC 2617 will clear if the short to ground or open in the theater dimming control circuit is no longer detected by the BCM.
    • A history DTC B2617 will clear after 100 consecutive ignition cycles if the condition for the malfunction is no longer present nor any other malfunction in the BCM is detected.

Diagnostic Aids

    • If the DTC B2617 is a history DTC, the fault may be intermittent. Refer to Testing for Intermittent Conditions and Poor Connections .
    • The following conditions may cause an intermittent malfunction to occur:
       - An intermittent short to ground or open in the theater dimming control circuit
       - Any courtesy lamp is intermittently shorted to ground or open internally
       - The BCM is intermittently shorted to ground or open internally

Test Description

The number(s) below refer to the step number(s) on the diagnostic table.

  1. Watch for the courtesy lamps to illuminate. Command both the ON and OFF states. Repeat the commands as necessary.

  2. This step tests for voltage at the courtesy lamps.

  3. This step verifies that the body control module is providing ground to the courtesy lamps.

  4. This step tests if ground is constantly being applied to the courtesy lamps.

Step

Action

Value(s)

Yes

No

1

Did you perform the Lighting Systems Diagnostic System Check?

--

Go to Step 2

Go to Diagnostic System Check - Lighting Systems

2

  1. Install a scan tool.
  2. Turn ON the ignition, with the engine OFF.
  3. With a scan tool, command the light test - theater dimming #1 output to ON and OFF.

Do the courtesy lamps turn ON and OFF with each command?

--

Go to Diagnostic Aids

Go to Step 3

3

  1. Turn OFF the ignition.
  2. Disconnect the each of the courtesy lamps.
  3. Turn ON the ignition, with the engine OFF.
  4. Probe the feed circuit of the each courtesy lamps with a test lamp that is connected to a good ground.

Does the test lamp illuminate at each courtesy lamp?

--

Go to Step 4

Go to Step 10

4

  1. Connect a test lamp between the control circuit of each of the courtesy lamps and the ground circuit of each of the courtesy lamps.
  2. With a scan tool, command the theater lamps ON and OFF.

Does the test lamp turn ON and OFF with each command?

--

Go to Step 8

Go to Step 5

5

Does the test lamp remain illuminated with each command?

--

Go to Step 7

Go to Step 6

6

Test the control circuit of the courtesy lamps for high resistance or an open. Refer to Circuit Testing and Wiring Repairs in Wiring Systems.

Did you find and correct the condition?

--

Go to Step 13

Go to Step 9

7

Test the control circuit of the courtesy lamps for a short to ground. Refer to Circuit Testing and Wiring Repairs in Wiring Systems.

Did you find and correct the condition?

--

Go to Step 13

Go to Step 9

8

Inspect for poor connections at each courtesy lamp. Refer to Testing for Intermittent Conditions and Poor Connections and Connector Repairs in Wiring Systems.

Did you find and correct the condition?

--

Go to Step 13

Go to Step 11

9

Inspect for poor connections at the harness connector of the body control module. Refer to Testing for Intermittent Conditions and Poor Connections and Connector Repairs in Wiring Systems.

Did you find and correct the condition?

--

Go to Step 13

Go to Step 12

10

Repair the feed circuit of the courtesy lamps. Refer to Wiring Repairs in Wiring Systems.

Did you complete the repair?

--

Go to Step 13

--

11

Replace the inoperative courtesy lamp.

Did you complete the repair?

--

Go to Step 13

--

12

Important: Perform the set up procedure for the body control module.

Replace the body control module. Refer to Body Control Module Replacement in Body Control Systems.

Did you complete the repair?

--

Go to Step 13

--

13

  1. Use the scan tool in order to clear the DTC.
  2. Operate the vehicle within the Conditions for Running the DTC as specified in the supporting text.

Does the DTC reset?

--

Go to Step 2

System OK