GM Service Manual Online
For 1990-2009 cars only
Makes
🢒
Buick
🢒
2001
🢒
Regal (China)
🢒
Brakes
🢒
Antilock Brake System
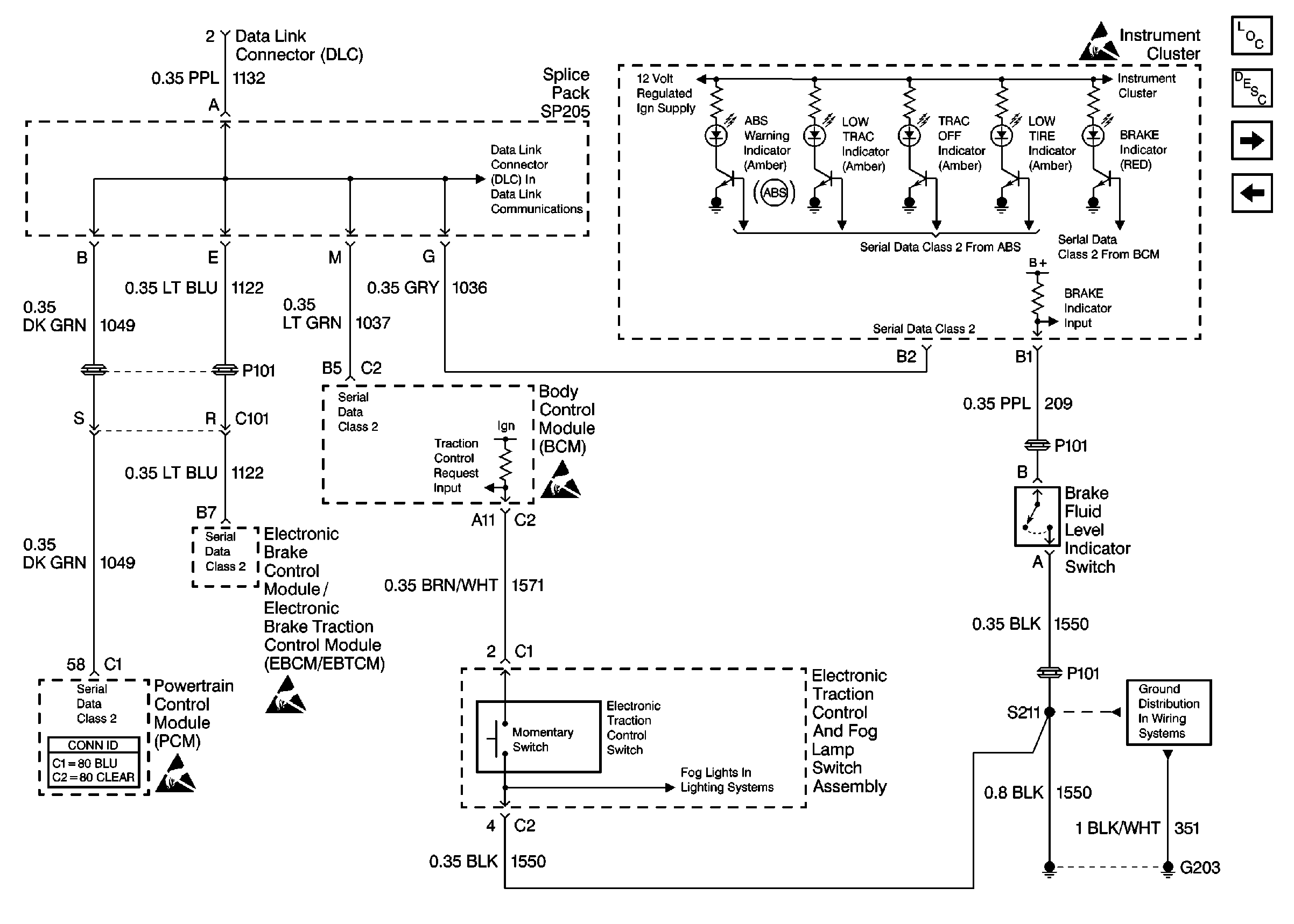
🢒 Antilock Brake System Schematics
Figure
1:
Power and Ground
Figure
2:
Serial Data and IP
Figure
3:
Stop Lamp Switch and PCM
Figure
4:
Speed Sensors and EBCM