GM Service Manual Online
For 1990-2009 cars only
Makes
🢒
Buick
🢒
2001
🢒
Regal (China)
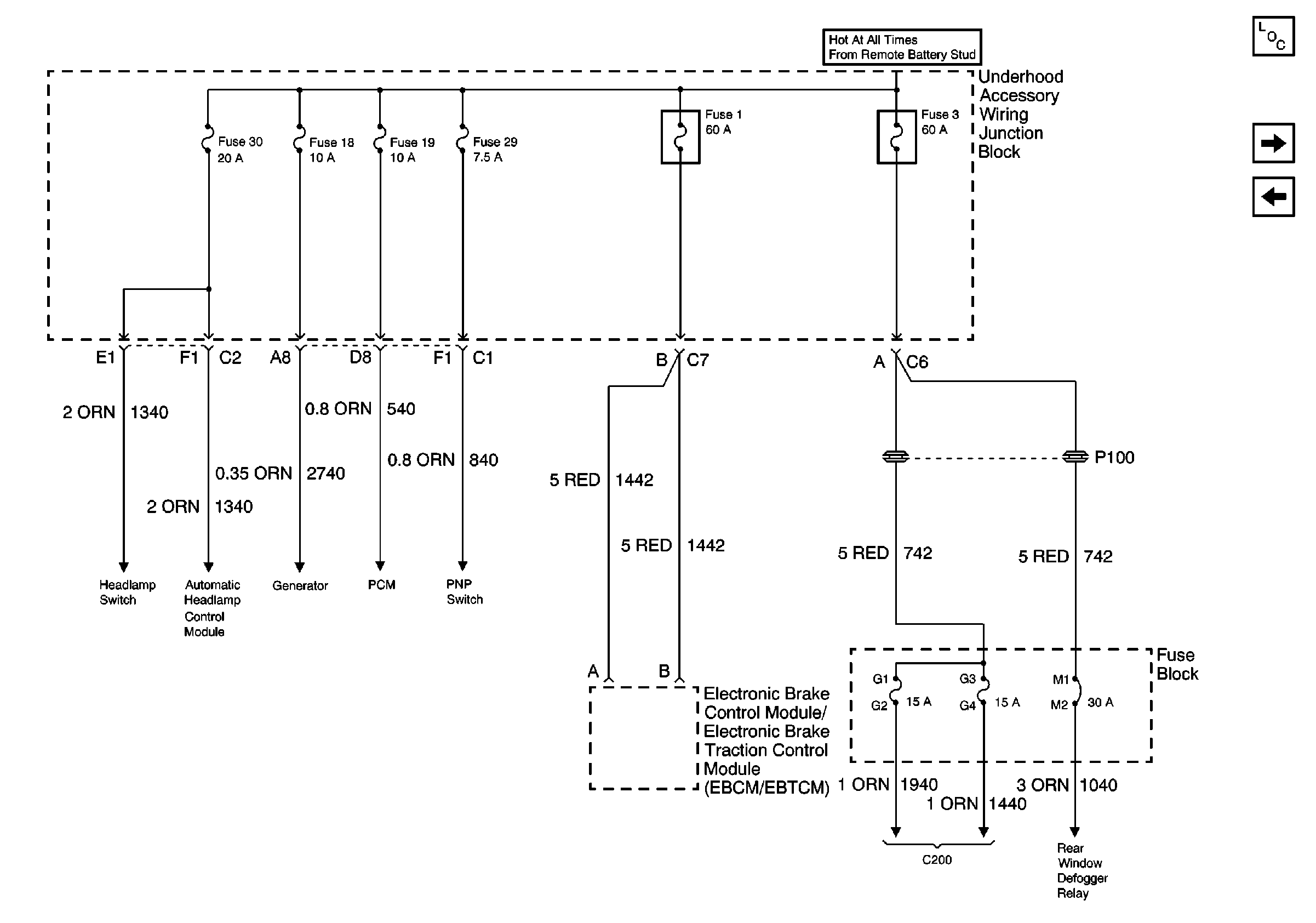
🢒 GL: UAWJB, EBCM/EBTCM and Fuse Block
GL: UAWJB, EBCM/EBTCM and Fuse Block
GL: UAWJB, EBCM/EBTCM and Fuse Block
UAWJB, PNP Switch, PCM, Generator, Headlamp Module and Switch
UAWJB, PNP Switch, PCM, Generator, Headlamp Module and Switch
UAWJB, PNP Switch, PCM, Generator, Headlamp Module and Switch
UAWJB, PNP Switch, PCM, Generator, Headlamp Module and Switch
UAWJB, PNP Switch, PCM, Generator, Headlamp Module and Switch
Fuse Block Details
Fuse Block, Wiper/Washer, BCM and Radio Controls
Power and Grounding Components
UAWJB, PNP Switch, PCM, Generator, Headlamp Module and Switch
GLX: UAWJB, EBCM/EBTCM and Fuse Block