GM Service Manual Online
For 1990-2009 cars only
Makes
🢒
Buick
🢒
2001
🢒
Regal (China)
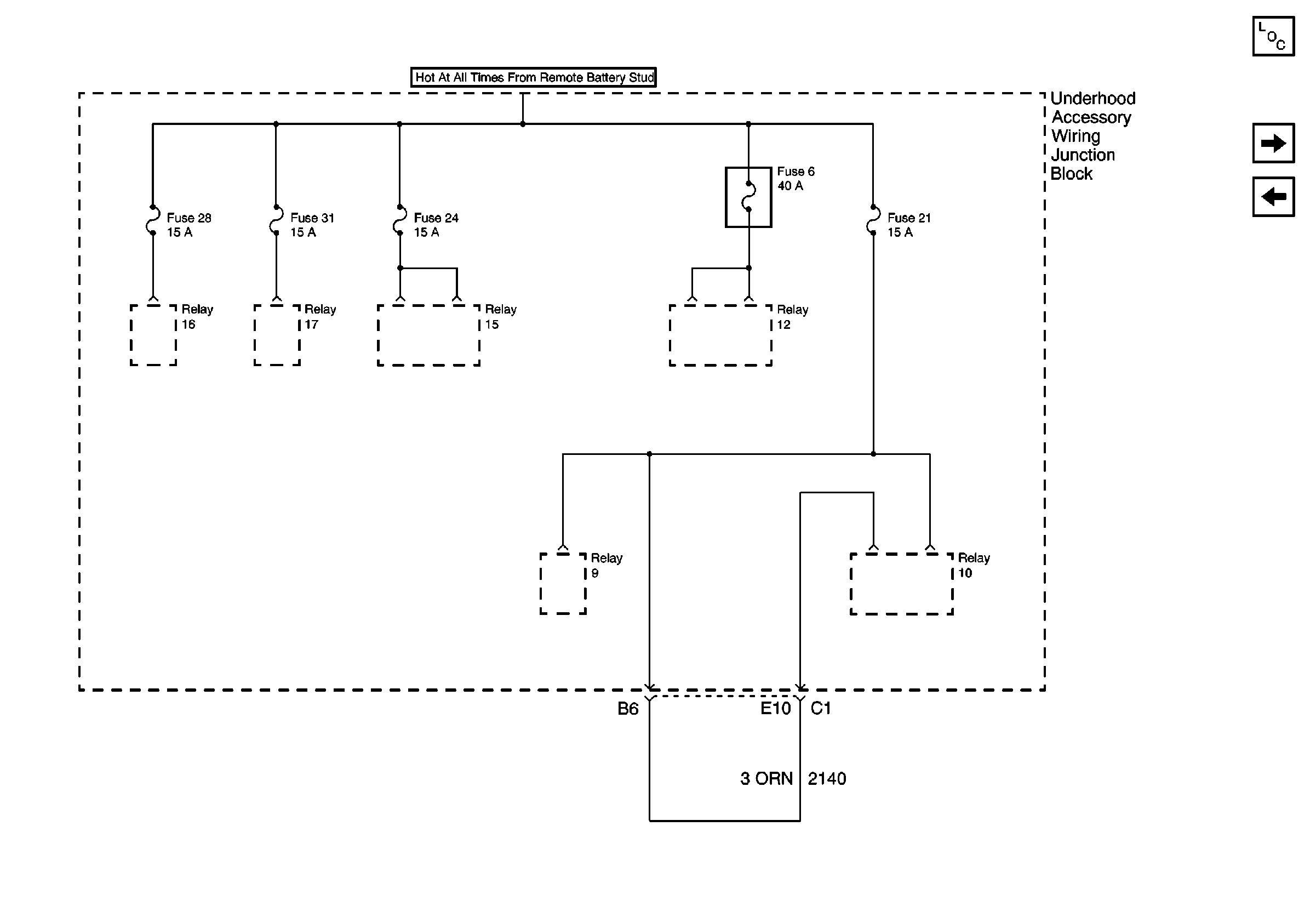
🢒 Underhood Accessory Wiring Junction Block
Underhood Accessory Wiring Junction Block
Underhood Accessory Wiring Junction Block
Power and Grounding Components
UAWJB, Stop Lamp Switch, A/T and ICM
UAWJB, PNP Switch, PCM, Generator, Headlamp Module and Switch