GM Service Manual Online
For 1990-2009 cars only
Makes
🢒
Buick
🢒
2001
🢒
Regal (China)
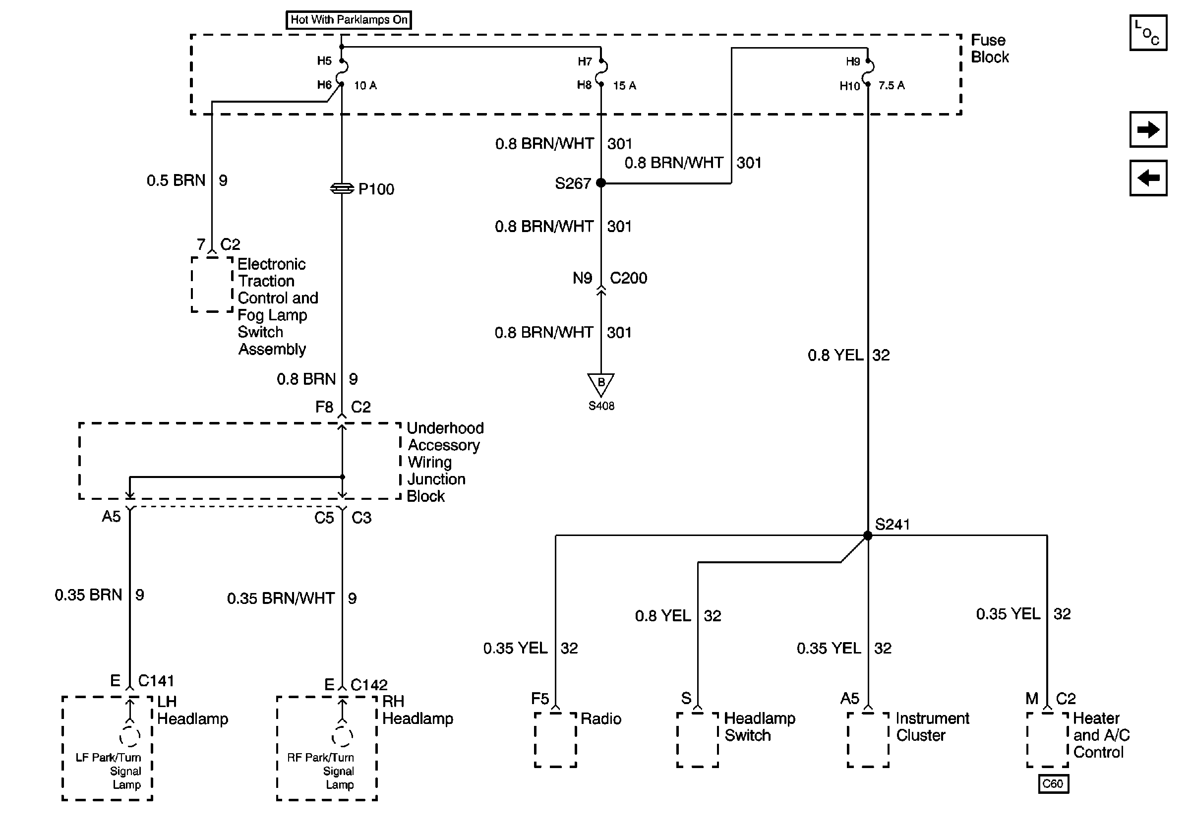
🢒 Fuse Block, UAWJB Radio and Cluster
Fuse Block, UAWJB Radio and Cluster
Fuse Block, UAWJB Radio and Cluster
Fuse Block, Headlamps and LF Window Switch
Power and Grounding Components
Fuse Block and Rear Lights
Fuse Block Details