GM Service Manual Online
For 1990-2009 cars only
Makes
🢒
Buick
🢒
2001
🢒
Regal (China)
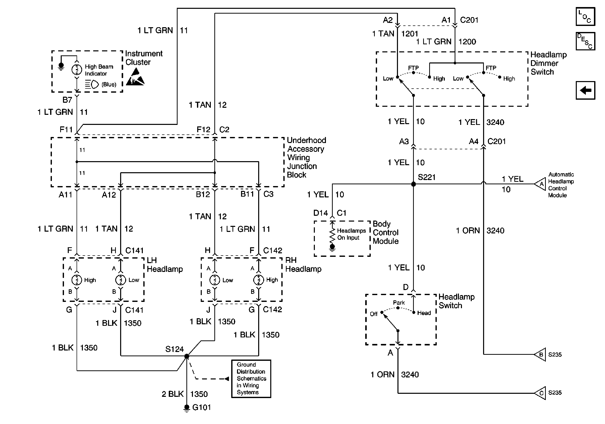
🢒 Headlamps, Headlamp Switch, Headlamp Dimmer Switch and BCM
Headlamps, Headlamp Switch, Headlamp Dimmer Switch and BCM
Headlamps, Headlamp Switch, Headlamp Dimmer Switch and BCM
Handling ESD Sensitive Parts Notice
G101
Automatic Headlamp Control Module, Ambient Light Sensor and BCM
Automatic Headlamp Control Module, Ambient Light Sensor and BCM
Lighting Systems Components
Headlights Circuit Description
Automatic Headlamp Control Module, Ambient Light Sensor and BCM