GM Service Manual Online
For 1990-2009 cars only
Makes
🢒
Buick
🢒
2006
🢒
Rendezvous - FWD
🢒
Vehicle Control Systems
🢒
Computer/Integrating Systems
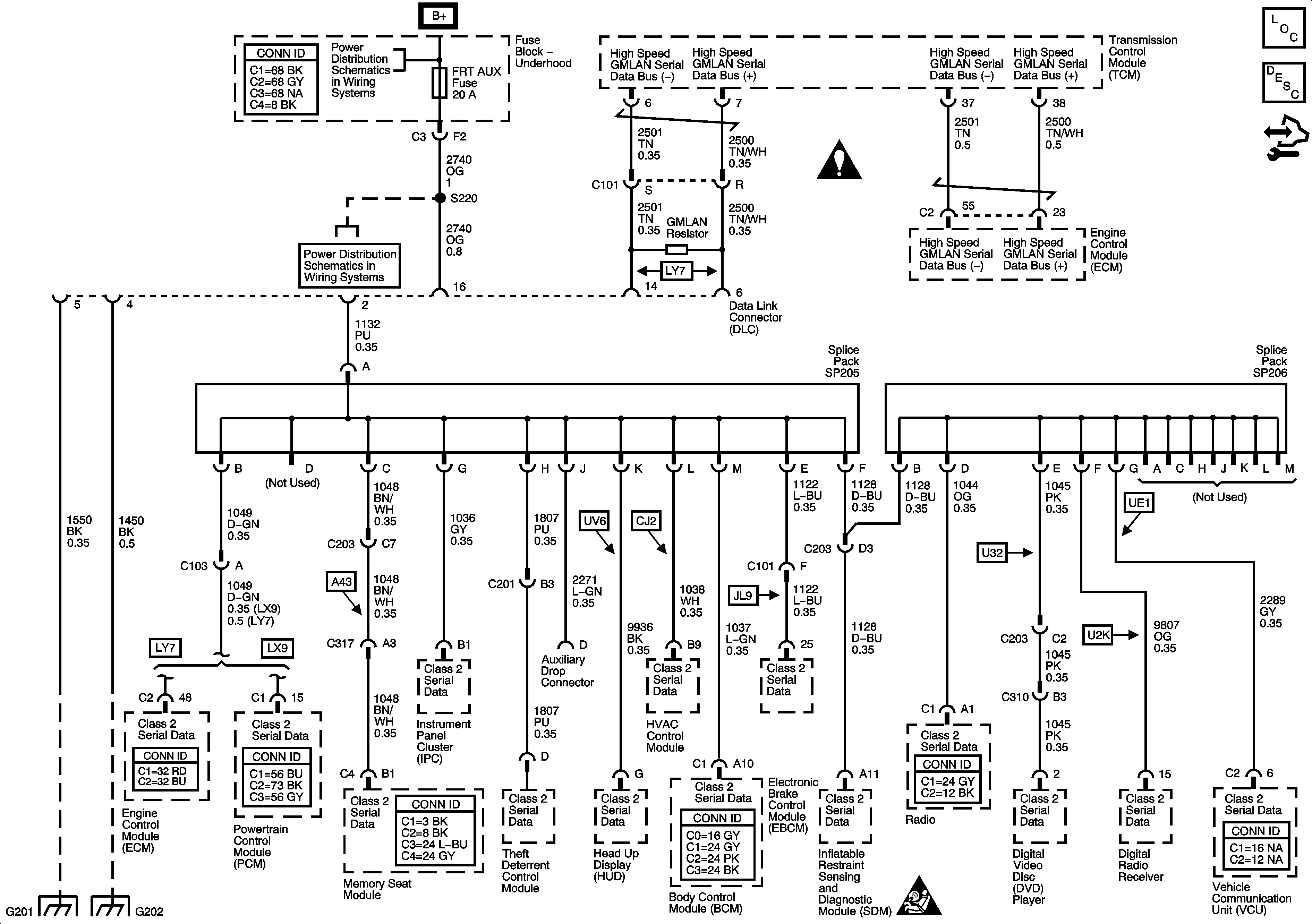
🢒 Data Link Connector Schematics
Master Electrical Component List
Data Link Communications Description and Operation
Control Module References
ABSMTR, ABS SOL, BCM, DVD, ECM, FRT AUX, S BAND, TCM, and VENT SOL Fuses
ABSMTR, ABS SOL, BCM, DVD, ECM, FRT AUX, S BAND, TCM, and VENT SOL Fuses
Computer/Integrating Systems Schematic Icons
G201
G202
Computer/Integrating Systems Schematic Icons