GM Service Manual Online
For 1990-2009 cars only
Makes
🢒
Buick
🢒
2006
🢒
Rendezvous - FWD
🢒
Suspension
🢒
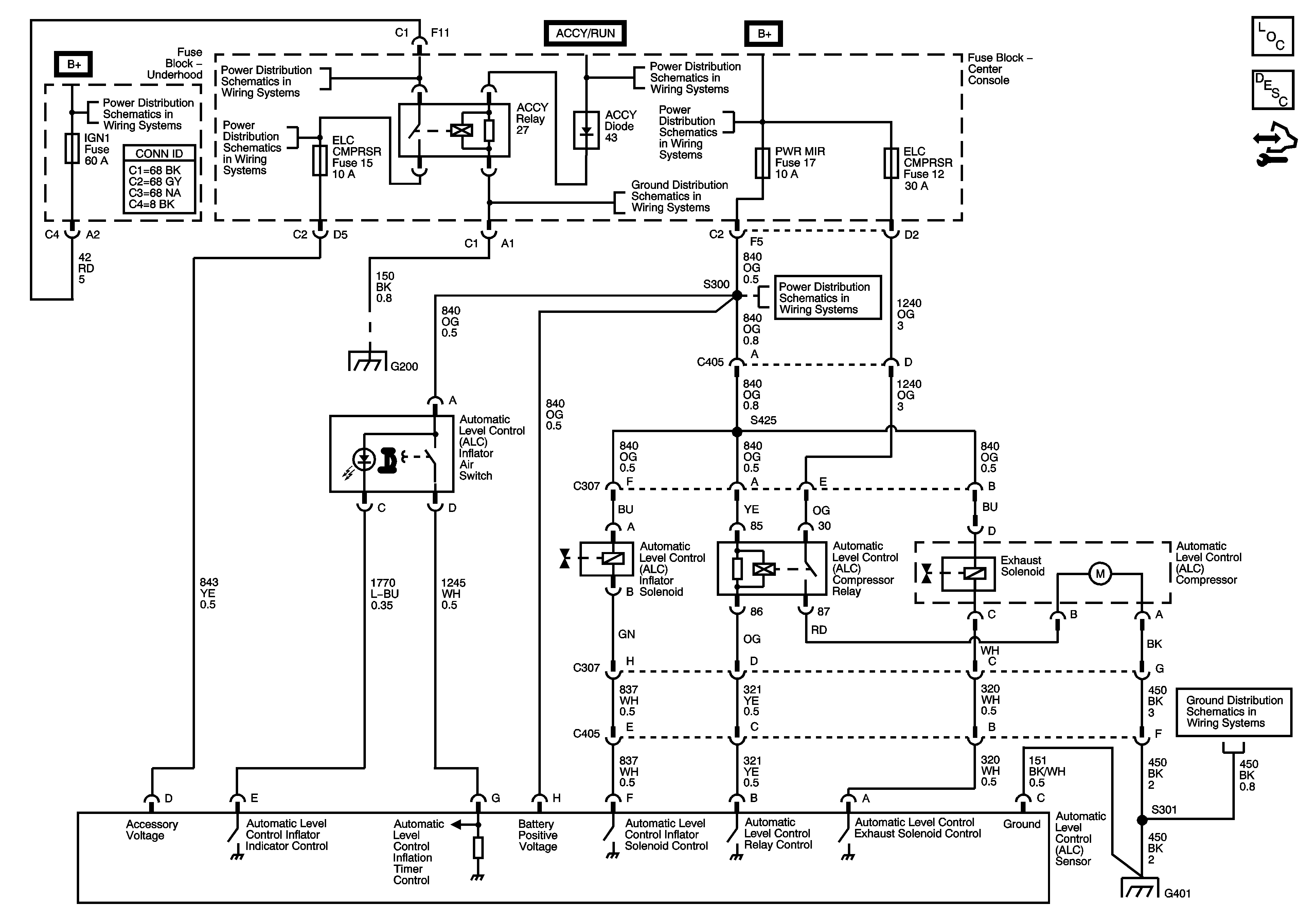
Automatic Level Control
🢒 Automatic Level Control Schematics
Master Electrical Component List
Automatic Level Control Description and Operation
Control Module References
B+ Bus 1 of 2
ACC PWR, ELC CMPRSR, IGN 1, PWR SROOF, PWR WNDW, RR WPR SW, and WPR/WSW Fuses
ACC PWR, ELC CMPRSR, IGN 1, PWR SROOF, PWR WNDW, RR WPR SW, and WPR/WSW Fuses
Ignition Switch-ACCY/RUN and RUN/START Bus Bars, AIRBAG MDL, AUTO OCCUPANT SEN, BCM, IGN1/IGN3, IGN MDL, and TCC SWTCH Fuses
BATT 2, ELC CMPRSR, LGATE, PWR DR LCK, PWR MIR, PWR SEAT, and RR AUX PWR OUTLET Fuses
G200
BATT 2, ELC CMPRSR, LGATE, PWR DR LCK, PWR MIR, PWR SEAT, and RR AUX PWR OUTLET Fuses
G200
G401