GM Service Manual Online
For 1990-2009 cars only
Makes
🢒
Buick
🢒
2006
🢒
Rendezvous - FWD
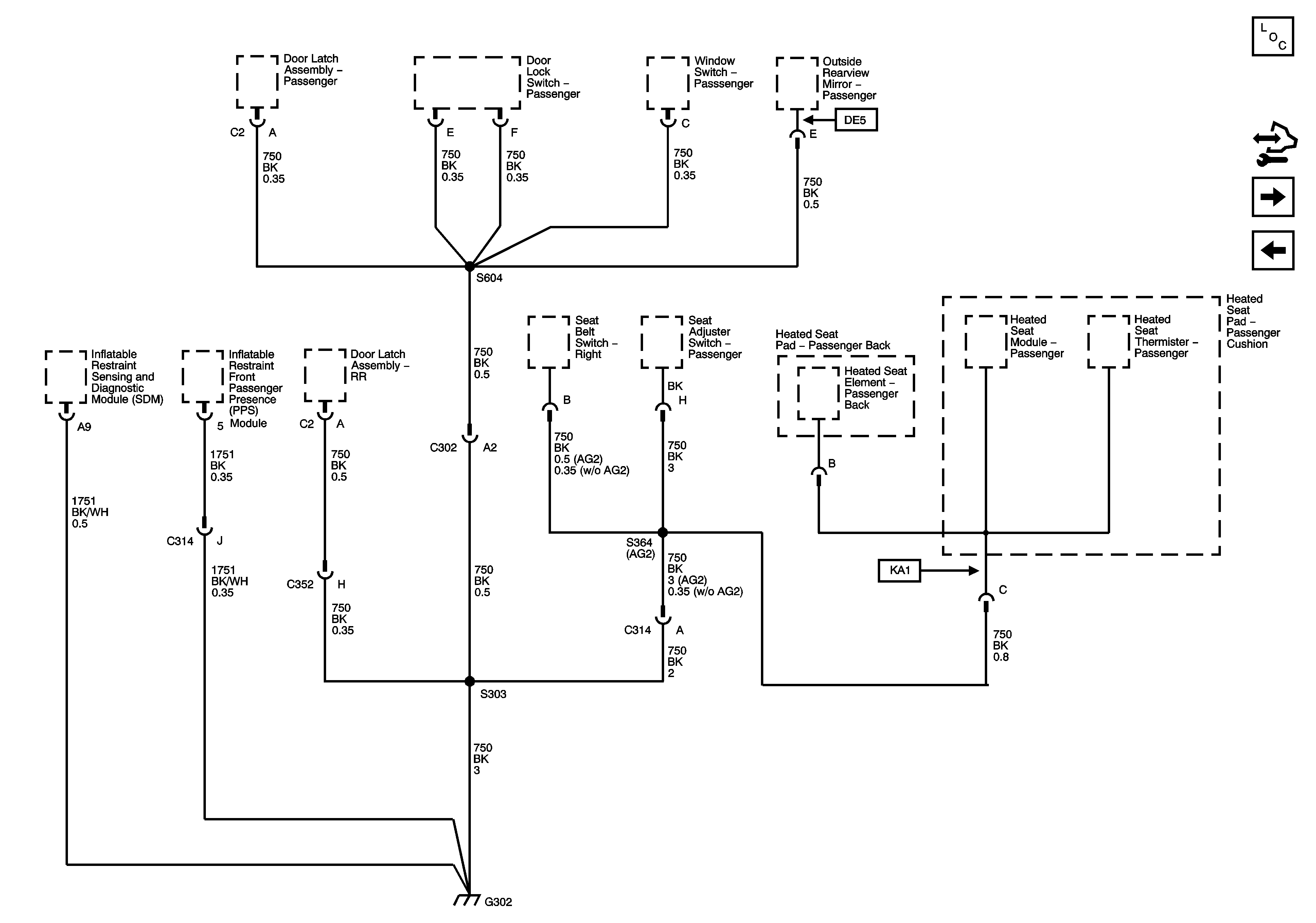
🢒 G302
G302
G302
Master Electrical Component List
Control Module References
G303-1 of 2
G202