GM Service Manual Online
For 1990-2009 cars only

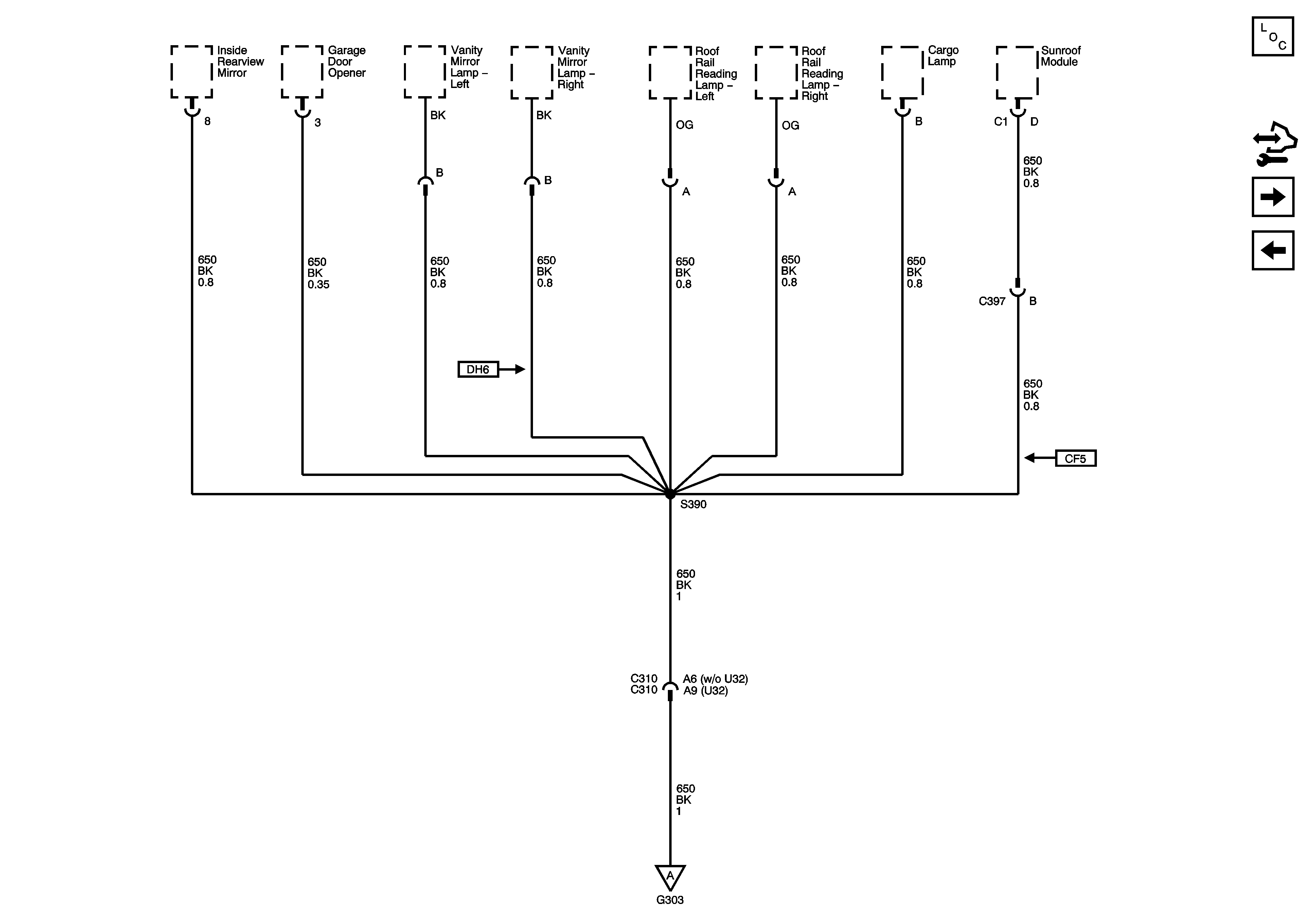
G303-2 of 2

G303 2 of 2


Object Number: 1619454  Size: FS
Master Electrical Component List
Control Module References
G401
G303-1 of 2
G303-1 of 2