GM Service Manual Online
For 1990-2009 cars only
Makes
🢒
Buick
🢒
2006
🢒
Rendezvous - FWD
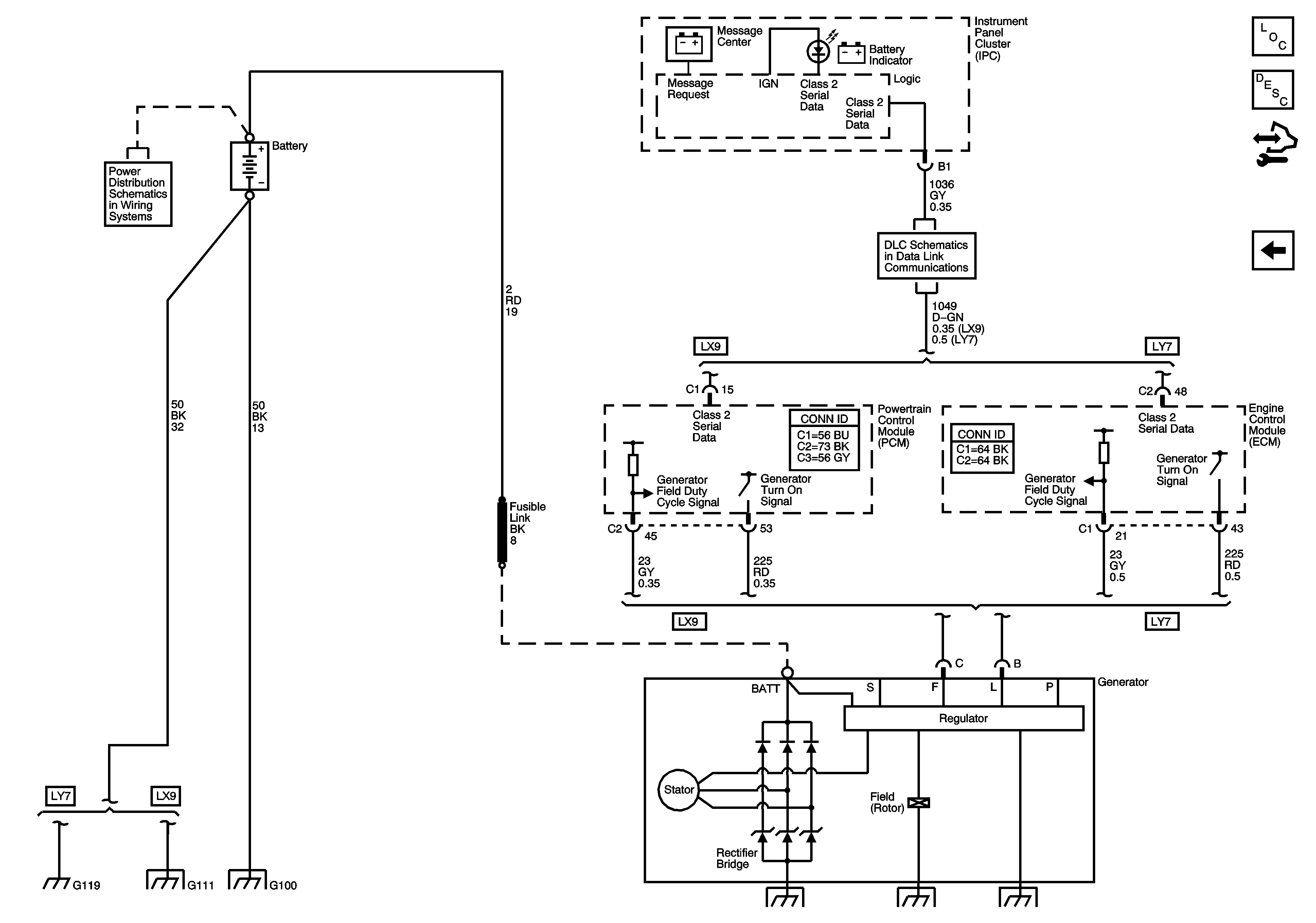
🢒 Charging
Charging
Charging
Master Electrical Component List
Starting System Description and Operation
Control Module References
Cranking
B+ Bus 1 of 2
DLC Schematics
G100, G111, and G119
G100, G111, and G119
G100, G111, and G119