GM Service Manual Online
For 1990-2009 cars only

LX9

LX9


Object Number: 1619522  Size: FS
Master Electrical Component List
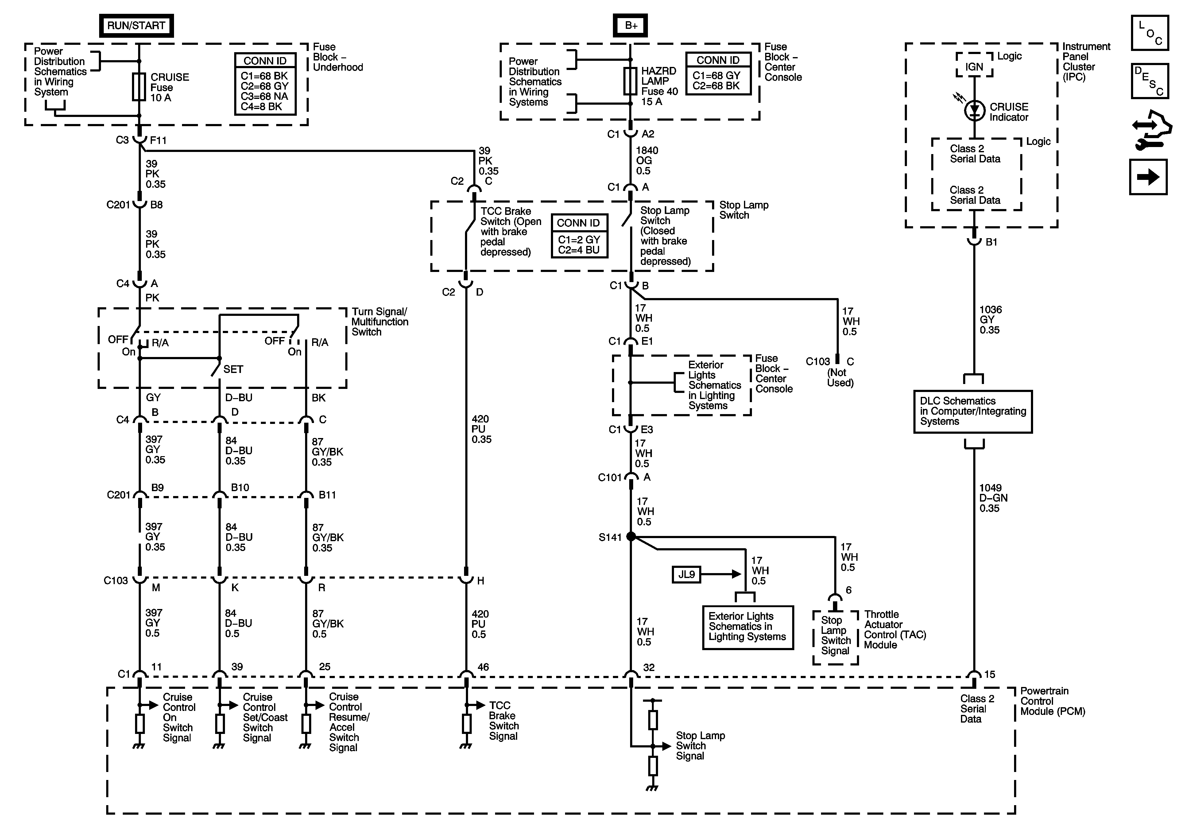
Cruise Control Description and Operation (3.5L)
Control Module References
LY7
G100, G111, and G119
BATT 1, HAZRD LAMP, HUD, IPC/HVAC/SEC/RKE, IS LAMP, PK3, RDO and RDO AMP Fuses
Hazard, Stop, and Turn Signal Lamp Control
DLC Schematics
Hazard, Stop, and Turn Signal Lamp Control