GM Service Manual Online
For 1990-2009 cars only
Makes
🢒
Buick
🢒
2006
🢒
Rendezvous - FWD
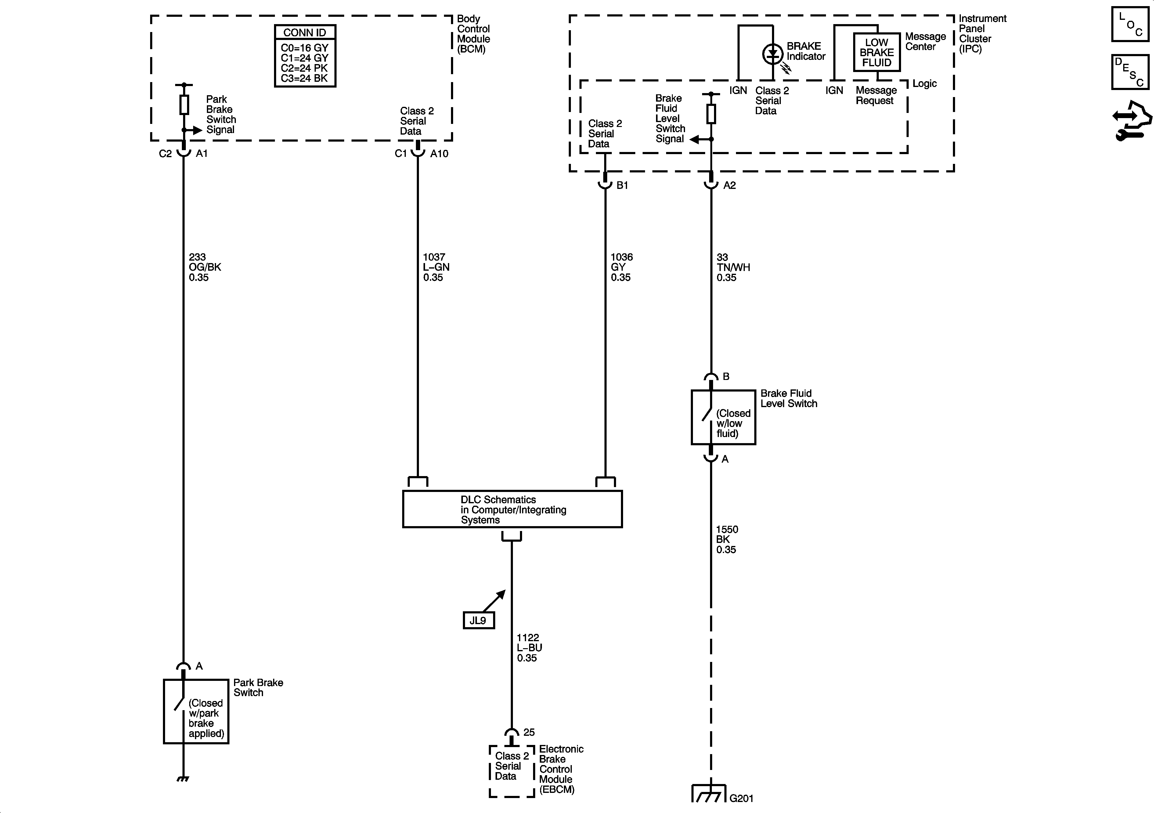
🢒 Brake Warning System Schematics
Brake Warning System Schematics
Master Electrical Component List
Brake Warning System Description and Operation
Control Module References
DLC Schematics